Zwei praktische Vorschläge

LEDs als Ersatz für T8-Leuchtstoffröhren

Veröffentlicht Geändert

Der Beitrag zeigt zwei Lösungen zum Leuchtstoffröhrenersatz. Der erste Vorschlag (Nachrüstlösung) ist ein mit LEDs bestücktes Ersatz-Leuchtmittel, das anstelle der ursprünglichen Leuchtstoffröhre eingebaut wird. Bei der zweiten Lösung wird neben der Leuchtstoffröhre auch das Vorschaltgerät ersetzt. Da in der Applikation ein Lichtstrom von 3500 Lumen erzeugt werden muss, werden Hochleistungs-LEDs mit zusammen 35 W benötigt. Beide Lösungen sind mit einer Leistungsfaktor-Korrektur versehen.

Leuchtstoffröhren durch LEDs ersetzen

Die Nachrüst-Lösung besteht aus zwei Netzteilen und erreicht deshalb einen geringeren Wirkungsgrad. Vorteilhaft ist hingegen, dass sie vom Kunden einfach anstelle einer konventionellen Leuchtstoffröhre eingebaut werden kann. Das ursprüngliche Vorschaltgerät wird dabei weiter verwendet. Die nicht als einfaches Ersatz-Leuchtmittel konzipierte alternative Lösung ersetzt außer dem eigentlichen Leuchtmittel auch das Vorschaltgerät. Dem Nachteil, dass hierfür eine Neuverdrahtung erforderlich ist, stehen der höhere Wirkungsgrad und die lange Lebensdauer gegenüber.

22488.jpg
Bild 1: Die konventionelle Leuchtstoffröhre wird durch ein LED-bestücktes Tauschleuchtmittel ersetzt. Der Starter wird überbrückt.
22489.jpg
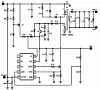
Bild 2: Schaltplan der Lösung auf Basis des LM3444.
22490.jpg
Bild 3: Ansicht des speziell für T8-Tauschleuchtmittel konzipierten Übertragers.
22491.jpg
Bild 4: Vereinfache Blockdiagramm der nicht für den Austausch durch den Konsumenten vorgesehenen LED-Lösung.

Die zwei Designbeispiele basieren beide auf dem Controller-IC LM3444 von National Semiconductor. Beim ersten Design handelt es sich um ein Leuchtmittel, das anstelle der bisherigen Leuchtstoffröhre eingebaut wird, ohne dass das bisher verwendete induktive Vorschaltgerät ersetzt werden muss. Das zweite Design ist dagegen nicht als Tausch-Leuchtmittel konzipiert und muss deshalb von einem Fachmann installiert werden.

LED-Röhre als Ersatz für T8-Leuchtstoffröhren

Dieses Design ist ähnlich wie eine Leuchtstoffröhre gestaltet, enthält jedoch LEDs samt der zugehörigen Elektronik. Die komplette Elek-tronik soll in der Röhre untergebracht werden und gleichzeitig alle Normen erfüllen. Bild 1 zeigt den Aufbau mit konventioneller Leuchtstoffröhre und die Ersatzlösung auf LED-Basis. Der Starter wird mit einer Schmelzsicherung überbrückt. Wie das Bild zeigt, werden die LEDs aus zwei Netzteilen gespeist. Diese Struktur hat den Vorteil, dass die Enden des Leuchtmittels, genau wie bei einer konventionellen Leuchtstoffröhre, nicht leuchten. Wäre dagegen nur ein Ende mit einem Netzteil bestückt, würde der Eindruck einer defekten Röhre entstehen, wenn das 200 mm lange Leuchtmittel nur an einem Ende dunkel bliebe.

Die Lösung konzentriert sich auf zwei isolierte PFC-Flyback-Schaltungen. Der Controller LM3444 kann jedoch ebenso für nicht isolierte Abwärtswandler verwendet werden. Jeder Treiber gibt eine Leistung von etwa 15 W ab und treibt 12 in Reihe geschaltete LEDs, so dass am LED-String eine Spannung von cirka 45 V liegt und ein Strom von 0,35 A fließt.

Bild 2 zeigt eine Schaltung, die für den Einsatz in der T8-Röhre geeignet ist. Sie erreicht einen Wirkungsgrad von über 85 %, und die Netzrückwirkungs-Schaltungen sorgen für einen Leistungsfaktor von mehr als 0,98. Außerdem passt die gesamte Lösung perfekt in das röhrenförmige Leuchtmittel hinein. Zentrales Element des Netzteils ist der LM3444. Der nach dem adaptiven Constant-Off-Time-Prinzip arbeitende Abwärtswandler führt den Hochleistungs-LEDs einen konstanten Strom zu. Da sie sich für hohe Schaltfrequenzen eignet, ermöglicht diese Architektur den Einsatz kleiner externer passiver Bauelemente.

Um diesen hohen Leistungsfaktor von über 0,98 zu erzielen wird ein kleiner Teil der Netzspannung in Pin 5 (Filter) des LM3444 eingeleitet. Damit nimmt der Baustein das Funktionsprinzip eines Konstantleistungs-Flyback-Wandlers an. Indem man die gleichgerichtete Wechselspannung von 1,0 VPeak dem Filter-Pin zuführt, wird erreicht, dass das On-Intervall (tON) des Haupt-Leistungs-FET im (lückenden) DCM-Modus konstant ist, was wiederum für einen hohen Leistungsfaktor sorgt.

Wie bereits erwähnt, passen alle Bauelemente in die Röhre. Eine Ausnahme bildet, aufgrund seiner mechanischen Konstruktion, der Übertrager. Damit auch dieses Bauteil in die Röhre passt, muss es horizontal aufgebaut sein. Von Würth Elektronik wurde ein Spulenkörper mit Kern speziell für T8-Röhren entwickelt, der eine Kriechstromstrecke von 6,4 mm garantiert und damit die erhöhten Isolationsanforderungen der IEC-Norm 60950 erfüllt (Bild 3). Der Siebkondensator ist ein weiteres Bauteil, auf dessen Größe geachtet werden muss. Der Elektrolyt-Kondensator besitzt eine hohe Kapazität, denn er muss den Netzbrumm von 100 Hz ausfiltern. Seine Lebensdauer ist begrenzt und abhängig von der Temperatur und dem Welligkeitsstrom. Designer sollten die Temperatur und den Welligkeitsstrom gegenüber den Angaben im Datenblatt mindern, damit für den Elko eine bestimmte Lebensdauer garantiert werden kann.

T8-LED-Röhre nicht zur Nachrüstung durch den Konsumenten

Bei der empfohlenen Architektur des zweiten Lösungsvorschlages ist das Netzteil nicht in der Röhre untergebracht, sondern extern angeordnet. Dies ist einerseits ein deutlicher Pluspunkt, denn auf diese Weise steht für die Treiberelektronik erheblich mehr Platz zur Verfügung. Andererseits ist es dann allerdings nicht mehr möglich das neue Leuchtmittel einfach anstelle der bisherigen Leuchtstoffröhre einzubauen. Die in gewissem Umfang erforderliche Neuverdrahtung darf nur von einem Fachmann vorgenommen werden.

Bild 4 zeigt das Schaltbild dieser Lösung. Netzseitig ist keine galvanische Isolation vorgesehen um den Wirkungsgrad nicht zu beeinträchtigen. Die Effizienz des Gesamtsystems hängt vorrangig vom Isolationstransformator ab. Der PFC-Flyback-Wandler ist zwar grundsätzlich als wirtschaftlich zu bezeichnen, kommt aber nur selten auf einen Wirkungsgrad über 85 %. Die Isolationsbarriere befindet sich zwischen Kühlkörper und LEDs und wird durch eine thermisch leitfähige Folie oder eine keramische Isolationsschicht hergestellt. Da die Isolation somit nicht mit einem Übertrager erfolgt, verbessert sich der Wirkungsgrad. Die zwischen LEDs und Aluminium-Kühlkörper eingefügte Folie des Typs KU-SAS20 von der Firma Kunze Folien zeichnet sich durch eine hohe Wärmeleitfähigkeit aus und besitzt beidseitig eine sehr stark haftende Klebeschicht. Das Material ist damit bestens als Wärmeleitfolie geeignet, mit der sich die von den LEDs erzeugte Wärme sehr schnell ableiten lässt. Mit ihrer Durchschlagspannung von 6,5 kV werden auch die Sicherheitsanforderungen hinsichtlich der Isolation erfüllt. Alternativ kommt die Verwendung von Keramik-Kühlkörpern in Frage. Diese sind nicht elektrisch leitend, besitzen aber eine gute Wärmeleitfähigkeit und verfügen über metallisierte Pads, auf die sich die LEDs auflöten lassen.

Ein einfach aufgebautes Netzteil erzeugt Oberschwingungen und hat einen unzureichenden Leistungsfaktor, so dass die Einhaltung der EN-61000-3-2 problematisch ist. Die Lösung ist eine PFC-Schaltung, die dafür sorgt, dass der Verlauf des Eingangsstroms mit dem der Eingangsspannung übereinstimmt. Für das hier beschriebene Vorschaltgerät ist die Norm EN-61000-3-2 Klasse C anzuwenden. Die PFC-Schaltung arbeitet im Critical Conduction Mode als Aufwärtswandler. Sie liefert eine relativ stabile Ausgangsspannung (380 V DC), die als Eingangsspannung für den LED-Treiber dient. Dieser wiederum arbeitet als Abwärtswandler mit Konstantstromregelung und ist daher für den Betrieb an einer gleichgerichteten Eingangsspannung geeignet. Da der LED-Treiber mit einer hohen Eingangswelligkeit konfrontiert wird, versieht man die 380-V-DC-Leitung mit einem kleinen Kondensator. Elektrolytkondensatoren mit ihrer hohen Ausfallrate sind hier wegen der angestrebten langen Lebensdauer nicht geeignet. Im Vorschaltgerät werden deshalb keine Elkos, sondern Folienkondensatoren der Firma Epcos eingesetzt.

Kamal Najmi

: Kamal Najmi ist Power Design Engineer Lighting, Europe, bei National Semiconductor in Fürstenfeldbruck

(jj)