Kompakte Stromlösungen fürs E-Fahrzeug

Effiziente EV-Stromversorgung mit Flyback-Wandlern

Die Anforderungen an Bordnetze in E-Fahrzeugen steigen rasant. Leistungsstark, platzsparend und zuverlässig muss die Stromversorgung sein. Genau hier spielen Flyback-Wandler ihre Stärken aus und schaffen neue Spielräume im Fahrzeugdesign.

5 min
Wie sorgen Flyback-Wandler für Effizienz im E-Fahrzeug? Kleine Bauform, hohe Isolation und weniger EMV, passend für aktuelle Bordnetze.
Wie sorgen Flyback-Wandler für Effizienz im E-Fahrzeug? Kleine Bauform, hohe Isolation und weniger EMV, passend für aktuelle Bordnetze.

Alle Infos zum Bordnetze im Automobil Kongress

Der Bordnetze Kongress gilt als zentrale Branchenplattform für Entwickler, Zulieferer und OEMs, die sich mit der elektrischen und elektronischen Architektur heutiger Fahrzeuge befassen. Im Fokus stehen Trends wie zonale Architekturen, steigende Bordnetzspannungen, neue E/E-Konzepte sowie deren Auswirkungen auf Kosten, Gewicht und Komplexität. 

Der 14. Kongress "Bordnetze im Automobil" wird am 5. bis 6. Mai 2026 in Ludwigsburg, stattfinden. Sind Sie gespannt? Registrieren Sie sich jetzt und sichern Sie sich Ihr Ticket.

Weitere Informationen zum Bordnetze im Automobil Kongress finden Sie hier.

Der Bedarf an elektrischer und elektronischer Energie für innovative Automobilkonstruktionen lässt sich wie folgt zusammenfassen: höhere Leistung, verbesserte Effizienz, geringerer Platzbedarf und höhere Zuverlässigkeit. Bei Elektrofahrzeugen (EVs) ist die Effizienz von entscheidender Bedeutung, um die „Reichweitenangst“ der Nutzer zu mindern. Die Kombination von Anforderungen im Zusammenhang mit E-Fahrzeugen führt zu kompakten und leichten Stromversorgungslösungen für Standby- und Hilfsstromquellen. Kleinere Stromversorgungen bringen zusätzliche Herausforderungen mit sich, wie z. B. die Notwendigkeit einer stärkeren Isolierung, um elektrische Ausfälle zwischen eng beieinander liegenden Komponenten zu verhindern, und die Verringerung elektromagnetischer Störungen (EMI).

Flyback-Leistungswandler werden häufig in verschiedenen Niederleistungs-EV-Anwendungen eingesetzt, z. B. für die Erzeugung von Hilfsenergie, das Batteriemanagement und die Gate-Drive-Leistung. Sie bieten einfachere Konstruktionen mit weniger Komponenten, die die Größe reduzieren, die Zuverlässigkeit erhöhen und die Kosten senken. Das Herzstück jeder Flyback-Stromversorgung ist der Flyback-Wandler, der in der Regel zu den größten Komponenten gehört, die für die Hochspannungsisolierung erforderlich sind.

Dieser Artikel beschreibt die Funktionsweise von Flyback-Wandlern, die Auswirkungen induktiver und kapazitiver Störgrößen sowie die Bedeutung von Bauteilgröße und Signalisolierung. Anschließend wird ein Flyback-Wandler von Bourns vorgestellt und gezeigt, wie er dazu beitragen kann, zahlreiche Herausforderungen bei der Stromversorgung von Fahrzeugen zu bewältigen.

Der Flyback-Wandler

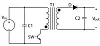
Flyback-Konverter zeichnen sich durch ihr einfaches, komponentenarmes Design für Leistungen bis zu 100 W aus. Das Herzstück dieser Konstruktionen ist ein Flyback-Wandler, der sowohl für die Leistungsübertragung als auch für die Isolierung zwischen der Primär- und der Sekundärseite der Wandlerschaltung sorgt (Bild 1). Der Wandler kann die Spannung einer Gleichstromquelle je nach Konfiguration des Flyback-Wandlers erhöhen oder verringern. Neben dem Flyback-Wandler benötigt die Schaltung einen primärseitigen Schalter (SW), in der Regel einen MOSFET, und einen sekundären Gleichrichter/Filter.

Bild 1: Vereinfachtes Schema der grundlegenden Elemente eines Flyback-Wandlers.
Bild 1: Vereinfachtes Schema der grundlegenden Elemente eines Flyback-Wandlers.

Der Betriebszyklus beginnt mit dem Einschalten von SW, indem Vgs auf einen hohen Pegel gesetzt wird. Der Schalter wird geschlossen, und die an der Induktivität anliegende Spannung ist eine Sprungfunktion. Die Drossel wirkt jeder momentanen Stromänderung entgegen und dient zur Integration der angelegten Schrittspannung. Daraus ergibt sich eine Rampenfunktion, und der Strom in der Primärwicklung des Zeilentransformators steigt aufgrund der Wirkung der Primärinduktivität linear an. Auf der Sekundärseite des Wandlers fließt kein Strom, da die Gleichrichterdiode (D) in Sperrichtung vorgespannt ist, und ein Luftspalt im Magnetkern des Flyback-Wandlers verhindert die Sättigung, wenn das Magnetfeld des Wandlers zunimmt.

Wenn der Schalter ausgeschaltet wird, indem Vgs auf einen niedrigen Pegel zurückgeführt wird, wird die im Magnetfeld des Wandlers gespeicherte Energie über die nun in Durchlassrichtung vorgespannte Diode auf die Sekundärseite übertragen und der Ausgangskondensator (C2) aufgeladen. Der Sekundärstrom fällt linear ab, bis die Energie des Magnetfelds verbraucht ist oder der Schalter wieder eingeschaltet wird und der nächste Zyklus beginnt.

Ein typischer Transformator, wie er in einer linearen Stromversorgung zu finden ist, überträgt kontinuierlich Energie von der Primärwicklung auf die Sekundärwicklung. Der Betrieb des Flyback-Wandlers ähnelt eher dem eines Paares gekoppelter Induktivitäten, da er während des Betriebszyklus nicht kontinuierlich Energie überträgt. Wie bei einem Transformator kann die Ausgangsspannung jedoch durch Änderung des Windungsverhältnisses zwischen der Primär- und der Sekundärwicklung eingestellt werden. Der Flyback-Wandler bietet auch eine galvanische Isolierung zwischen der Primär- und der Sekundärwicklung. Darüber hinaus unterstützt er mehrere Sekundärwicklungen, was zahlreiche Ausgangsspannungen des Wandlers ermöglicht.

Parasitäre Effekte in Flyback-Wandlern

Typisch für elektronische Schaltungen, leiden auch Flyback-Wandler unter unerwünschten Effekten aufgrund von parasitären Induktivitäten und Kapazitäten (Bild 2).

Bild 2: Die schematische Darstellung eines Flyback-Wandlers hebt die mit den Wandlerkomponenten verbundenen parasitären Kapazitäten und Induktivitäten in Rot hervor.
Bild 2: Die schematische Darstellung eines Flyback-Wandlers hebt die mit den Wandlerkomponenten verbundenen parasitären Kapazitäten und Induktivitäten in Rot hervor.

Die Magnetisierungsinduktivität (Lm) ist die wichtigste induktive Eigenschaft, die die Energiespeicherung des Flyback-Wandlers bestimmt. Zum Wandler gehört auch eine parasitäre Streuinduktivität (Llk), die in Reihe mit dem Schalter liegt. Wenn der Schalter geöffnet wird, versucht sie, den Primärstrom aufrechtzuerhalten und erhöht die Spannung am Schalter. Die meisten Flyback-Wandler verwenden Klemmschaltungen oder Entstörglieder, um den Schalter vor dieser transienten Spannung zu schützen. Dieser Effekt erhöht auch die Magnetfeldstrahlung und wirkt sich auf die EMI aus. Die Leiterbahninduktivität (Ltr) trägt zu diesen Effekten bei.

Die Konstrukteure von Wandlern sind bestrebt, die Streuinduktivität zu minimieren. Die wichtigste Methode besteht darin, die Kopplung zwischen den Primär- und Sekundärwicklungen zu erhöhen. Dies wird dadurch erreicht, dass der Abstand zwischen den Wicklungen minimiert wird und dass sie ineinander verschachtelt werden.

Zu den verteilten Kapazitäten gehören die Primärkapazität (Cp), die Zwischenwicklungskapazität (Cps), die Sekundärkapazität (Cs), die FET-Ausgangskapazität (Co) und die Sekundärdiodenkapazität (Cd). Diese Kapazitäten wirken mit den Induktivitäten zusammen und verringern die Integrität der Signalformen des Wandlers (Bild 3).

Bild 3: Dargestellt sind die Auswirkungen von kapazitiven und induktiven Störgliedern auf die Schaltwellenform.
Bild 3: Dargestellt sind die Auswirkungen von kapazitiven und induktiven Störgliedern auf die Schaltwellenform.

Die Schaltwellenform ist idealerweise ein rechteckiger Impuls ohne Über- oder Unterschwingen. Die schnellen Übergangszeiten dieses Rechteckimpulses garantieren, dass die Spannungswellenform auf Null ist, bevor der Strom ansteigt. In der Realität verlangsamen parasitäre Kapazitäten und Induktivitäten die Übergangszeiten und verursachen Über- und Unterschwingungen sowie Klingeln. Außerdem erhöhen langsamere Anstiegs- und Abfallzeiten die Schaltverluste des Wandlers aufgrund der Überlappung der primären Spannungs- und Stromwellenformen, die nicht Null sind. Durch diese Überlappung geht Leistung in Form von Schaltverlusten im FET-Schalter verloren, wodurch der Wirkungsgrad des Wandlers sinkt. Der merkliche Abfall der Impulsspitze ist auf den Lastwiderstand und die Magnetisierungsinduktivität zurückzuführen.

Bei der Konstruktion eines Flyback-Wandlers müssen erhebliche Anstrengungen unternommen werden, um die Eigenresonanzfrequenzen von den Schaltfrequenzen des Wandlers fernzuhalten, und eine möglichst kurze Verdrahtung zwischen Schalter und Flyback-Wandler trägt zur Minimierung der parasitären Kapazitäten bei. Darüber hinaus bietet die Zwischenwicklungskapazität einen Pfad zur Kopplung der Hochfrequenzkomponenten des Primärsignals an den Ausgang. Je größer die Kapazität zwischen den Wicklungen ist, desto größer sind die leitungsgebundenen EMI-Emissionen des Wandlers. Eine optimale Leistung erfordert einen konstruktiven Kompromiss, da eine engere Kopplung der Wicklungen die Streuinduktivität verringert, aber auch die Kapazität zwischen den Wicklungen erhöht. Hier kommt es auf die Erfahrung des Wandlerdesigners an.

Größenreduzierung und Signaltrennung

Bauteile, die für Kraftfahrzeuganwendungen bestimmt sind, sollten so klein wie möglich sein. Die physische Größe eines Bauteils wird durch die Materialeigenschaften und die physikalische Funktion des Teils bestimmt. Im Falle des Flyback-Wandlers muss der Abstand zwischen den Leitern ausreichend sein, um die Betriebsspitzenspannungen und die für die Normzertifizierung erforderlichen Spannungsprüfungen zu bewältigen. Die wichtigsten Spezifikationen im Zusammenhang mit dem Spannungsdurchbruch sind Luft- und Kriechstrecken (Bild 4).

Bild 4: Luft- und Kriechstrecken sind Spezifikationen, die die Mindestabstände zwischen benachbarten Leitern beschreiben, die erforderlich sind, um elektrische Durchschläge und Lichtbögen zu verhindern.
Bild 4: Luft- und Kriechstrecken sind Spezifikationen, die die Mindestabstände zwischen benachbarten Leitern beschreiben, die erforderlich sind, um elektrische Durchschläge und Lichtbögen zu verhindern.

Die Luftstrecke ist der kürzeste Abstand zwischen zwei Leiterbahnen in der Luft, und die Kriechstrecke ist der kürzeste Abstand zwischen zwei Leiterbahnen entlang der Oberfläche eines isolierenden Materials. Diese Abstände sind entscheidend für die Vermeidung von Lichtbögen und die Aufrechterhaltung der elektrischen Isolierung.

Flyback-Wandler erfüllt EV-Anforderungen

Der Flyback-Wandler HVMA03F40C-ST10S (Bild 5) von Bourns ist für den Einsatz in der Automobilindustrie qualifiziert und für Schaltfrequenzen von 100 kHz bis 400 kHz ausgelegt. Er ist für eine Leistung von bis zu 3 W ausgelegt.

Bei diesem Flyback-Wandler handelt es sich um ein AEC-Q200-konformes Bauteil in Automobilqualität, das für den Betrieb in einem Temperaturbereich von -40 °C bis +155 °C (einschließlich Eigenerwärmung) ausgelegt ist. Es handelt sich um eine oberflächenmontierbare Komponente mit acht Pads und einem außergewöhnlich kompakten Footprint von 9,5 mm × 10,3 mm bei einer Höhe von 13 mm. Sie ist für den Betrieb mit einer Primärspannung von 6 V bis 27 V ausgelegt, während seine doppelten Sekundärwicklungen eine Nennleistung von 14 V erzeugen.

Bild 5: Der Flyback-Wandler HVMA03F40C-ST10S (links) hat eine Nennleistung von 3 W und verfügt über zwei Ausgangswicklungen (rechts).
Bild 5: Der Flyback-Wandler HVMA03F40C-ST10S (links) hat eine Nennleistung von 3 W und verfügt über zwei Ausgangswicklungen (rechts).

Die Primärwicklung (zwischen den Pins 1 und 2) bietet eine Hauptinduktivität von 40 Mikrohenries (mH) mit einer Streuinduktivität von nur 1,1 mH und einem Serienwiderstand von 1,0 Ω. Die Hauptsekundärseite (zwischen den Stiften 6 und 7) hat einen Reihengleichstromwiderstand von 1,0 Ω. Der Hilfsausgang (zwischen Pin 3 und 4) hat einen Serienwiderstand von 1,4 Ω. Der Wandler ist auf eine Verstärkung von Eins mit einem Windungsverhältnis von 1:1:1 eingestellt.

Er ist für eine Betriebsspannung von bis zu 900 V ausgelegt und verfügt über eine Spannungsisolierung von 4000 VAC. Trotz der hohen Nennspannung hat der Wandler eine Nenn-Kriechstrecke von 10 mm und eine Luftstrecke von 6 mm.

Dieser Flyback-Wandler eignet sich für Anwendungen im Automobilbereich, wie z. B. Transistor-Gate-Drive-Stromversorgungen, Batteriemanagement-Schaltungen oder als isolierte Stromquelle zwischen unabhängigen Stromkreisen in Elektrofahrzeugen. Er ist mit vielen integrierten Flyback-Wandlerschaltungen kompatibel, die mit einer festen Schaltfrequenz mit Pulsbreitenmodulation oder mit fester Pulsbreite und variabler Frequenzsteuerung arbeiten.

Fazit

Der HVMA03F40C-ST10S von Bourns eignet sich besonders gut, um Entwickler bei der Erfüllung von EV-Leistungsanforderungen zu unterstützen. Er ist AEC-Q200-konform und zeichnet sich durch einen kompakten Formfaktor, die Einhaltung der Luft- und Kriechstrecken-Spezifikationen und eine Leistung von 3 W über einen breiten Temperaturbereich aus. (na)

Autor:

Rolf Horn,  Applikationsingenieur bei DigiKey