Zeit- und Frequenzsteuerung richtig einsetzen

MEMS- oder Quarzoszillator: Alles hängt von der Anwendung ab

Veröffentlicht Geändert
Für den Entwickler stellt sich bei der Zeitsteuerung seiner Systeme oft die Frage, welche Taktgeber-Technologie die geeignete Wahl ist: MEMS oder Quarz? Das sind die Unterschiede.
Für den Entwickler stellt sich bei der Zeitsteuerung seiner Systeme oft die Frage, welche Taktgeber-Technologie die geeignete Wahl ist: MEMS oder Quarz? Das sind die Unterschiede.

Eine präzise Frequenzregelung und Zeitsteuerung ist in der Elektronik unerlässlich. Beinahe jedes elektronische System hängt von einem Präzisionstaktgeber ab. Was sind die aktuellsten Technologien und worauf muss der Entwickler bei ihrem Einsatz achten?

Der in den 1920er Jahren eingeführte Quarzkristall-Oszillator war lange Zeit das Arbeitspferd unter den elektronischen Zeitmessgeräten. Ein seit den 1960ern in Entwicklung befindlicher neuer Oszillatortyp ist die MEMS-Resonator-Clock (MEMS = Micro-Electro-Mechanical-System). In Produktionsvolumina verfügbar ist er seit 2005.

Heutzutage haben MEMS-Oszillatoren in vielen hochvolumigen kostengünstigen Anwendungen die Quarzoszillatoren ein wenig abgelöst. Wie bei vielen Dingen in der Technologiewelt gibt es jedoch Kompromisse und Ausnahmen, die je nach Anwendung, in der das Gerät eingesetzt wird, zu berücksichtigen sind.

Bild 1: Der MEMS-Oszillator hat einen komplexeren Aufbau als der Quarzoszillator. Daraus resultiert oft auch ein höherer Stromverbrauch.
Bild 1: Der MEMS-Oszillator hat einen komplexeren Aufbau als der Quarzoszillator. Daraus resultiert oft auch ein höherer Stromverbrauch.

Kompromisse: MEMS oder Quarz?

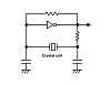
Um die Unterschiede besser zu verstehen, zeigen die Bilder 1 und 2 Blockdiagramme eines MEMS-Oszillator- und eines Quarzoszillator-Schaltkreises. Der MEMS-Oszillator ist komplizierter aufgebaut: Zusätzlich zu einem mikromechanischen Silizium-Resonator umfasst seine Digitalschaltung eine PLL zur Ermittlung und Steuerung der Taktfrequenz. Der Quarzoszillator dagegen ist recht einfach konstruiert und hängt in starkem Maße vom äußerst hohen Gütefaktor Q des Quarzresonators als einziges frequenzbestimmendes Element ab.

Bild 2: Der Quarzoszillator ist recht einfach konstruiert und hängt in starkem Maße von einem hohen Gütefaktor Q ab.
Bild 2: Der Quarzoszillator ist recht einfach konstruiert und hängt in starkem Maße von einem hohen Gütefaktor Q ab.

Sowohl MEMS- als auch Quarzoszillatoren lassen sich durch Temperaturkompensation präzisieren, um weniger als 1 PPM Stabilität zu erreichen oder mit Ofen-Kontrolle das PPB-Stabilitätsniveau zu erreichen. Im allgemeinen Sprachgebrauch werden Quarzoszillatoren, die diese Kompensationsmethoden verwenden, als TCXOs bzw. OCXOs bezeichnet. Und obwohl der Begriff „XO“ speziell für Quarzoszillatoren verwendet wird, hat dieser Begriff häufig auch für ähnlich kompensierte MEMS seine Berechtigung gefunden.

In Bezug auf die absolute Frequenzstabilität über Temperatur erzielen die Hersteller große Verbesserungen bei der MEMS-Performance. SiTime beispielsweise stellt MEMS her, die mit Hilfe digitaler Kompensationsverfahren nahezu beliebig genau sind. Aber wo liegen nun die Leistungsunterschiede zwischen Quarzkristall-Oszillatoren und MEMS-Oszillatoren?

Phasenrauschen und Jitter

MEMS können stärkeren Erschütterungen standhalten und sind weniger anfällig für Vibrationen als Quarzoszillatoren. Da Quarzresonatoren eine relativ große Masse haben, können sie auch bei sehr hohen Stoßbelastungen brechen.

Bild 3 zeigt einen Vergleich des Phasenrauschens bei MEMS- und Quarzkristall-Oszillatoren. MEMS lassen sich zwar in Bezug auf die Stabilität sehr präzise fertigen, können aber in Bezug auf statisches Phasenrauschen, Jitter und einige andere Kurzzeitstabilitätsparameter nie so gut sein wie ein Quarz. Ein Vorteil von Quarzkristalloszillatoren ist ihr viel höherer Q-Faktor (Güte), der zu geringerem Phasenrauschen und weniger Jitter führt.

Bild 3: Vergleich des Phasenrauschens zwischen einem Quarzkristall-Oszillator (blau) und zwei gleichwertigen MEMS-Oszillatoren (rot und grün).
Bild 3: Vergleich des Phasenrauschens zwischen einem Quarzkristall-Oszillator (blau) und zwei gleichwertigen MEMS-Oszillatoren (rot und grün).

Was ist Jitter und welche Arten von Jitter gibt es?

Jitter ist ein Maß für die Schwankung der Periode eines realen Taktsignals im Verhältnis zu seinem Idealwert und wird in Sekunden gemessen. Jitter kann in zwei Formen auftreten: zufällig oder deterministisch. Zufälliger Jitter wird durch elektrisches Rauschen verursacht, das in elektronischen Komponenten vorhanden ist. Im Allgemeinen ist er jedoch so gering, dass er die Leistung der Schaltung nicht beeinträchtigt. Deterministischer Jitter tritt in der Regel wiederkehrend auf und kann entweder als periodisch oder datenabhängig eingeordnet werden. So ist beispielsweise Jitter, der durch ein Schaltnetzteil verursacht wird, periodisch, da er der verwendeten Schaltfrequenz entspricht. Datenabhängiger Jitter kann entweder periodisch oder aperiodisch sein und wird durch die wechselnden Taktzyklen und unregelmäßigen Taktflanken eines kodierten seriellen Datenstroms in Ethernet- oder PCIe-Systemen verursacht.

Datenabhängiger Jitter lässt sich oft nur schwer zurückverfolgen, da er systemabhängig ist. Jitter wird in der Regel in drei Kategorien klassifiziert: absolut, periodisch und Zyklus-zu-Zyklus. Absoluter Jitter wird auch als Zeitintervallfehler (JTIE) bezeichnet und ist der zeitliche Unterschied zwischen der Vorderflanke eines realen Taktes und seinem theoretisch berechneten Wert. Periodischer Jitter (Jper) ist die Differenz zwischen der längsten und der kürzesten Dauer einer Taktperiode über eine feste Anzahl von Zyklen (Bild 3). Demgegenüber ist der Zyklus-zu-Zyklus-Jitter (Jcc) die maximale Differenz zwischen aufeinanderfolgenden Taktperioden, gemessen über eine feste Anzahl von Zyklen.

Die verbesserte Phasenrausch- und Jitter-Performance von MEMS geht immer mit einem noch höheren Stromverbrauch einher. Quarzoszillatoren sind effizienter und zuverlässiger als MEMS-Oszillatoren, deren komplexe Schaltungen mehr Strom verbrauchen und zu langsameren Anschwingzeiten führen können. Außerdem können Quarztaktgeber höhere Strahlungsdosen überstehen, da MEMS-Oszillatoren eine strahlungsempfindliche Phasenregelschleife (PLL) enthalten.

Bild 4: Vergleich der Frequenzstabilität von Quarzkristall- und MEMS-Oszillatoren.
Bild 4: Vergleich der Frequenzstabilität von Quarzkristall- und MEMS-Oszillatoren.

Temperaturstabilität von Oszillatoren

Bilder 4 und 5 veranschaulichen die Gründe für die wichtigsten Kompromisse zwischen MEMS- und Quarzoszillatoren. Bild 5 zeigt das Frequenz-/Temperaturverhalten typischer Quarzoszillatoren im Vergleich zu vergleichbaren MEMS-Bauelementen. Der erste Eindruck aus dieser Abbildung könnte sein, dass MEMS-Oszillatoren tatsächlich ein besseres Frequenz-/Temperaturverhalten aufweisen.

Bei näherer Betrachtung zeigt Bild 5 jedoch, dass die MEMS-Oszillatoren im Laufe der Zeit Frequenzsprünge aufweisen, wenn das Teilungsverhältnis zum Ausgleich von Temperaturänderungen geändert wird. Der Quarzkristall mit hoher Güte Q sorgt für eine inhärent stabile und glatte Kurve.

Bild 5: Die Frequenzstabilität von MEMS weist im Gegensatz zu Kristallen Frequenzsprünge auf.
Bild 5: Die Frequenzstabilität von MEMS weist im Gegensatz zu Kristallen Frequenzsprünge auf.

Was bedeutet der Q-Faktor bei Quarzoszillatoren?

Der Q-Faktor (auch Gütefaktor genannt) ist eine wichtige Kenngröße von Quarz-Oszillatoren. Er gibt das Verhältnis zwischen der Energie, die im Schwingkreis gespeichert wird, und der Energie, die pro Schwingungsperiode verloren geht, an. Ein hoher Q-Faktor bedeutet, dass der Schwingkreis eine große Menge an Energie speichern kann und dass der Oszillator somit stabilere und genauere Schwingungen erzeugen kann.

Im Quarz-Oszillator ist der Quarzkristall das Herzstück des Schwingkreises. Der Quarzkristall hat einen sehr hohen Q-Faktor, der in der Regel zwischen 10.000 und 100.000 liegt. Durch den Einsatz eines Quarzkristalls als Schwingelement kann der Q-Faktor des Oszillators erheblich verbessert werden, was zu einer höheren Stabilität und Genauigkeit der erzeugten Schwingungen führt.

In der Regel wird der Q-Faktor bei Quarz-Oszillatoren als Maß für die Qualität des Quarzkristalls und der Schaltung betrachtet. Je höher der Q-Faktor des Quarz-Oszillators ist, desto besser ist die Qualität des Oszillators und desto stabiler sind die erzeugten Schwingungen.

Der MEMS-Resonator lässt sich digital korrigieren, um eine nahezu beliebige Stabilität zu erreichen – allerdings auf Kosten eines höheren Stromverbrauchs. Und es wird immer viele Mikrofrequenzsprünge in jedem kurzfristigen Zyklus geben, die digital auf das gewünschte Stabilitätsniveau zurückkorrigiert werden müssen. Die Kurve ist also nicht glatt, sondern weist eine große Anzahl kleiner Frequenzsprünge auf, die auf das durch die digitale Korrektur verursachte Dithering zurückzuführen sind. Wird mehr Leistung verwendet, kann das Dithering reduziert, aber nicht eliminiert werden. So haben MEMS-Taktgeber ein schlechteres Phasenrauschen und Jitter als Quarzkristall-Oszillatoren.

Herstellung und Kosten

MEMS-Uhren bieten gegenüber Quarzoszillatoren mehrere Vorteile hinsichtlich Kosten, Produktionsvolumen und Vorlaufzeit. Da Quarzkristall-Oszillatoren von Natur aus „maßgeschneidert“ sein müssen, lassen sich MEMS-Uhren in der Regel viel billiger und schneller herstellen. Außerdem werden MEMS mit Hilfe von Halbleiterfertigungsverfahren in sehr großen Mengen hergestellt.

Daher kommen in Anwendungen, die das gute Phasenrauschen und den geringen Jitter von Quarz nicht benötigen, den höheren Stromverbrauch tolerieren können und keiner Strahlung ausgesetzt sind, oft die viel preiswerteren MEMS zum Einsatz.

Fazit

Beide Oszillator-Technologien haben ihren Platz in der Zukunft. Alles in allem weisen MEMS-Oszillatoren bereits eine sehr gute Leistung auf und stellen einen äußerst wertvollen technologischen Fortschritt dar, der weiter verbessert wird. Sie werden in hochvolumigen, kostengünstigen Taktanwendungen dominieren, vor allem in der Automobilindustrie, wo geringes Phasenrauschen nicht wichtig ist.

Quarzkristalloszillatoren ihrerseits werden weiterhin bei Raumfahrtanwendungen (wo der Einsatz von MEMS nicht möglich ist) sowie bei HF- und Mikrowellenanwendungen, Radar und anderen rauschempfindlichen Schaltungen dominieren. (na)

Ron Stephens

Chief Operating Officer bei Q-Tech