Elektrische Sicherheitsprüfungen in der Produktion

Sicherheitsstandards treiben den Einsatz multifunktionaler Testgeräte voran

Veröffentlicht Geändert
bild-1-schlsselfertige-lsung-300dpi.jpg

Ein allgemeiner Trend der letzten Jahre ist bei elektrischen Sicherheitsprüfungen von Leiterplatten die strengere Prüfung in der Produktionslinie. Getrieben wird diese Entwicklung von den Produktherstellern, die bei Risikoanalysen für Produktmontageprozesse feststellen, dass zur Risikominderung zusätzliche Sicherheitstests erforderlich sind. Hintergrund dafür sind wiederum zunehmende Sicherheitsstandards für elektronische Produkte.

Normalerweise werden routinemäßig nur dielektrische Spannungsfestigkeits- und Durchgangsprüfungen zu 100 % in der Produktionslinie durchgeführt. Gerätehersteller geben diese Praxis zunehmend auf und führen weitere Tests durch. So werden die neuen Generationen von Testsystemen für Produktionslinien denen für Laborbereiche immer ähnlicher. Folglich müssen die herkömmlichen Labortestverfahren optimiert werden, um sie effizient in automatisierte Umgebungen integrieren zu können.

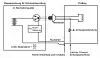
Bild 1: Automatisierte, schlüsselfertige Systemlösung für elektrische Sicherheitsprüfungen in der Produktionslinie mit dem Testsystem Omnia 2, Scanner SC6540 und Stromquelle aus der 7000er Serie von Associated Power Technologies (APT).
Bild 1: Automatisierte, schlüsselfertige Systemlösung für elektrische Sicherheitsprüfungen in der Produktionslinie mit dem Testsystem Omnia 2, Scanner SC6540 und Stromquelle aus der 7000er Serie von Associated Power Technologies (APT).alle Bilder Associated Research

In jüngster Zeit schließen multifunktionale Sicherheitstestgeräte (Bild 1) diese Lücke. In der Vergangenheit gehörten zu einem Testaufbau vielleicht ein Trenntransformator, ein Hochspannungstester sowie ein Durchgangs- und ein Leckstrom-Messgerät. In den neuen Produktionssystemen dagegen sind alle Funktionen integriert. Damit wird ein automatisiertes Setup möglich, bei dem Bedienerfehler eliminiert werden und die Testintegration vereinfacht wird. Der Benutzer kann nun alle Testdaten mit einem einzigen Instrument erzeugen, ausführen und abspeichern.

Risikoanalyse spielt Schlüsselrolle für elektrische Sicherheitstests

Die Risikoanalyse wird für Hersteller, die Sicherheitsstandards für ihre Produkte einhalten müssen, immer wichtiger. Sie spielt eine Schlüsselrolle bei der Entscheidung, ob ein elektrischer Sicherheitstest in der Produktion durchgeführt werden soll. Nehmen wir an, dass der Hersteller eines Pulsoximeters für seine Geräte eine Risikoanalyse durchführt. Dabei wird festgestellt, dass bei bestimmten Oximetern bei einer Unterbrechung des Nullleiters hohe Leckströme auftreten. Der gemessene Leckstrom erreicht nahezu den zulässigen Maximalwert von 10 mA. Um sicherzugehen, dass bei keinem Gerät höhere Werte als 10 mA auftreten, entscheidet sich der Hersteller, bei allen Oximetermodellen eine Leckstromprüfung in der Produktionslinie durchzuführen.

Der zusätzliche Test stellt für Hersteller eine besondere Herausforderung dar. Es muss ein Testsystem implementiert werden, das eine komplexe Testreihe ausführen kann, aber das Testen einfach und effizient gestaltet. Multifunktionale Testsysteme können eine Lösung für dieses Problem bieten.

Sicherheitsstandards, die letztlich die elektrischen Sicherheitstests befördern, sind beispielsweise die IEC 61010-1 (Sicherheitsbestimmungen für elektrische Mess-, Steuer-, Regel- und Laborgeräte); sie wurde im Jahr 2010 in der 3. Ausgabe dem Abschnitt 17 – der Risikoanalyse – neu hinzugefügt, um Szenarien abzudecken, die in der Basisrichtlinie nicht berücksichtigt waren. Der Standard für medizinische elektrische Geräte, IEC 60601-1, beinhaltet in der 3. Ausgabe die Norm ISO 14971 (Medizinprodukte – Anwendung des Risikomanagements auf Medizinprodukte) als normativen Verweis.

Allgemeine elektrische Sicherheitsprüfungen

Tabelle 1: Allgemeine Parameter für die Hochspannungsprüfung.
Tabelle 1: Allgemeine Parameter für die Hochspannungsprüfung.

Elektrische Geräte durchlaufen rigorose Testreihen, damit ihre Sicherheit gesichert ist. Darunter fallen die Schutzerde- oder PE-Prüfung, die Spannungsfestigkeits- oder Hochspannungsprüfung (auch als Hipot-Test bezeichnet) sowie die Leckstrom-Prüfung. All diese Prüfungen haben bestimmte Parameter, um unterschiedliche Probleme bei Geräten zu erkennen. In Tabelle 1 sind allgemeine Einstellungen für die Hochspannungsprüfung aufgeführt, die von unterschiedlichen Sicherheitsnormen gefordert werden.

Einsatz und Durchführung einer Schutzerde-Prüfung

Die Schutzerde- oder PE-Prüfung wird eingesetzt, um die Integrität des Schutzleiters bei elektrischen Geräten zu überprüfen. Der Schutzleiter muss alle Leckströme handhaben können, denen er eventuell durch einen Produkt- oder Isolierungsdefekt ausgesetzt wird. Wenn ein Pfad mit niedriger Impedanz gegen Masse vorhanden ist, lassen sich Schutzeinrichtungen wie beispielsweise Sicherungen oder Schutzschalter einsetzen, die zu einer Trennung führen, wenn ein Fehlerstrom auftritt. Damit dieses Schutzsystem effizient arbeitet, muss ein Durchgang zwischen leitenden Bauteilen und dem Erdungsanschluss des Produkts vorhanden sein.

Bild 2: Ersatzschaltbild für die Schutzerde-Prüfung.
Bild 2: Ersatzschaltbild für die Schutzerde-Prüfung.

In Bild 2 ist ein Ersatzschaltbild für eine Schutzerde-Prüfung dargestellt. Zunächst wird Strom am Erdungsanschluss des Produkts eingespeist. Danach wird nach einer Rückleitung über das Chassis oder über nicht unter Strom stehende, offenliegende Metallteile gefahndet. Gleichzeitig muss das Messgerät den Spannungsabfall über die Erdungsverbindung erfassen, damit sich die Impedanz des Schaltkreises berechnen lässt. Normalerweise liegen die Testparameter für die Schutzerde-Prüfung im Bereich von 10 – 40 A beim Strom, bei einer maximalen Impedanz von 100 – 200 mΩ und einem Spannungsabfall, der nicht höher als 6 – 12 V sein darf.

Einsatz und Durchführung einer Spannungsfestigkeit-Prüfung

Bei der Spannungsfestigkeit-Prüfung (auch als Hochspannungsprüfung oder Hipot-Test bezeichnet) handelt es sich um eine elektrische Sicherheitsprüfung, die die Isolierung von Geräten höheren Belastungen aussetzt, als sie im normalen Betrieb auftreten. Hierbei wird davon ausgegangen, dass ein Gerät, das für kurze Zeit eine Hochspannung verkraftet, bei Nennspannung keine Gefahr für den Benutzer in Form elektrischer Schläge darstellt.

Bild 3: Ersatzschaltbild für die dielektrische Hochspannungsprüfung: Kapazität C des Geräts, Isolierungswiderstand RL und minimaler Kontaktwiderstand RA.
Bild 3: Ersatzschaltbild für die dielektrische Hochspannungsprüfung: Kapazität C des Geräts, Isolierungswiderstand RL und minimaler Kontaktwiderstand RA.

Der Hipot-Test ist eine äußerst vielseitige elektrische Prüfung. Er spürt Schwachpunkte bei der Isolierung auf, misst übermäßige Leckströme, findet Herstellungsfehler wie beispielsweise punktförmige Löcher und Kratzer sowie fehlerhafte Abstände zur Bezugsmasse und erkennt Degenerationserscheinungen aufgrund von Umweltbedingungen. Sicherheitsagenturen verlangen im Allgemeinen, dass die Spannungsfestigkeitsprüfung zu 100 % in der Produktionslinie durchgeführt wird.

Beim Hipot-Testverfahren wird eine Hochspannung an den stromführenden Leitern angelegt, wobei die Rückleitung über ein leitfähiges Chassis erfolgt. Das Hochspannungstestgerät misst den auftretenden Leckstrom, der durch die Isolierung fließt. Die für den Hipot-Test definierten Spannungen unterscheiden sich je nach Norm, aber eine häufig eingesetzte Formel verwendet für diese Prüfung die doppelte Nennspannung des Gerätes plus 1.000 V: Der Schaltkreis der Hochspannungsprüfung lässt sich als Ersatzschaltbild, bestehend aus Kapazität (C) des Geräts, Isolierungswiderstand (RL) und einem minimalen Kontaktwiderstand (RA) darstellen (Bild 3).

Einsatz und Durchführung der Leckstrom-Prüfung

Tabelle 2: Die Messung bei der Leckstromprüfung ist abhängig davon, wie die Isolierung im Gerät beschaffen ist.
Tabelle 2: Die Messung bei der Leckstromprüfung ist abhängig davon, wie die Isolierung im Gerät beschaffen ist.

Die Leckstrom-Prüfung wird eingesetzt, um unerwünschte Leckströme zu messen, die bei Betrieb über die Isolierung eines Geräts fließen. Durch diese Prüfung wird sichergestellt, dass beim Gerät nur minimale Leckströme auftreten, die keine Gefahr eines elektrischen Schocks darstellen. Die Messung bei der Leckstromprüfung hängt davon ab, wie die Isolierung im Gerät beschaffen ist (Tabelle 2).

Die Leckstrom-Prüfung wird bei unterschiedlichen Fehlerbedingungen gemessen (siehe Bild 3, Leckstrom-Schaltung: Unterbrechung Nullleiter, Polaritätsumkehr und Unterbrechung Masse). Der Leckstrom wird mithilfe einer Messeinrichtung (engl. Measuring Device, MD) erfasst, welche die Impedanz des menschlichen Körpers simuliert. Abhängig von der Produktsicherheitsnorm werden verschiedene Messeinrichtungen eingesetzt. In Bild 4 sind eine Schaltung für die Leckstrom-Messung und unterschiedliche Messeinrichtungen dargestellt.

Damit sollen die Worst-Case-Szenarien simuliert werden, die beim Betrieb elektrischer Geräte auftreten könnten. Sind die gemessenen Leckströme so niedrig, dass kein Risiko eines elektrischen Schlags besteht, dann stellt das Produkt keine Elektroschockgefahr für den Benutzer dar. Schalter S1 simuliert eine Unterbrechung des Nullleiters, Schalter S2 simuliert eine Polaritätsumkehr und Schalter S3 eine Unterbrechung der Masseleitung. Wird das elektrische Gerät unter Fehlerbedingungen getestet, lässt sich simulieren, wie hoch der Leckstrom maximal wird, dem eine Person ausgesetzt würde.

Bild 4: Leckstrom-Schaltung und Messeinrichtungen.
Bild 4: Leckstrom-Schaltung und Messeinrichtungen.

Die Parameter für die Netzspannung sind je nach Sicherheitsnorm unterschiedlich. Leckstrom-Prüfungen, die die Norm 60601-1 (3. Ausgabe) für medizinische Geräte erfüllen, müssen beispielsweise mit einer Netzspannung von 110 % durchgeführt werden. Dabei muss die Messeinrichtung 60601-1 verwendet werden (siehe Bild 4), und das Produkt muss unter den oben beschriebenen Fehlerbedingungen getestet werden. Annehmbare Leckstromwerte liegen im Bereich zwischen 10 µA und 10 mA.

Vollautomatische Multifunktions-Testsysteme

Associated Research hat mehrere Multifunktions-Testsysteme entwickelt, die Schutzerde-, Hipot- und Leckstrom-Messungen in einem gemeinsamen Testaufbau durchführen; die Geräte werden über LXinstruments in Sindelfingen vertrieben. In den Bildern 5 und 1 sind zwei unterschiedliche Testaufbauten dargestellt.

In Bild 5 sind ein Messgerät des Typs Omnia 8207, eine 1 kVA-Stromquelle aus der 7000er Serie von Associated Power Technologies und die Autoware-3-Instrumentensteuerungssoftware dargestellt. Mit diesem System sind folgende Prüfungen durchführbar: AC Hipot (5.000 VAC bei 40 mA), DC Hipot (6.000 VDC bei 20 mA), Isolierungswiderstand (6.000 VDC bei 50 GΩ), Schutzerde (40 AAC), Erdschluss (0,1 – 1 ADC, 0 – 10 kΩ), Funktionstest (0 – 277 VAC, integrierte 500 VA-Stromversorgung) und Leckstrom-Prüfung (0 – 277 VAC, Leckstrom bis zu 20 mA). Die Autoware-3-Steuerungssoftware ermöglicht die komplette Fernsteuerung des Geräts, einschließlich Programmierung der Testparameter, Aufzeichnung von Daten sowie Ausdruck von Testdateien und Daten.

Bild 5: Omnia 8207 Multifunktionsinstrument, APT 1kVA Stromquelle und die Instrumentensteuerungs-Software Autoware 3.
Bild 5: Omnia 8207 Multifunktionsinstrument, APT 1kVA Stromquelle und die Instrumentensteuerungs-Software Autoware 3.

Der Gerätehersteller hat eine Reihe von Hochspannungs- und Hochstrom-Scannern mit Multiplex-Funktion entwickelt, die in die Testgeräte integrierbar sind. Damit wird eine automatisierte Prüfung an mehreren Punkten möglich. Mit den Scannern der Serie SC6540 lassen sich Hipot-, Schutzerde- und Leckstrom-Prüfungen durchführen. Damit steht ein vollautomatisches Testsystem zur Verfügung. In Bild 1 ist ein automatisiertes System dargestellt, bei dem der Scanner (SC6540) mit einer integrierten Sicherheitskabine für den Prüfling kombiniert ist. Damit erhält man einen Arbeitsplatz mit hoher Bediener-Sicherheit.

Automatisierte, multifunktionale Lösungen für die Prüfung der Einhaltung von Sicherheitsstandards werden oft mit Sicherheitstestkabinen kombiniert, um eine optimale Sicherheit für den Bediener sicherzustellen. In Kombination mit Automatisierungssoftware können alle Testergebnisse dokumentiert werden, sodass eine vollständige Nachvollziehbarkeit möglich ist. Die Produkte von Associated Research und Associated Power Technologies verfügen über auf Ethernet-basierende Programmierschnittstellen. Diese ermöglichen einen guten Zugriff für die Programmierung und die Wartung, auch an weit entfernten Produktionsstätten.

(dw)

Auf einen Blick

Automatisierte, multifunktionale elektrische Testsysteme für die Prüfung der Einhaltung von Sicherheitsstandards stellen eine Neuentwicklung in der Testindustrie dar. Sie folgen damit den wachsenden Anforderungen an die Produktsicherheit, die durch strengere Normen und Standards gesetzt werden. So kommen beispielsweise Risikoanalysen für Produktmontageprozessen zu dem Ergebnis, dass zur Risikominderung zusätzliche Sicherheitstests erforderlich sind. Darunter fallen die Prüfung der Schutzerde, der Spannungsfestigkeit (Hipot-Test) sowie des Leckstroms. Damit entwickelt sich auch der Markt für entsprechend automatisierte Multifunktionstester in der Produktionslinie. Die von Associated Research entwickelte Prüf- und Messtechnologie unterstützt die Hersteller mit ihrem intuitiven Testsystem-Design bei Prüfung ihrer Produkte.

Nicholas Piotrowski

ist technischer Projektleiter bei Associated Research.
nick-piotrowski-bild.png

Klaus Diederich (Co-Autor)

ist im Vertrieb bei LXinstruments tätig.

(dw)

Unternehmen