Sense the storm

Blitzdetektoren schützen Menschenleben

Veröffentlicht Geändert

Gewitter und Blitze sind faszinierend – aber sie sind gefährlich für Leib und Gut. Deshalb ist es sinnvoll, sie rechtzeitig zu erkennen, um sich zu schützen und für Geräte und Anlagen entsprechende Maßnahmen zu ergreifen. Ein winziger Gewittersensor-IC bietet jetzt völlig neue Einsatzmöglichkeiten.

34211.jpg
Gewitter und Blitze sind faszinierend – aber sie sind gefährlich für Leib und Gut.
34213.jpg
BLIDS-Blitzstatistik 2010, der blitzreichste Monat ist der Juli.
34214.jpg
Blitzstatistik 2011, seit Juli 2011 arbeitet BLIDS mit einer verbesserten Wolke-zu-Wolke- Blitz-Registrierung. Die Zahlen in den violetten Balken sind mit den Vorjahren vergleichbar.
34215.jpg
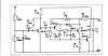
Geradeausempfänger für 355 kHz. Bei La1 und La2 angeschlossene HB-LED oder 2,5 V- Glühbirne zeigen je nach Helligkeit herannahende Gewitter.
34216.jpg
Die vom Spannungsteiler R2 bis R5 geteilte Spannungen am Eingang dieses Gewittermelders schalten je nach Höhe die Flip-Flops, deren Ausgang LEDs ansteuern, die die Entfernung zum Gewitter angeben.
34217.jpg
Blockschaltbild des AS3935 mit dem Analog Frontend, dem Register, dem Lighting Algorithmus, der Takterzeugung und der digitalen Kommunikation.
34218.jpg
Links das Lightning-Emulator-Board mit Sendeantenne (Spule) und rechts das Franklin- Lightning-Sensor-Board mit der SMD-Empfangsantenne (weiß), daneben der winzige Blitzsensor-IC AS3935. Das Display zeigt ein herannahende Gewitterfront in 6 km Entfernung.

Innerhalb von Wolken findet eine Verschiebung der elektrischen Ladungen statt. Damit baut sich je nach Wetterlage ein Spannungspotenzial auf. Ist dieses hoch genug, wird es ausgeglichen und es blitzt. Dabei gibt es Blitze zwischen Wolken und zur Erde. Ein Wolke-zu-Erde-Blitz entsteht ab einer Mindestspannung von einigen 100 Millionen Volt bis 1 GV. Die Erd-Blitzströme erreichen Werte bis zu einigen kA, die Blitzdauer liegt im Mikrosekundenbereich. Wolke-zu-Wolke-Blitze entstehen bei niedrigeren Spannungen, der Blitzstrom erreicht hier nur einige 100 A. Blitze senden neben akustischen Schallwellen, dem Donner, auch elektromagnetische Signale in Form von Licht und Radiowellen aus. Diese elektromagnetischen Wellen können mit entsprechenden Sensoren, auf die im Folgenden eingegangen wird, detektiert und für Gewitterwarnungen herangezogen werden. Die Anzahl der Blitze, die in Deutschland niedergehen und die von Wolke zu Wolke springen, lag 2010 bei exakt 1.349.049. Dabei war der blitzreichste Monat der Juli mit 686.000 Blitzen (Bilder 1 und 2). Die Zahlen stammen von BLIDS, dem kommerziellen Blitz-Informationsdienst von Siemens.

Kommerzielle Blitz-Detektion

In Deutschland und der Schweiz gibt es das Blitzortungssystem von Siemens, das BLIDS. Der Blitz-Informationsdienst von Siemens nutzt über 145 verbundene Messstationen in Europa. Auf Basis des 1999 gegründeten zentraleuropäischen, und weltweit einzigartigen, Netzwerkverbundes Euclid, zu dem BLIDS gehört, werden Gewitterblitze landesweit auf bis zu 200 m genau geortet. Der Auswertebereich von Euclid gehtvon 5,5 bis 15,5° Ost (von der Biscaya bis Warschau) und von 47 bis 55° Nord (von Sizilien bis Nordnorwegen). Um Mensch und Maschine vor Gewittern zu schützen, werden die registrierten Blitze sofort analysiert und umgehend Warnhinweise an sogenannte „Gewitteralarm-Kunden“ gesendet, zum Beispiel: „Gewitter in 15 km Umkreis“.

Auf einen Blick

Der AS3935 im 16LD MLPQ mit nur 4 x 4 mm2 bietet aufgrund des winzigen Gehäuses (linker IC auf dem Sensorboard, Bild 6) und der Flexibilität bei der Parameterfestlegung völlig neue Anwendungsgebiete. Damit ermöglicht er zusätzliche Sicherheit in vielen Geräten, die für sportliche Tätigkeiten im Freien genutzt werden und wo Personen besonderen Blitzgefahren ausgesetzt sind, so zum Beispiel im Handy, in Sportuhren/Pulsmessern, Navigationsgeräten, Golfausrüstungen, am Swimmingpool und so weiter . Auch werden die Wetterstationen für den Hausgebrauch künftig eine Blitzwarnung abgeben und selbst in kommerziellen Geräten wie in Empfangsanlagen/Kopfstationen, in USVs macht der Einsatz Sinn.

Ein Gewitterdetektor misst die Amplitude von Hochfrequenzwellen einer bestimmten Frequenz. Aufgrund einer schnellen und intensiven Änderung des Messwertes kann durch entsprechende Signalaufbereitung auf einen Blitz geschlossen werden. Ein Blitz sendet ein breites Spektrum an Frequenzen aus. Gemessen wird normalerweise unter 1 MHz, da dort die erzeugten Feldstärken am größten sind. Beim Siemenssystem liegt die Messfrequenz zwischen 200 bis 500 kHz bei Frequenzen, die nicht von Funkdiensten belegt sind (Rundfunk, Flugfunk). Der Siemens-Dienst ist kostenpflichtig, gratis dagegen die Website www.blitzortung.org, ein von Amateuren betriebenes Blitzortungssystem. Für die kommerzielle Erfassung und Auswertung von Blitzeinschlägen steht neuerdings das Lightning-Monitoring-System LM-S von Phoenix Contact zur Verfügung. Es besteht im Wesentlichen aus einer Auswerteeinheit und einem Sensor, der auf die Ableitung einer Blitzschutzanlage montiert ist. Das LM-S nutzt den Faraday-Effekt beziehungsweise den magneto-optischen Effekt, um Größe und Flussrichtung von Blitzstoßströmen zu analysieren, die in der Blitzableitung auftreten. Die Signalübertragung zwischen Sensor und Auswerteeinheit erfolgt störungsfrei mit einem Lichtwellenleiter. Damit steht an der Elektronik der Auswerteeinheit ein verlässliches und unter EMV-Gesichtspunkten unbedenkliches Signal zur Verfügung.

Einfache Blitzdetektoren

Um herannahende Gewitter zu erkennen, reicht es im einfachsten Fall den Langwellenbereich eines Radios einzuschalten. Blitze erzeugen ein breites Frequenzspektrum. Geht man auf eine nicht von einem Rundfunksender belegte Frequenz, ist das charakteristische Knacken zu hören. Die Annäherung des Gewitters lässt sich auf diese Weise nicht gut beurteilen, da die automatische Verstärkungsregelung des Radios (AGC) das Knacken in gleichbleibender Lautstärke wiedergibt. Geht man allerdings auf die Frequenz eines Rundfunksenders, und das Knacken übertönt diesen, ist das Gewitter bereits sehr nahe.

Da aber das Radio nicht immer eingeschaltet ist, wurden einfache Gewitterdetektoren entwickelt, die eine akustische oder optische Warnung ausgeben, wenn das Gewitter mit den menschlichen Sinnen noch nicht direkt wahrgenommen werden kann. Im einfachsten Fall ist das ein Dipol mit symmetrischer Ableitung gegen Erde. Eine Glimmlampe zwischen den beiden Drähten der Ableitung zeigt herannahende Gewitter an, ein Piezo-Lautsprecher unterstützt dies akustisch. Je länger die Dipolhälften sind, umso früher wird ein Gewitter signalisiert.

Ein DMM kann auch zur Gewitterwarnung herangezogen werden. Die meisten Multimeter haben einen kleinsten Messbereich von 100 oder 200 mV bei einem Eingangswiderstand von 10 MOhm. Somit fließt bei Endausschlag ein Strom von 10 oder 20 nA. Wird das Potenzial gegen Erde aus etwa 5 Meter Höhe gemessen, erfolgt bei Annäherung einer Gewitterfront eine Anzeige. Hat das DMM zusätzlich eine Analogskala, lässt sich der entsprechende Zeigerausschlag als Indiz für ein nahendes Gewitter heranziehen.

Aktive Blitzdetektoren

Empfindlicher als die einfachen Blitzdetektoren sind jedoch aktive Empfänger wie der in Bild 3 gezeigte Geradeausempfänger, abgestimmt auf 335 kHz und mit einem dreistufigen Impulsverstärker. Nahende Gewitter werden mittels einer Glühbirne oder einer High-Brightness-LED angezeigt. Der im Bild 4 dargestellte Gewittermelder unterscheidet Spannungen bis 1,3 kV/m und solche bis 13 kV/m und zeigt diese mittels zweier LEDs an. So ist es möglich, auf ferne oder nahe Gewitter zu schließen. Für den Privatgebrauch gibt es auch komplette Geräte wie den Personal Lightning Detector Strike Alert (dieser erfasst Gewitter ab 40 km mit Peilung) oder von Boltek die Modelle LD-250 und LD-350 sowie den Storm Tracker, der in Verbindung mit einem PC arbeitet. Die Boltekgeräte erfassen Gewitter bereits ab 300 Meilen (etwa 200 km) und geben eine genaue Peilung an.

Der Lightning-Sensor-IC AS3935

Der IC AS3935 von AMS ist ein programmierbarer Blitzsensor-IC, der Blitze und deren Annäherung ab einer Entfernung von 40 km detektiert. Er misst die Strecke zur Blitzfront ab 40 km bis 1 km in 14 Stufen und erkennt auch Wetterleuchten. Um man-made-Noise zu unterdrücken, prüft der Embedded-Lightning-Algorithmus im IC das empfangene Signalmuster. Damit ist der IC in der Lage, Interferenzen und Störaussendungen zum Beispiel von Neonröhren, Sparlampen, Motoren, Mikrowellenherden oder Schaltern und so weiter zu unterdrücken.

Der AS3935, dessen Blockschaltbild in Bild 5 gezeigt wird, liefert auch Informationen über den Rauschpegel und kann diese an eine externe Einheit (zum Beispiel einen Mikrocontroller) weitergeben. Der über 4-Draht-Standard-SPI oder I²C (vier verschiedene Adressen sind möglich) steuerbare IC ermöglicht die Konfiguration für den Betrieb im Freien oder in geschlossenen Räumen. Hierzu muss lediglich die entsprechende Verstärkung in einem Register geändert werden. Die Abstimmung der Resonanzfrequenz der erforderlichen externen Antenne erfolgt automatisch durch den „automatic antenna tuning“-Algorithmus, um den Einfluss externer Komponenten beziehungsweise Umwelteinflüsse, wie Temperaturschwankungen, zu kompensieren. Die Versorgung des ICs im Bereich 2,4 bis 5,5 V erfolgt über einen internen Spannungsregler oder direkt über VDD. Folgende Betriebsarten sind möglich: Power-down, Lauschen und aktiv.

Evaluationboards unterstützen Design-In

Für die Evaluation des Bausteins gibt es zwei Boards (Bild 6): Das Franklin-Lightning-Sensor-Board (mit dem IC, einer Antenne, dem LC-Display, einem USB-Anschluss und einer Knopfzelle als Stromversorgung) und das Lightning-Emulator-Board, ein Sender für die Simulation von Blitzereignissen.

Auf dem Lightning-Emulator-Board gibt es drei Taster für drei Entfernungsstufen „Far Strike“, „Mid Strike“ und „Close Strike“, die Blitze emulieren, die vom Sensorboard erkannt, ausgewertet und angezeigt werden. Zusätzlich ertönt ein akustischer Alarm. Der Lighting-Emulator kann auch einen Störer sowie Rauschen emulieren, dies wird ebenfalls vom Sensor erkannt und angezeigt. Auf dem Emulator befindet sich für die Signalerzeugung ein 16-Bit-Flash-µC-PIC24FJ16 und der 8-Kanal-8-Bit ADC AS1504 von AMS. Die Sendeantenne ist eine 40-µH-Spule auf Ferritkern.

Das Sensorboard mit dem AS3935, dem PIC16 16-Bit-Flash-µC, der winzigen Coilcraft-SMD-Antenne MA5532-AE für den Empfang, dem Buzzer und Taster sowie einem Einschalter kann über USB an einen PC angeschlossen werden. Mit einer Knopfzelle arbeitet das Board auch autonom.

Für erste Versuche sind Lightning-Emulator-Board und Franklin-Lightning-Sensor-Board im Abstand von etwa 10 cm und Antenne zu Antenne zu platzieren. Nach dem Einschalten des Boards wird die Antenne mittels internem Kapazitätsarray automatisch auf 500 kHz abgestimmt und Resonanzfrequenz sowie Kapazitätswert werden am LCD angezeigt. Mittels Software sind über den PC folgende Parameter einstellbar: LNA (Empfindlichkeitspegel), Power down, Noise floor, Disturber, Disturber Rejection, Minimum Number of Strikes (zum Beispiel minimale Anzahl der Blitze im 15-Minutenzeitraum um Alarm auszulösen ), Oszillator (Antenne abstimmen auf 500 kHz) und mehr. Das Sensorboard erkennt Rauschen und Störer, macht auch darauf aufmerksam, da bei deren Auftreten Gewitterfronten nicht zuverlässig erkannt werden.

Siegfried W. Best

ist freier Autor.

(ah)

Unternehmen