Wandler statt Regler

Wie Wandler mit festem Übersetzungsverhältnis Power-Delivery-Netzwerke verbessern können

Veröffentlicht Geändert
Bild 4: 48V in einem älteren System: Das Vicor NBM2317 ermöglicht eine effiziente Umwandlung von 48V auf 12V oder auch umgekehrt, da es sich beim NBM um einen bidirektionalen Wandler handelt. Mit Hilfe dieser Bidirektionalität können ältere Leiterkarten in eine 48V Infrastruktur, sowie neueste GPUs in ein älteres 12V Rack eingebunden werden.

Viele Anwendungen brauchen eine geregelte DC-Versorgung, wobei häufig Point-of-Load-Regler zum Einsatz kommen. Eine Regelung ist hier aber nicht immer notwendig, denn DC-DC-Wandler mit festem Übersetzungsverhältnis können hier Vorteile erzielen.

Bild 1: Ein bidirektionaler Wandler mit festem Übersetzungsverhältnis von 1/16 als Abwärtswandler kann auch als Aufwärtswandler mit einem Faktor von 16/1 agieren.
Bild 1: Ein bidirektionaler Wandler mit festem Übersetzungsverhältnis von 1/16 als Abwärtswandler kann auch als Aufwärtswandler mit einem Faktor von 16/1 agieren.Vicor

Die überwiegende Anzahl elektromechanischer oder halbleiterbasierter Lasten benötigen eine geregelte DC-Versorgung, um zuverlässig zu funktionieren. Hierfür kommen häufig Point-of-Load-Regler zum Einsatz, die für eine stabile Funktion sorgen, indem sie sowohl minimale als auch maximale Eingangsspannungsbereiche definieren. Das Power-Delivery-Netzwerk (PDN) zu diesen Reglern variiert in seiner Komplexität je nach Anzahl und Art der Lasten, der gesamten Systemarchitektur, den Leistungs- und Spannungsanforderungen der Lasten, der Anzahl von Wandlerstufen sowie den Anforderungen an Isolation und Regelgenauigkeit. Viele Entwickler von Stromversorgungssystemen betrachten DC-DC-Wandler als wesentliches Element in ihrem Gesamtsystem. Man sollte aber bedenken, dass eine Regelung nicht immer notwendig ist, um einen PoL-Regler mit der benötigten Spannung zu versorgen oder eine entsprechende Busspannung in einem Zwischenkreis zu erzeugen. Entwickler sollten daher auch die Möglichkeit in Betracht ziehen, DC-DC-Wandler mit einem festen Übersetzungsverhältnis einzusetzen. Dies kann deutliche Vorteile für die Eigenschaften des gesamten Stromversorgungssystems bringen.

Wie sich ein Power-Delivery-Netzwerk optimieren lässt

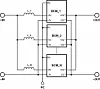
Bild 2: Für höhere Leistungen können BCM Wandler leicht parallel geschalten werden.
Bild 2: Für höhere Leistungen können BCM-Wandler leicht parallel geschalten werden.Vicor

Über die Parameter Verluste, Reaktion auf Transienten, Abmessungen, Gewicht und Kosten gemessen lässt sich die Performance eines PDNs erfassen. Wichtige Faktoren hierbei sind auch die Anzahl der im Netzwerk benötigten Wandlerstufen sowie die präzise Ausregelung von Spannungsschwankungen und Laständerungen. Um möglichst gute Eigenschaften sowie hohe Zuverlässigkeit zu erreichen, wenden Entwickler viel Zeit auf für die Optimierung der zentralen Spannungsumwandlung, der dynamischen Ausregelung sowie der Verteilung der Leistung im System.

Benötigt ein System mehrere Kilowatt an Leistung, ermöglicht ein zentrales PDN mit einer hohen Spannung die Reduzierung des Stromes auf diesem zentralen Netzwerk (P= V•I). Dies verringert Größe, Gewicht und Kosten der im Netzwerk benötigten Komponenten wie Kabel, Stromschienen sowie Strompfade auf den Leiterkarten und reduziert die Verluste (PLOSS = I2R). Es bedeutet daher einen großen Vorteil, diese hohe Spannung so nah wie möglich an die jeweiligen Lasten zu führen, wo sie dann auf niedrigere Spannungen und höhere Ströme umgewandelt wird.

Sobald jedoch ein Netzwerk mit hohen Spannungen und Leistungen möglichst nah an die Last gebracht wird, ist ein DC-DC-Wandler mit hohem Wirkungsgrad und größtmöglicher Leistungsdichte notwendig. Ist ein großer Übersetzungsfaktor von etwa einer Eingangsspannung von 800 V oder 400 V auf eine Ausgangsspannung von 48 V notwendig, bieten Wandler mit festem Übersetzungsverhältnis den besten Wirkungsgrad, da sie keine, den Wirkungsgrad negativ beeinflussende, Regelung besitzen. Zudem bieten sie aufgrund der geringeren Verluste eine höhere Leistungsdichte sowie ein einfacheres thermisches Management.

KFactor_Diagram
Bild 1: Ein bidirektionaler Wandler mit festem Übersetzungsverhältnis von 1/16 als Abwärtswandler kann auch als Aufwärtswandler mit einem Faktor von 16/1 agieren.
SimplifiedBCM_ParallelArray
Bild 2: Für höhere Leistungen können BCM-Wandler leicht parallel geschalten werden.
BCM_SeriesOutput
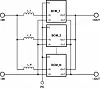
Bild 3: Die Serienschaltung der Ausgänge von BCMs für die Erzeugung höherer Spannungen bedeutet eine erhöhte Flexibilität beim Design.
Vicor-migration-48V-12V-computing
Bild 4: 48V in einem älteren System: Das Vicor NBM2317 ermöglicht eine effiziente Umwandlung von 48V auf 12V oder auch umgekehrt, da es sich beim NBM um einen bidirektionalen Wandler handelt. Mit Hilfe dieser Bidirektionalität können ältere Leiterkarten in eine 48V Infrastruktur, sowie neueste GPUs in ein älteres 12V Rack eingebunden werden.
Vicor-automotive-decentralized-archtiecture-wide-100-01
Bild 5: In einer dezentralisierten 48V Architektur werden mehrere kleinere Wandler mit geringerer Leistung direkt an der 12V Last platziert.
Vicor-case-study-tethered-drone-01-xlarge
Bild 6: Eine höhere Spannung ermöglicht dünnere Kabel, womit kabelgebundene Drohnen größere Flughöhen erreichen.

Was ist ein Wandler mit festem Übersetzungsverhältnis?

Bild 3: Die Serienschaltung der Ausgänge von BCMs für die Erzeugung höherer Spannungen bedeutet eine erhöhte Flexibilität beim Design.
Bild 3: Die Serienschaltung der Ausgänge von BCMs für die Erzeugung höherer Spannungen bedeutet eine erhöhte Flexibilität beim Design.Vicor

Ein derartiger Wandler verhält sich wie ein Transformator. Anstatt einer Wechselspannung wird jedoch eine Gleichspannung transformiert und die Ausgangsspannung ist direkt proportional zur Eingangsspannung. Wie bei einem Transformator bietet diese Schaltung keinerlei Regelung der Ausgangsspannung und das Wicklungsverhältnis bestimmt das Verhältnis von Eingangs- zu Ausgangsspannung. Dies wird auch als k-Faktor bezeichnet und bestimmt den Faktor für die Herabsetzung der Spannung. Diese k-Faktoren variieren zwischen Werten von 1 bis hoch zu 72 und sind abhängig von der PDN Architektur und den Spezifikationen der PoL-Regler. Typische PDN Spannungen reichen von Kleinspannungen (LV), über hohe (HV) bis hin zu ultra-hohen Spannungen (UHV).

Diese Wandler mit festem Übersetzungsverhältnis können sowohl isoliert als auch nicht isoliert sowie bidirektional sein und damit eine Spannungsübersetzung in umgekehrter Richtung ermöglichen. Ein bidirektionaler Übertrager mit einem Verhältnis von K=1/16 lässt sich auch als Aufwärtswandler mit einem Faktor von 16/1 einsetzen.

Die einfache Parallelschaltung für höhere Leistungen sowie die Serienschaltung mit einem anderen k-Faktor für höhere Ausgangsspannungen bedeuten eine weitere Flexibilität bei der Entwicklung.

Durch die wachsenden Leistungen in vielen Märkten und Applikationen ergeben sich weitgehende Änderungen für Power Delivery Netzwerke. So kommen etwa neue Funktionen hinzu, Eigenschaften werden verbessert und höhere Busspannungen wie 48 V finden in elektrischen, Mild-Hybrid- und Plug-In-Fahrzeugen Verwendung. 48V erfüllt den sogenannten SELV-Standard (Safety Electrical Low Voltage), den Entwickler in vielen Systemen fordern und einfache Gleichungen wie P = V•I sowie PLOSS = I2R erklären, warum Netzwerke mit höheren Spannungen effizienter sind.

Für eine gegebene Leistung ist der Strom in einem 48-V-System um den Faktor 4 kleiner als in einem 12-V-System und erzeugt damit um den Faktor 16 reduzierte Verluste. Die 48-V-Batterien in einem Hybridfahrzeug haben verglichen zu einem 12-V-System eine um den Faktor 4 höhere Leistung. Diese zusätzliche Leistung lässt sich im Antriebsstrang nutzen, um den CO2-Ausstoß und den Treibstoffverbrauch zu reduzieren, sowie neue Sicherheits- und Entertainmentfunktionen im Fahrzeug zu versorgen.

Mit der Einführung von künstlicher Intelligenz in den Racks von Datenzentren stieg die Leistung pro Rack auf über 20 kW. Damit wurde der Einsatz eines 12-V-Netzes zu aufwendig und auch ineffizient. Mit einem 48-V-Netz lassen sich die gleichen Vorteile wie bei einem Hybridfahrzeug erzielen. In beiden Bereichen kommen jedoch weiterhin herkömmliche 12-V-Lasten und 12-V-PoL-Regler zum Einsatz, um die Anzahl der Änderungen möglichst gering zu halten.

Reale Probleme durch nicht isolierte Wandler mit festem Übersetzungsverhältnis lösen

Bild 5: In einer dezentralisierten 48V Architektur werden mehrere kleinere Wandler mit geringerer Leistung direkt an der 12V Last platziert.
Bild 5: In einer dezentralisierten 48V Architektur werden mehrere kleinere Wandler mit geringerer Leistung direkt an der 12V Last platziert.Vicor

Bei 48 V handelt es sich um eine SELV-Spannung und damit ist ein nicht isolierter Wandler mit festem Übersetzungsverhältnis eine mögliche Lösung, um aus 48 V eine Spannung von 12 V Spannung zu erzeugen. Die heutzutage verwendeten PoL-Regler sind alle in der Lage, den entsprechenden Eingangsspannungsbereich abzudecken. Ein derartiger Wandler ist die effizienteste Lösung für einen Buswandler und erzeugt weniger Verluste, womit sich höhere Leistungsdichten und niedrigere Kosten erzielen lassen. Solche hohen Leistungsdichten ermöglichen neuartige, dezentralisierte Lösungen in Hybridfahrzeugen, bei denen diese nicht isolierten Wandler mit festem Übersetzungsverhältnis möglichst nahe an der Last platziert werden. Die Verteilung der Leistung im Fahrzeug kann dann bis hin zur Last mit einem kleineren und effizienteren 48-V-PDN erfolgen. In Server-Blades lassen sich diese Wandler (48 V auf 12 V) auf dem Motherboard direkt neben den Abwärtswandlern platzieren.

Bild 6: Eine höhere Spannung ermöglicht dünnere Kabel, womit kabelgebundene Drohnen größere Flughöhen erreichen.
Bild 6: Eine höhere Spannung ermöglicht dünnere Kabel, womit kabelgebundene Drohnen größere Flughöhen erreichen.Vicor

Viele KI-Beschleunigerkarten wie die SXM von Nvidia und die OAM-Karten der Mitglieder des Open Compute Project (OCP) besitzen wegen der Leistungen der KI-Prozessoren von 500 – 750 W eine Versorgungsspannung von 48 V. Damit Cloud- und Server-Anbieter diese High-Performance Karten mit einem 12-V-Netz auf den Backplanes der Racks einsetzten können, ist ein Wandler (12 V auf 48 V) notwendig. Ein nicht isolierter bidirektionaler Wandler mit einem festen Übersetzungsverhältnis von 1:4 lässt sich hier im Reverse-Betrieb als Aufwärtswandler mit einem Übersetzungsverhältnis von 4:1 einsetzen. Damit kann dieser Wandler auf den Beschleunigerkarten direkt oder innerhalb eines 12 V auf 48 V Blocks im Verteilernetz den Einsatz dieser KI-Möglichkeiten und Kapazitäten selbst in einem älteren Racksystem ermöglichen.

Phil Davies

Corporate Vice President of Global Sales and Marketing bei Vicor
Picture 048

(prm)