Messgerät-on-Chip

Single-Chip-Lösung für portable Impedanzanalysatoren

Veröffentlicht Geändert
aducm350-rgb-1860x1860-300dpi-no-title.jpg

Viele Medizingeräte messen Impedanzen, etwa um Blut zu analysieren, den Blutzucker oder die Blutgerinnung zu bestimmen oder Medikamente und Drogen aufzuspüren. Bei diesen Tests wird eine Probe auf ein Trägermaterial aufgebracht, eine Spannung angelegt und der Strom als Resultat der biochemischen Reaktion gemessen. In jeder dieser Messungen kann der ADUCM350 von Analog Devices eine wichtige Rolle spielen.

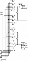
Bild 1: Das Analogfrontend des M350 teilt sich in die Signalerzeugung (obere Hälfte) und die Messeinheit (unten). Verbunden sind die Signale über eine Schaltmatrix (links).
Bild 1: Das Analogfrontend des M350 teilt sich in die Signalerzeugung (obere Hälfte) und die Messeinheit (unten). Verbunden sind die Signale über eine Schaltmatrix (links).Analog Devices

Der ADUCM350 (M350) ist ein integriertes Mixed-Signal-Messgerät auf einem einzelnen Chip. Das Bauteil enthält unter anderem eine hochleistungsfähige analoge Eingangsstufe (AFE) und einen Cortex-M3-Prozessorkern. Die Flexibilität der AFE und die vielen Funktionen des Mikroprozessorkerns prädestinieren diesen Chip für portable Messanwendungen.

Analoges Frontend

Die Anwendungen in der Medizinbranche sind ebenso unterschiedlich wie die zu messenden Signale. Damit sich der M350 für möglichst viele Anwendungen eignet, verfügt er über ein konfigurierbares analoges Front-End (Bild 1). Darüber lassen sich fast alle Sensortypen auswerten. Der Chip kann nicht nur komplexe Impedanzen messen, sondern auch amperometrische, potentiostatische, optische oder elektrochemische Signale. Die beiden wichtigsten Bestandteile des M350 sind die leistungsstarke Empfangssignalkette und der Sendepfad. Diese zwei Pfade sind über eine Schaltmatrix verbunden.

Auf einen Blick

Analog Devices hat den M350 als universelles „Messgerät auf einem Chip“ entwickelt. Er hilft der Medizinbranche, die Genauigkeit biochemischer Messungen zu verbessern und die Kosten pro Test zu senken. Dieser Artikel liefert Hintergrundinformationen über die wesentlichen Funktionsblöcke dieses Chips und zeigt, wie sich der M350 als biomedizinischer Impedanzanalysator nutzen lässt.

Der M350 kann die angeschlossenen Sensoren mit Gleichstrom oder mit einem AC-Signal versorgen. Impedanzmessungen benötigen eine AC-Anregung mit fester Frequenz oder einem Frequenz-Sweep über eine bestimmte Bandbreite. Die AC-Signale können sinus- oder trapezförmig sein und von einem DDS-basierten Generator, verbunden über einen 12-Bit-DAC, generiert werden. Er arbeitet im Standalone-Betrieb und benötigt keine Ressourcen vom Prozessor-Core. Arbiträre Signalformerzeugung ist ebenfalls möglich, indem man den Sequencer direkt in den DAC schreiben lässt.

Dem DAC ist eine Filterstufe sowie als Option ein Dämpfungsglied nachgeschaltet, bevor die Anregung an den angeschlossenen Sensor gelangt. Der auf dem Chip integrierte differenzielle Messverstärker sorgt dafür, dass an der Last die korrekte Spannung anliegt. Er eliminiert auch Fehler, die durch Impedanzen der Steckverbinder oder lange Sensoranschlüsse entstehen. Der maximale Ausgangshub dieses Verstärkers zum angeschlossenen Sensor oder Testträger beträgt 1,2 VP-P. Die Treiberschaltung gestattet Sensorverbindungen in 2-, 3- oder 4-Draht-Konfigurationen.

Bild 2: Die Schaltmatrix besteht aus 34 Schaltern, mit denen sich die Sensoren und Kalibrierungswiderstände frei den Sende- und Empfangseinheiten zuordnen lassen.
Bild 2: Die Schaltmatrix besteht aus 34 Schaltern, mit denen sich die Sensoren und Kalibrierungswiderstände frei den Sende- und Empfangseinheiten zuordnen lassen.Analog Devices

Schaltmatrix

Der M350 verfügt über eine integrierte Schaltmatrix (Bild 2) mit 34 nutzbaren Schaltern. Mit ihrer Hilfe lassen sich die angeschlossenen Sensoren, der Kalibrierungswiderstand und die Übertragungs- und Empfangssignalketten frei verbinden. Die Schalter mit niedrigen Leckströmen (<30 pA) geben dem Anwender die Freiheit, unterschiedliche Sensoren in verschiedenen Konfigurationen anzuschließen. Der auf dem Chip integrierte Sequencer steuert alle Schaltvorgänge. Dies sorgt für eine hohe Zuverlässigkeit, funktioniert unabhängig vom Prozessor und verkürzt die Messzeit. Eine kurze Messzeit spart auch Energie.

Der Mess-Empfangskanal des M350 basiert auf einem Transimpedanzverstärker (TIA) mit geringem Bias. Da die Knoten der Rückkopplungsschleife zugänglich sind, kann der Anwender die Transimpedanz wählen, indem er die Werte des Widerstands und Kondensators entsprechend auslegt. Der Eingangsstufe ist ein Multiplexer nachgeschaltet. Der kann entweder den TIA umgehen oder acht zusätzliche Eingänge einbinden. Auch ist der On-Chip-Temperatursensor an diesem Punkt angeschlossen. Er kann verwendet werden, um Drift zu kompensieren, ist aber aufgrund der internen Kalibrierungsroutinen nicht unbedingt notwendig.

Eingangsstufe

Dem Multiplexer nachgeschaltet ist ein komplett differenzieller Signalpfad mit einem PGA (Programmable Gain Amplifier) und einem Antialiasingfilter (55 kHz Grenzfrequenz). Das aufbereitete Signal gelangt schließlich an einen Puffer, bevor die Wandlung in den digitalen Bereich erfolgt. Als A/D-Wandler kommt eine echte 16-Bit-SAR-Topologie zum Einsatz. Der ADC erreicht eine hohe Abtastrate von 160 kSample/s und eine maximale Nichtlinearität von ±0,85 LSB. In vielen biomedizinischen Anwendungen ist eine schnelle Abtastung erforderlich, da Reaktionen innerhalb von Sekunden ablaufen und man die Veränderungen an jedem Datenpunkt genau erfassen möchte.

Der ADC mit seiner kompletten Eingangssignalkette erreicht einen Dynamikbereich von mindestens 100 dB. Der Wandler kann für drei verschiedene Betriebsarten konfiguriert werden:

  • Rohdaten mit 160 kSample/s
  • Überabtastung (Oversampling) mit 50/60-Hz-Filter und 900 Sample/s
  • Ausgabe durch eine DFT-Engine (diskrete Fourier-Transformation).

Der interne DSP-Beschleuniger liefert eine 2048-Punkte-DFT. Alle 16 Bit am Ausgang des ADC werden verwendet, um das Eingangssignal in eine komplexe Impedanz mit Real- und Imaginärteil zu wandeln. Die Messungen und Wandlungen erfolgen ohne Unterstützung des Prozessorkerns. Die Ergebnisse können über DMA direkt in Flash Memory gespeichert werden.

Bild 3: Auf dem Chip ist auch ein Cortex-M3 integriert, den der Anwender frei programmieren kann um die Messungen zu automatisieren und die Daten auszuwerten.
Bild 3: Auf dem Chip ist auch ein Cortex-M3 integriert, den der Anwender frei programmieren kann um die Messungen zu automatisieren und die Daten auszuwerten.Analog Devices

Prozessor-Core und Peripherie

Die AFE arbeitet mit einem integrierten Cortex-M3-Prozessorkern mit 16 MHz zusammen (Bild 3). Alle Funktionsblöcke in der AFE sind mithilfe von MMRs (Memory Mapped Registers) komplett steuer- und überwachbar. Sequencer vereinfachen das Ausführen von Steuerroutinen. Zwei DMA-Kanäle stehen zur Verfügung, um unabhängig von der CPU den Datenaustausch sowie die FIFO-Steuerung zu verwalten.

Eine AMBA-Bus-Matrix ermöglicht den Zugang zu Prozessorkern, Speicherbänken und Peripherie. 384 kByte Embedded-Flash-Speicher ist in zwei Bänke von 256 und 128 kByte unterteilt und über separate Flash-Controller zugänglich. Für hohe Sicherheit sorgt eine automatische Signaturüberprüfung und Signatur-gesteuerter Zugang zu Anwendungscode. Darüber hinaus sind 16 kByte Embedded-Flash-Memory für allgemeine Aufgaben wie EEPROM-Emulation sowie zwei mal 16 kByte SRAM vorhanden; 16 kByte davon bleiben während des Ruhezustands erhalten.

Für die Konnektivität sorgen eine Full-Speed-USB-2.0-Schnittstelle, zwei serielle Ports, ein UART und 66 frei programmierbare General-Purpose-I/Os. Als Schnittstelle zum Anwender verfügt der M350 über einen Controller für LC-Displays mit 128 Segmenten. Dieser Controller kann ein LCD-Panel oder ein externes LCD-Modul treiben. Zur Verfügung steht auch eine statische Display-Betriebsart, die im „SYS_SLEEP“-Modus das LCD weiter betreibt während andere Funktionen abgeschaltet sind. Zur Unterstützung von Audio ist eine I2C-Schnittstelle integriert. Auch piezoelektrische Lautsprecher können direkt vom programmierbaren Rechteckfrequenzgenerator getrieben werden. Kapazitive Touch-Technologie für Tastaturen ist ebenfalls integriert.

Der M350 als Impedanzwandler

Viele Anwendungen im Gesundheits- und Bio-Medizin-Bereich messen Impedanzen oder Impedanzänderungen. Wie der Sensor an das AFE des Messgeräts angebunden wird, ergibt sich nicht nur durch den Sensortyp (2-, 3- oder 4-Draht), sondern hängt auch davon ab, ob er mit dem menschlichen Körper verbunden ist. Hier gibt es verschiedene Richtlinien. Zum Beispiel brauchen Blutzuckermessgeräte keinen Kontakt zum menschlichen Körper, während Geräte zur Messung der Hautimpedanz mit ihm verbunden sein müssen. In diesem Fall sind gemäß der Richtlinien nach IEC60601 bestimmte Sicherheitsstandard zu erfüllen. Sie begrenzen zum Beispiel die Höhe des Stromes am Sensor (sprich am menschlichen Körper) und bestimmen den maximal zulässigen Strom, falls das System wegen eines Fehlers ausfällt.

Bild 4: Zur Kalibrierung legt die Schaltmatrix eine Verbindung von der Anregung durch einen externen Kalibrierungswiderstand Rcal zurück zum AFE.
Bild 4: Zur Kalibrierung legt die Schaltmatrix eine Verbindung von der Anregung durch einen externen Kalibrierungswiderstand Rcal zurück zum AFE.Analog Devices

Der Rest dieses Abschnitts beschreibt eine 4-Draht-Impedanzmessung, die Absolutwerte sehr genau ermittelt. Für eine 4-Draht-Messung ist eine exakte AC-Anregungsspannung erforderlich, außerdem ein differenzieller Spannungsmesser für die Spannung über dem Objekt sowie ein Strommesser für den Strom durch die Impedanz. Vor der eigentlichen Impedanzmessung ist eine Systemkalibrierung nötig (Bild 4).

Kalibrierung und Messung

Die Schaltmatrix verbindet einen bekannten, externen Kalibrierungswiderstand Rcal mit dem Analogfrontend des M350. Der für die Anregung zuständige Verstärker legt eine Spannung an Rcal an und ein Verstärker mit hoher Eingangsimpedanz nimmt die Spannung über dem Widerstand ab. Den Strom durch den Widerstand misst man mit dem Transimpedanzverstärker. Die Transimpedanz des Eingangsverstärkers wird durch Rtia festgelegt. Sie sollte so eingestellt werden, dass das maximale Signal am ADC optimiert wird, um einen möglichst hohen Rauschabstand zu erzielen. Die Ergebnisse des ADCs gehen an die 2048-Punkte-DFT-Engine, um den Real- und Imaginärteil der Impedanz (Rcal,real und Rcal,imag) zu berechnen. Aus den Kalibrierungsergebnissen berechnet der M350 den Betrag (Magnitude) und die Phase:

  • Rcal,mag = √(Rcal,real2 + Rcal,imag2)
  • Rcal,phase = tan-1(Rcal,imag / Rcal,real)
Bild 5: Zum Messen der Impedanz Z mit der 4-Draht-Topologie schaltet die Switch-Matrix den externen Sensor zwischen Anregung und Analogfrontend.
Bild 5: Zum Messen der Impedanz Z mit der 4-Draht-Topologie schaltet die Switch-Matrix den externen Sensor zwischen Anregung und Analogfrontend.Analog Devices

Nach der Kalibrierung schaltet die Matrix um auf das unbekannte Objekt (Bild 5). Diese Messungen liefern die unkalibrierten Real- und Imaginärteile der Impedanz Z. Aus diesen Bestandteilen lassen sich auch der Betrag und die Phase sowie schließlich die absoluten Werte von Betrag und Phase der unbekannten Impedanzkomponenten berechnen:

  • Zmag = (Zuncal,mag / Rcal,mag) × Rcal
  • Zphase = Zuncal,phase – Rcal,phase

Der M350 eignet sich auch zur Messung von Hautimpedanz, Atmungsrate oder Body Mass Index (BMI). Da bei diesen Anwendungen ein direkter Kontakt zwischen den Elektroden der AFE und dem menschlichen Körper besteht, muss hinsichtlich der maximalen Ströme, die in den Körper des Menschen fließen können, große Sorgfalt walten. Gemäß der IEC60601-Standards für Patientensicherheit dürfen keine Gleichströme über 10 µA in den menschlichen Körper fließen.

Bild 6: Für Impedanzmessungen am Körper muss die Anregungsschaltung durch einen Kondensator vom Menschen getrennt sein. Da diese Schutzschaltung die Messung stören würde, ist ein zusätzlicher externer Verstärker nötig.
Bild 6: Für Impedanzmessungen am Körper muss die Anregungsschaltung durch einen Kondensator vom Menschen getrennt sein. Da diese Schutzschaltung die Messung stören würde, ist ein zusätzlicher externer Verstärker nötig.Analog Devices

Getrennte Verstärker

Für die Sicherheit des Patienten empfiehlt Analog Devices, Kondensatoren zwischen den Anregungsanschlüssen des M350 und dem menschlichen Körper einzusetzen. Da die Rückkopplung zu den Eingangsknoten P und N für einen einwandfreien Betrieb aber nicht AC-gekoppelt sein kann, ist zur Messung der Spannung über der unbekannten Impedanz ein separater Verstärker erforderlich. Bild 6 zeigt das Schaltungsdiagramm für den M350 bei der Messung direkt zum menschlichen Körper. Die Widerstände Raccess1 bis Raccess4 sorgen für Isolation zum Schutz des Patienten. Zusätzlich empfehlen sich Kondensatoren im Bereich von 47 nF für AC-Kopplung. In diesem Beispiel wurde der Instrumentenverstärker AD8226 mit symmetrischen Eingangsanschlüssen gewählt, um den Spannungsabfall über der Impedanz zu messen. Allerdings gibt es viele weitere Optionen, je nach Versorgungsspannung, Eingangsbiasstrom oder maximalem Rauschen.

Tabelle 1: Alle Fehlerquellen summieren sich beim M350 zu weniger als 0,3 % Abweichungen.
Tabelle 1: Alle Fehlerquellen summieren sich beim M350 zu weniger als 0,3 % Abweichungen.Analog Devices

Diese 4-Draht-Konfiguration garantiert Patientensicherheit bei genauen Impedanzmessungen. Die Genauigkeit der Absolutwertmessung hängt von der Stabilität der Präzisionsspannungsreferenz des M350 und der Genauigkeit des Kalibrierungswiderstands (0,1% Genauigkeit) ab. Verschiedene Fehler tragen zum Gesamtfehler des Systems bei (Tabelle 1). Der gesamte Systemfehler, die Quadratwurzel aller einzelnen Beiträge, liegt unter 0,3 %. Wenn die Temperatur zwischen Kalibrierungszeitpunkt und der Messung konstant bleibt, was normalerweise der Fall ist, ist Vref-Drift bei einem Gesamtfehler von 0,2 % vernachlässigbar. Die Kalibrierungsmethodik macht eine Kalibrierung im Werk überflüssig und liefert eine wiederholbare Systemgenauigkeit während der gesamten Lebensdauer des Endprodukts.

Ein Chip, viele Anwendungen

Viele Anwendungen in der Medizintechnik nutzen Impedanzmessungen, zum Beispiel Blutzuckermessgeräte. Sie sind durch die FDA (Food and Drug Administration) entsprechend ISO15197 reguliert. Strengere Vorgaben zur Genauigkeit in der neuen Spezifikation von 2013 waren mit ein Grund für Analog Devices, den M350 zu entwickeln. Eine höhere Leistungsfähigkeit des Messgeräts lässt größere Spielräume für Toleranzen auf dem Teststreifen. Der M350 eignet sich für amperometrische Blutzuckermessungen, bei denen die Kalibrierungsroutinen und leistungsstarke Übertragungs- und Empfangssignalketten genaue Ergebnisse liefern. Das klappt unabhängig von externen Einflüssen wie Interferenzen, Temperaturänderungen und Alterung.

Mit dem M350 lassen sich viele weitere Parameter und Krankheiten messen und erkennen. Man denke hier an Geräte zur Messung von Hämoglobin oder der Blutgerinnung oder zum Entdecken von HIV oder Malaria. Messungen können auf Spannung oder Strom basieren. Auch amperometrische Messungen (Messung von Impedanzänderungen) oder optische Messungen (Erkennung von spektralen Änderungen / Licht-Absorption) sind möglich.

Der M350 eignet sich auch zur Messung und Erkennung von Gewebeschäden. Die universelle Architektur von Mess-Engine, Mikroprozessorkern und Peripherie ermöglichen den vielseitigen Einsatz des M350. Entwickelt für den Gesundheitsmarkt, kann der M350 auch für Industrieanwendungen, darunter chemische Analysatoren und intelligente Sensoren, verwendet werden.

Bild 7: Entwickler können ihre Projekte mit dem Demoboard beginnen und dabei auch Code-Beispiele verwenden.
Bild 7: Entwickler können ihre Projekte mit dem Demoboard beginnen und dabei auch Code-Beispiele verwenden.Analog Devices

Exakte Messung

Der M350 enthält eine leistungsfähige analoge Mess-Engine sowie einen Cortex-M3-Prozessorkern mit vielen Funktionen und Peripherie. Er eignet er sich für viele portable und stationäre Messanwendungen. Jedes Sensorsignal, einschließlich Spannung, Strom, Impedanz oder optisch kann der Mixed-Signal-Baustein messen. Eine Evaluierungsplattform (Bild 7) mit Code-Beispielen steht zur Verfügung. Sie unterstützt eine Vielfalt an Anwendungen und hilft, die Entwicklungszeit und die Time-to-Market zu verkürzen.

(lei)

Jan-Hein Broeders

ist Healthcare Business Development Manager Europe bei Analog Devices in Eindhoven, Niederlande.
broeders-jan-hein-new.jpg

(lei)

Unternehmen