Synchroner Abwärtsregler

DC/DC-Wandlerleistung mit Phasenverschiebungs-Zeitversatz verbessern

Veröffentlicht Geändert
Figure-7

Dieser Artikel beschreibt, wie sich mehrere DC/DC-Abwärtsregler in einer Master/Slave-Konfiguration mit Phasenverschiebung zeitverzögert synchronisieren lassen. Eine Phasenverschiebung bei mehreren Wandlern verhindert eine Überlappung der Einschaltdauer und verringert die Anforderungen an den Effektivstrom, die Welligkeit und den Eingangskondensator.

Eckdaten

DC/DC-Wandler wie der ISL8018 von Intersil bieten eine kostengünstige Lösung für störungsempfindliche Anwendungen – vor allem für solche, die Audioschaltkreise enthalten. Durch die Verwendung mehrerer POL-DC/DC-Wandler in einer Master/Slave-Konfiguration mit Phasenverschiebungs-Zeitversatz können Entwickler ihr Stromversorgungsdesign durch geringere Effektivstrom-, Welligkeits- und Eingangskondensator-Anforderungen optimieren.

In den meisten Anwendungen mit Abwärts-Leistungswandlern, bei denen mehrere Ausgangsspannungen erforderlich sind, die über einen einzelnen Eingang geregelt zur Verfügung stehen sollen, können Schaltregler einen hohen Eingangseffektivstrom und Rauschen am Lastpunkt (POL; Point of Load) zum Beispiel in FPGAs, DSPs und Mikroprozessoren einbringen. Um dies zu verhindern, setzen Entwickler umfangreiche Eingangsfilter ein, um leitungsgebundene elektromagnetische Störungen (EMI) und/oder abgestrahlte EMI zu reduzieren und die I2R-Systemverluste besser zu regeln.

Eine weitere technische Herausforderung, die in Systemen mit Audioverstärkern zu beachten ist, ist die Schwebungsfrequenz. Dabei handelt sich um den Frequenzunterschied zwischen den schaltenden DC/DC-Wandlern der Stromversorgung. Liegen die Schwebungsfrequenzen zwischen 100 Hz und 23 kHz, kann der Audioverstärker sie erkennen und die Systemleistung beeinträchtigen. Bild 1 zeigt, dass Wandler 1 als Master fungiert, der die eingestellte Frequenz für den Rest der Slave-Wandler bereitstellt.

Programmierung der Phasenverschiebung

Figure-1
Bild 1: DC/DC-Wandler ISL8018 in einer Master/Slave-Konfiguration.Intersil
606_Intersil_Bild_2
Bild 2: Vergleich dreiphasiger DC/DC-Wandler, die in Phase und phasenverschoben betrieben werden.Intersil

Die Synchronisierung mehrerer DC/DC-Wandler ist einfach und unkompliziert, aber die Programmierung der Phasenverschiebung kann eine Herausforderung sein. Vergleichen wir DC/DC-Wandler, die in Phase und phasenverschoben konfiguriert sind (Bild 2). Beide Designs sind dreiphasig, um 24 A Ausgangsstrom bereitzustellen. Bei Bedarf lassen sich weitere Phasen für höhere Ströme hinzufügen. Jeder Wandler ist für 8 A Strom optimiert. Die Konfiguration links arbeitet in Phase; im Design rechts ist jede Phase um 120° verschoben. Die drei Wandler links weisen eine Spitzeneingangswelligkeit von 24 A (3 × 8 A) oder 12 Aeff bei 50 % Tastgrad auf. Die drei rechten Wandler, die phasenverschoben arbeiten, werden mit 8 A oder 4,3 Aeff bei 50 % Tastgrad betrieben.

Wie erwähnt, reduziert eine Phasenverschiebung die Anforderungen an die Eingangs- und Ausgangskondensatoren. Der effektive Eingangsstrom wird durch Gleichung 1 bestimmt:

Equation-1

Das Diagramm stellt die Kurve dar für ΔIIN_eff(n,D) gegenüber dem Tastgrad. Intersil
Bild 3: Das Diagramm stellt die Kurve dar für ΔIIN_eff(n,D) gegenüber dem Tastgrad.Intersil

Wobei n die Anzahl der Phasen ist; L die Ausgangsinduktivität; Fs die Schaltfrequenz und k (n, D) = Abrundung (n, D). Die Abrundungsfunktion liefert die größte ganze Zahl kleiner oder gleich dem Eingangswert.

Bild 3 zeigt die Kurve ΔIIN_eff (n,D) gegenüber dem Tastgrad.

Tabelle 1: Leistungsvergleich der Wandler.
Tabelle 1: Leistungsvergleich der Wandler.Intersil

Tabelle 1 führt den zusammengefassten Leistungsvergleich der drei Wandler auf, die in Phase beziehungsweise phasenverschoben betrieben werden.

Auf der nächsten Seite lesen Sie, wie sich eine einfache, kostengünstige Methode für einen phasenverschobenen Betrieb umsetzen lässt.

606_Intersil_Bild_4
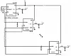
Bild 4: Master/Slave-Schaltkreis.Intersil

Ein synchroner Abwärtsregler wie der ISL8018 bietet eine einfache, kostengünstige Methode, einen phasenverschobenen Betrieb umzusetzen. Die SYNCHOUT-Funktion des Master-Schaltreglers stellt bei jedem Taktzyklus einen Stromimpuls, ISYNC, bereit. Die Stromquelle stoppt und entlädt sich auf 0 V, nachdem sie die 1-V-SYNCHOUT-Spannung erreicht hat. Die SYNCIN-Funktion der Erkennungsschwelle des Slave-Reglers beträgt 0,9 V. Wenn jede ansteigende SYNCIN-Flanke die Spannung 0,9 V erreicht, wird der EIN-Impuls der PHASE ausgelöst. Durch einfaches Hinzufügen eines kleinen, preiswerten Kondensators über SYNCIN auf Masse (GROUND) ändert sich die SYNCHOUT-Flankensteilheit der Stromquelle.

606_Intersil_Bild_5
Bild 5: Master/Slave-Logikumsetzung.Intersil

Bild 4 zeigt den Master/Slave-Schaltkreis, Bild 5 die entsprechende Logikumsetzung. Die Phasenverschiebungszeit (t in ns) ist gleich 2,8 · CPHASE in pF.

Die Implementierung der Stromquelle ist einfach und erfordert nur 70 mil2 Chipfläche. Die Stromquelle lässt sich einstellen, um ±5 % Toleranz zu erreichen. Auch der Schwellenwert von SYNCIN kann auf ±0,5 % getrimmt werden. Die erforderliche Kapazität liegt im pF-Bereich und kann mit einem kostengünstigen Keramikkondensator mit NPO- oder C0G-Dielektrikum mit einer engen Toleranz von ±1 % bereitgestellt werden. Daher beträgt die Phasenverschiebungstoleranz in etwa 5,12 %.

Figure-6
Frequenzspektrum der Eingangsquelle.Intersil

Der ISL8018 lässt sich über einen Master oder externen Takt synchronisieren. Nötig ist diese Funktion, wenn mehrere Regler in unmittelbarer Nähe zueinander arbeiten. Bild 6 zeigt die Wandler 1 und 2, die mit den Frequenzen f1 beziehungsweise f2 arbeiten. Am Eingang liegt die Schwebungsfrequenz (fb) an (die Differenz zwischen f1 und f2). Ist keine Isolation vorhanden, tritt fb in Masse (GROUND) auf. Der Ausgang kann wie in Bild 7 dargestellt aussehen, wobei die Hüllkurve der Schwebungsfrequenz entspricht.

Schwebungsfrequenz eliminieren

Normalerweise ist die Schwebungsfrequenz sehr niedrig, vor allem wenn der gleiche Wandler für mehrere Schienen verwendet wird. Diese niedrige fb taucht dann im gesamten System auf. In Computer-, Telekommunikations-, Industrie- oder medizinischen Anwendungen, die mit Audiofunktionen ausgestattet sind, wird der Audioverstärker des Systems das Schwebungsfrequenz-Rauschen aufnehmen. Das Hinzufügen eines Gleichtakt- oder Gegentakt-Rauschfilters erhöht dabei die Systemkosten.

Die SYNC-Funktion des DC/DC-Wandlers ISL8018 kann auch das Schwebungsfrequenz-Problem lösen, indem mehrere Wandler verwendet werden, die mit dem gleichen Takt arbeiten. Damit wird fb gleich 0 Hz, was die Schwebungsfrequenz im gesamten System eliminiert.

Sitthipong Angkititrakul

Applications Engineering Manager für Industrial Power Products bei Intersil.