Stromversorgung anspruchsvoller Instrumenten-Plattformen

Was Power-Module bei der Versorgung von Laborinstrumenten leisten

Veröffentlicht Geändert
Bild 3: Die Fläche des Schaltknotens in einem Power-Modul ist meist weitreichend optimiert, da auch andere passive Baulemente integriert sind.
Bild 3: Die Fläche des Schaltknotens in einem Power-Modul ist meist weitreichend optimiert, da auch andere passive Baulemente integriert sind.

Gleichspannungswandler für Laborinstrumenten-Systeme stellen hohe Anforderungen, zum Beispiel an EMI, Platzbedarf und Wirkungsgrad. Wie sich diese Anforderungen mit Power-Modulen erfüllen lassen, zeigt dieser Beitrag von Texas Instruments.

Laborinstrumenten-Plattformen auf PC-Basis gestalten das Einrichten der Laborausstattung einfach und erlauben die Automatisierung der Datenerfassungg. Die Gleichspannungswandler für Systeme wie beispielsweise Peripheral Component Interconnect (PCI) Extensions for Instrumentation (PXIe) stellen dabei ganz spezifische Anforderungen: geringe elektromagnetische Störaussendungen, kleine Lösungsabmessungen, hoher Wirkungsgrad, ein großer Eingangsspannungsbereich sowie gute Netz- und Lastregeleigenschaften.

Niedriges EMI-Niveau

Bild 1: Infolge der Schaltwirkung der FETs entsteht in der aus dem oberen FET QHS sowie aus QLS und dem Eingangskondensator CIN gebildeten Schleife ein diskontinuierlicher Stromfluss.
Bild 1: Infolge der Schaltwirkung der FETs entsteht in der aus dem oberen FET QHS sowie aus QLS und dem Eingangskondensator CIN gebildeten Schleife ein diskontinuierlicher Stromfluss.Texas Instruments

Laborinstrumente stellen in Sachen EMI sehr strenge Anforderungen, denn elektromagnetische Störaussendungen können ihre Leistungsfähigkeit beeinträchtigen und potenziell Ausfälle verursachen. Geschaltete Gleichspannungswandler gehören jedoch zu den wichtigsten EMI-Quellen, weil ihre Funktion auf Schaltvorgängen beruht. Bild 1 zeigt ein Prinzipschaltbild eines Abwärtsreglers. In einem Abwärtsregler fließt in der aus der Induktivität L, dem Ausgangskondensator COUT und dem unteren Feldeffekt-Transistor (FET) QLS gebildeten Schleife ständig ein Strom. Infolge der Schaltwirkung der FETs entsteht in der aus dem oberen FET QHS sowie aus QLS und dem Eingangskondensator CIN gebildeten Schleife dagegen ein diskontinuierlicher Stromfluss.

Eck-Daten

Gleichspannungsregler in Laborinstrumenten-Plattformen stellen hohe Anforderungen, nicht nur an die EMI und die Netz- und Lastregeleigenschaften, sondern auch an die Abmessungen in den oft beengten Verhältnissen. Power-Module bieten hier viele Vorteile, die sich nicht nur auf die Platzersparnis und die bessere Leistungsfähigkeit beschränken. Sie enthalten vielmehr qualitativ hochwertige passive Bauelemente, die bei hohen Temperaturen gründlich getestet werden, um die Langlebigkeit und Zuverlässigkeit zu gewährleisten. Aufgrund ihrer Features bieten Power-Module insgesamt eine höhere Attraktivität für Laborinstrumente.

Bild 2: Die in Bild 1 beschriebene Anordnung verursacht unweigerlich Spannungsspitzen und damit elektromagnetische Störaussendungen.
Bild 2: Die in Bild 1 beschriebene Anordnung verursacht unweigerlich Spannungsspitzen und damit elektromagnetische Störaussendungen.Texas Instruments

Die von den betreffenden Leiterbahnen umschlossene Fläche bestimmt die parasitäre Induktivität auf dem Weg, den dieser diskontinuierliche Strom nimmt. Wie Gleichung V = LPAR × (di/dt) verdeutlicht, erzeugt ein geschalteter Strom, der durch eine Induktivität fließt, eine Spannungsdifferenz. Die beschriebene Anordnung verursacht somit unweigerlich Spannungsspitzen und elektromagnetische Störaussendungen (siehe Bild 2). Dieses Phänomen ist grundsätzlich nicht zu vermeiden, jedoch ist es durch Platzierung des Eingangskondensators sehr nah an den beiden FETs möglich, die Fläche der Schleife, und damit auch die parasitäre Induktivität zu reduzieren, wodurch kleinere Spannungsspitzen entstehen und die elektromagnetischen Störaussendungen geringer ausfallen.

Power-Module sind hier klar im Vorteil, denn der Eingangskondensator ist normalerweise in das Gehäuse integriert und befindet sich sehr nah an der integrierten Schaltung (IC). Ähnliches gilt auch für den in ein Power-Modul eingebauten Bootstrap-Kondensator.

Bauteilauswahl

Bild 3: Die Fläche des Schaltknotens in einem Power-Modul ist meist weitreichend optimiert, da auch andere passive Baulemente integriert sind.
Bild 3: Die Fläche des Schaltknotens in einem Power-Modul ist meist weitreichend optimiert, da auch andere passive Baulemente integriert sind.Texas Instruments

Wie aus Bild 1 hervorgeht, können neben der Länge der Leiterbahnen auch mangelhafte Bauteile mit hohen parasitären Induktivitäten die Lage verschlimmern, da sie von einem pulsierenden Strom durchflossen werden. Die Fläche des Schaltknotens und die gewählte Induktivität haben unmittelbaren Einfluss auf das EMI-Aufkommen. Ein zu großer Schaltknoten und eine ungeschirmte Spule mit hoher parasitärer Kapazität können erhebliche Störabstrahlungen verursachen. Wie Bild 3 zeigt, ist die Fläche des Schaltknotens in einem Power-Modul meist weitreichend optimiert, da auch andere passive Bauelemente integriert sind.

Wird eine Induktivität von einem Strom durchflossen, baut sich ein magnetisches Feld auf. Ohne Eingrenzung dieses Magnetfelds verschlechtern sich die EMI-Eigenschaften. Ungeschirmte Spulen besitzen keine Möglichkeit zur Eingrenzung dieses Felds und sind daher nicht praktikabel. In Power-Modulen sind in der Regel geschirmte Spulen integriert, die intensiven Stresstests unterzogen wurden. Die Integration qualitativ hochwertiger passiver Bauelemente trägt zur Eingrenzung der Störemissionen bei und reduziert dadurch die Wahrscheinlichkeit von Störbeeinflussungen anderer empfindlicher Schaltungen, die sich in der Nähe befinden.

Bild 4: Gegenüberstellung der Hotrod-Gehäusetechnologie mit einem Standard-Wirebond-Gehäuse in QFN-Bauart.
Bild 4: Gegenüberstellung der Hotrod-Gehäusetechnologie mit einem Standard-Wirebond-Gehäuse in QFN-Bauart.Texas Instruments

Neuere DC/DC-Regler sind mit der Hotrod-Gehäusetechnologie von TI ausgestattet. Bild 4 zeigt eine Gegenüberstellung der Hotrod-Gehäusetechnologie und einem Standard-Wirebond-Gehäuse der Bauart QFN (Quad Flat no-lead). Diese Gehäusetechnologie verzichtet auf die Bonddrähte, die normalerweise zur Verbindung der Die-Pads mit dem Leadframe zum Einsatz kommen, und setzt stattdessen auf Kupferpfosten mit kleinen Löthöckern. Durch den Wegfall der Bonddrähte verringern sich die parasitären Induktivitäten, was zur weiteren EMI-Eindämmung beiträgt.

Frequenzsynchronisation

Die elektromagnetischen Störaussendungen sind ein Produkt der im Abwärtsregler stattfindenden Schaltvorgänge. Folglich ist die Schaltfrequenz fSW von Bedeutung für das Bemühen, das EMI-Aufkommen gering zu halten. In einem System, in dem mehrere Abwärtsregler verschiedene Versorgungsspannungen bereitstellen, kann es durch Wechselwirkungen zwischen den verschiedenen Schaltfrequenzen zu Schwebungen kommen, die von beliebiger Frequenz sein können und deren Oberschwingungen ebenfalls nicht vorhersehbar sind. Das Eindämmen der elektromagnetischen Störaussendungen in komplexen Instrumentensystemen stellt deshalb eine große Herausforderung dar.

Bild 5: Power-Module wie das LMZM33606 sind mit Pins zur Frequenzsynchronisation ausgestattet.
Bild 5: Power-Module wie das LMZM33606 sind mit Pins zur Frequenzsynchronisation ausgestattet.Texas Instruments

Um bei der Lösung dieses Problems zu helfen, sind Power-Module wie die Typen LMZM33603 und LMZM33606 von TI mit Frequenzsynchronisations-Pins ausgestattet. Diese machen es möglich, sämtliche Abwärtsregler in einem System mit derselben Frequenz schalten zu lassen. Dieses Feature trägt deshalb nicht nur zur Vermeidung von Schwebungsfrequenzen bei, sondern sorgt auch dafür, dass die Oberschwingungen der Schaltfrequenz bekannt sind. Dies vereinfacht ganz erheblich das Design eines geeigneten Eingangsfilters zur EMI-Reduktion. Ein typisches Schaltbild mit dem Power-Modul LMZM33606 ist in Bild 5 zu sehen.

Hoher Wirkungsgrad bei kleinen Abmessungen

Bild 6: Beispiel für einen Stromversorgungs-Baum für ein PXIe-Chassis.
Bild 6: Beispiel für einen Stromversorgungs-Baum für ein PXIe-Chassis.Texas Instruments

Als Tischgeräte ausgeführte Laborinstrumente besitzen kleinere Chassis, was zu beengten Platzverhältnissen in ihrem Innern führt. Tatsächlich messen diese Chassis möglicherweise weniger als eine HE und oftmals nur eine halbe Rackbreite. Ein PXIe-Chassis mit einem integrierten Systemmodul besitzt unter Umständen nur fünf Steckplätze: drei Hybrid- und zwei reine PXIe-Slots. Power-Module stellen in solch beengten Umgebungen eine praktische Lösung dar, mit der sich die Platzbeschränkungen entschärfen lassen und die eine Verkürzung der Markteinführungszeit ermöglichen. Der Stromversorgungsbaum in Bild 6 enthält Power-Module und diskrete Regler, die in einem als Tischgerät konzipierten PXIe-Chassis als Backplane-Stromversorgung dienen können.

Tabelle 1: Der direkte Vergleich zwischen DC/DC-Reglern und Power-Modulen zeigt die Platzersparnis bei kaum merklichem Einfluss auf den Wirkungsgrad.
Tabelle 1: Der direkte Vergleich zwischen DC/DC-Reglern und Power-Modulen zeigt die Platzersparnis bei kaum merklichem Einfluss auf den Wirkungsgrad.Texas Instruments

Wegen des eingeschränkten Ausgangsstroms können Power-Module möglicherweise nicht alle Versorgungsspannungen bereitstellen. In einem System, das höhere Ströme verlangt, sind deshalb gegebenenfalls andere Bauelemente notwendig. Das Webench-Tool von TI bietet eine gute Möglichkeit, sich über alternative Bausteine zu informieren und Design-Schaltpläne zu bekommen, ergänzt durch wichtige Parameter wie den Wirkungsgrad, die Stückliste und die Materialkosten. Tabelle 1 vergleicht Power-Module (LMZM33606 und LMZM33602) und integrierte Regler (LM73606 und LMR33620) von TI. Die Platzersparnis bei der Implementierung von Power-Modulen ist in einem Design erheblich. Hinzu kommt, dass diese Platzersparnis von keiner spürbaren Veränderung des Wirkungsgrads begleitet wird.

Das in Bild 5 gezeigte Schaltbild für ein Modul ist äußerst einfach, und das resultierende Design nimmt infolge des geringen Bauteileaufwands nur sehr wenig Platz ein. Bild 7 gibt den Wirkungsgrad des LMZM33606 als Funktion des Laststroms für verschiedene Eingangsspannungen wieder.

Gute Netz- und Lastregeleigenschaften

Bild 7: Der Wirkungsgrad des LMZM33606 als Funktion des Laststroms für verschienene Eingangsspannungen.
Bild 7: Der Wirkungsgrad des LMZM33606 als Funktion des Laststroms für verschiedene Eingangsspannungen.Texas Instruments
Bild 8: Die Funktion der PCM-Architektur beruht darauf, dass der Strom im obenen FET gemessen wird, um eine Vergleichsrampe zu erzeugen.
Bild 8: Die Funktion der PCM-Architektur beruht darauf, dass der Strom im obenen FET gemessen wird, um eine Vergleichsrampe zu erzeugen.Texas Instruments
Bild 9: Die Netz- und Lastregeleigenschaften des LMZM33606. Bei einer nominellen Eingangsspannung von 24 V wird eine Lastregelung von 0,1 % erreicht.
Bild 9: Die Netz- und Lastregeleigenschaften des LMZM33606. Bei einer nominellen Eingangsspannung von 24 V wird eine Lastregelung von 0,1 % erreicht.Texas Instruments

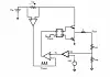
Ein Instrumentensystem lässt sich mit einer ungeregelten Spannung zwischen 18 V und 36 V versorgen, wobei die typische Netzregelung für alle Versorgungsspannungen zwischen 0,1 und 0,2 % liegen kann. Unter den verschiedenen Regelungsarchitekturen gehört die PCM-Architektur (Peak Current Mode) zu jenen, die mit derart strikten Anforderungen umgehen können. Wie aus Bild 8 hervorgeht, beruht die Funktion der PCM-Architektur darauf, dass der Strom im oberen FET gemessen wird, um eine Vergleichsrampe zu erzeugen.

Wenn sich die Eingangsspannung ändert, ist als erstes die Steilheit der Stromrampe zu ändern. Dies wirkt als eine Art Störgrößenaufschaltung für das System, um bei einer Änderung der Eingangsspannung das Tastverhältnis zu korrigieren. Eine augenblickliche Anpassung des Tastverhältnisses trägt zu den sehr guten Netzregeleigenschaften bei. Da die Bausteine LMZM33606 und LMZM33602 auf der PCM-Architektur basieren, eignen sie sich sehr gut für Systeme dieser Art. In Bild 9 sind die Netz- und Lastregeleigenschaften des LMZM33606 zu sehen. Bei 3 A Laststrom beträgt die Netzregelung 0,02 %, und bei einer nominellen Eingangsspannung von 24 V wird eine Lastregelung von 0,1 % erreicht.

(na)

Akshay Mehta

Engineer Power Modules for Lab Instrumentation bei Texas Instruments
Autor

(na)

Unternehmen