Energie sparen

Power-Module für die Photovoltaik optimieren

Veröffentlicht Geändert

Energie in ihren diversen Formen ist ein wichtiges Gut in sämtlichen technologischen, wirtschaftlichen und gesellschaftlichen Bereichen – steht aber nun einmal nicht unbegrenzt zur Verfügung. An dieser Stelle kommen vor allem erneuerbare Energien, wie Solar- und Windenergie zum Tragen – wichtige Applikationsbereiche für Leistungsmodule. Welchen Herausforderungen sich ein Modulhersteller heutzutage stellen muss, zeigt Vincotech im nachfolgenden Beitrag.

20636.jpg
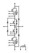
Schaltung des FZ06PA070FP mit Parallel-Switch, einer Kombination aus Mosfet und IGBT, als äußerem Schalter.
20637.jpg
Typischer Stromfluss bei Mosfet und IGBT im Parallel-Switch beim Schaltzyklus.
20638.jpg
Vergleich des Wirkungsgrades eines einfachen Mosfets mit der Parallelschaltung von IGBT und Mosfet in einem Power-Modul bei 6 und 10 kW Ausgangsleistung pro Phase.
20639.jpg
Andreas Johannsen, Vincotech in Ottobrunn bei München.

Die Themen Nachhaltigkeit und Energieeinsparung verlangen von Ingenieuren, Managern und Einkäufern neue Strategien bei der Konzeption und Entwicklung moderner Produkte. „So ist bei der Auswahl des Power-Moduls nicht immer der Weg zu den bekannten Größen der Branche der Richtige“, betont Andreas Johannsen, Produkt Marketing Manager bei Vincotech in Unterhaching bei München und erklärt, warum: „Eine systemübergreifende Optimierung ist gerade im Bereich der Leistungshalbleiter äußerst wichtig, Flexibilität bei Design und Auswahl von Komponenten, bringt hier den entscheidenden Vorteil.“ Der Markt für Power-Module ist in den vergangenen Jahren sehr stark gewachsen. Das lässt sich zum einen mit etlichen technischen Vorteilen begründen. Zum anderen liegt das aber auch in der Möglichkeit, kompakte, zuverlässige Systeme zu entwickeln und zu produzieren, was die Arbeit von Einkauf, Entwicklung und Fertigung erheblich vereinfacht: Die Notwendigkeit, Korrekturen durchzuführen, nimmt ab und die Designzyklen werden kürzer; zum Beispiel lässt sich die EMV-Optimierung deutlich vereinfachen. Aufbauten mit diskreten Leistungshalbleitern benötigen hingegen in der Regel mehrere teure und auch zeitintensive Designoptimierungen.

Photovoltaik als Antriebsmotor

Doch nicht nur der Wunsch nach schnelleren und komfortableren Lösungen treibt den Markt für Power-Module an. Das Thema Energieeffizienz hat stark an Bedeutung gewonnen, was durch den Boom der Solarenergie sowie der zunehmenden Nachfrage nach USV-Systemen noch forciert wird. „Jeder Bruchteil in der Verbesserung von Zuverlässigkeit oder Effizienz lässt sich hier in bare Münze umrechnen“, weiß Andreas Johannsen. Die erwartete Lebensdauer für solche Systeme liegt bei mehr als 20 Jahren und das, insbesondere bei USV-Anlagen, im permanenten Betrieb. Die zum Einsatz kommenden Komponenten und die Schaltungstopologie haben einen direkten Einfluss auf Zuverlässigkeit und Profitabilität des Systems. Folglich stellt deren Auswahl eine zentrale, strategische Aufgabe dar und sollte mit äußerster Sorgfalt getroffen werden. „Der Markt für Leistungshalbleiter erlebt, nicht zuletzt getrieben durch die bereits erwähnten Faktoren, einen wahren Boom an neuen Komponenten“, berichtet Andreas Johannsen. „Doch nicht nur die etablierten Hersteller kommen in immer schnelleren Zyklen mit neuen Produkten auf den Markt. Auch immer mehr neue Hersteller erweitern den Kreis.“ Um die beste Schaltung in Hinsicht auf Effizienz, Zuverlässigkeit und Wirtschaftlichkeit zu erhalten, bedarf es einer möglichst breiten Auswahl aller verfügbaren Komponenten. Unabhängigkeit und Flexibilität sind hierfür zentrale Kriterien.

Auf einen Blick

Intelligente Leistungsmodule kommen vor allem im Hochleistungsbereich zum Einsatz, insbesondere in der Solar- und Windenergie, aber auch für Schienenfahrzeuge. Bestandteil der Module sind IGBTs, die störungsfest und temperaturunabhängig sein und Schaltfunktionen ausführen sollen, um hohe Ströme möglichst verlustfrei übertragen zu können. Da gilt es, einen besonders intensiven Blick auf die
Leistungshalbleiter zu werfen und diese aus einer möglichst breiten Basis auszuwählen.

Power-Modul als Subsystem einsetzen

Zunehmender Wettbewerb, verbunden mit hohen Anforderungen von Seiten des Marktes, stellen Unternehmen vor neue Herausforderungen. Der Zwang zur Optimierung betrifft mittlerweile sämtliche Bereiche einer Produktentwicklung. Das gilt ganz besonders für Komponenten mit hohem Integrationsgrad, wie den Power-Modulen.

Power-Module haben sich aufgrund der hohen Zuverlässigkeit, der niedrigen Montagekosten und der langen Lebensdauer sowie der hohen Lastwechselfestigkeit in Verbindung mit hoher Leistungsdichte mittlerweile als Standard in Frequenzumrichtern für Industrieantriebe etabliert. In anderen Bereichen, wie bei Solarumrichtern, ist das bisher nicht der Fall. Hier ist das primäre Ziel nach wie vor ein möglichst hoher Wirkungsgrad. Das lässt sich durch zunehmend komplexe Schaltungstopologien, beispielsweise Heric, H5, NPC, Mixed-Voltage-NPC oder ähnliche, in Verbindung mit Halbleitern, auf dem aktuellen Stand der Technik erzielen. „Bisher wurde die optimale Lösung zumeist durch die Auswahl diskreter Halbleiter von verschiedenen Anbietern erzielt“, blickt Andreas Johannsen zurück und unterstreicht: „Angesichts der größeren Komplexität dieser Schaltkreise, höherer Leistungen und der größeren Produktionsvolumen, wäre der Einsatz eines Power-Moduls als Subsystem heute der nächste logische Schritt.“ Allerdings ist dieser Schritt nicht ohne Hürden. Viele Power-Modul-Hersteller produzieren auch Leistungshalbleiter. Die Verwendung von Komponenten eines direkten Wettbewerbers im eigenen Power-Modul ist deshalb nicht immer unproblematisch und nach Aussagen von Andreas Johannsen vielfach sogar unmöglich – auch wenn das manchmal die bessere und effizientere Wahl für die geplante Applikation darstellen würde.

Keinen Zwängen unterliegen

Einen großen Vorteil haben hier Power-Modul-Hersteller, die nicht direkt von einem Halbleiterhersteller abhängen. Sie können aus dem kompletten Spektrum an verfügbaren Halbleitern auswählen und so eine optimale Lösung anbieten. „Ein gutes Beispiel hierfür ist das FZ06NPA070FP, ein Modul der flowNPC 0 Familie von Vincotech“, ist Andreas Johannsen überzeugt. „Es kombiniert Chips unterschiedlicher Hersteller in einer extrem innovativen Schaltungstopologie.“ Bild 1 zeigt den Schaltplan des FZ06NPA070FP, das die Halbleiter für eine Phase eines Dreiphasen-Neutral-Point-Clamped-Solarinverters (NPC) enthält. Die äußeren Schalter bestehen aus einer Parallelschaltung eines Mosfets und eines IGBTs. Diese werden in der Anwendung mit der schnellen PWM getaktet und dienen zur Ausformung der sinusförmigen Ausgangsspannung. Der Mosfet verhindert dabei hohe Verluste, während der IGBT die Leistungsverluste im durchgeschalteten Zustand übernimmt. Beim Ausschalten lässt sich so der bei IGBTs übliche Schweifstrom eliminieren, eine Hauptursache für hohe Schaltverluste. Bild 2 zeigt die Stromkurve der beiden Komponenten während eines kompletten Schaltzyklusses.

Leider hat die Parallelschaltung von IGBT und Mosfet einen Nachteil: Viele IGBTs haben ohne anliegende Kollektor-Emitter-Spannung Probleme, die Ladungsträger aus der leitenden Schicht zu räumen. Deshalb kann der IGBT bei eingeschaltetem Mosfet nicht vollständig sperren; ein zusätzlicher Schweifstrom entsteht nach Ausschalten des Mosfets. Die im FZ06NPA070FP verwendeten PT-IGBTs haben dieses Problem nicht. Bild 3 zeigt einen Effizienzvergleich zwischen dem FZ06NPA070FP mit Parallel-Switch und dem FZ06NRA045FH mit einfachen Mosfets. Hier wird der Wirkungsgrad bei unterschiedlicher nominaler Ausgangsleistung verglichen. Beide Module verwenden in Summe die gleiche Chipfläche. Die reine Mosfet-Variante zeigt im unteren Leistungsbereich, aufgrund des linearen Mosfetwiderstands, leicht bessere Werte. Über den gesamten Lastbereich ist die parallele Variante allerdings klar im Vorteil und kann durch die höhere Effizienz bei gleicher Chipfläche für höhere Leistungen eingesetzt werden.

Fazit

„Power-Module bieten bei Systemen, wie Solarumrichtern oder USV-Anlagen, entscheidende Vorteile, gerade bei höheren Leistungen, komplexeren Schaltungstopologien und hohen Anforderungen an die Lebensdauer“, fasst Andreas Johannsen zusammen. „Um eine optimale Systemperformance zu erreichen, sollten die verwendeten Leistungshalbleiter sorgfältig und aus einer möglichst großen Basis ausgewählt werden. Vincotech als Spezialist für die Fertigung von Power-Modulen und umfassendem Anwendungswissen ist der optimale Partner für so einen Prozess.“

Der Beitrag basiert auf Material von Andreas Johannsen, Vincotech in Ottobrunn bei München.

(eck)