Netzgekoppelte Wandler optimierten

SiC-MOSFETs für höhere Effizienz und niedrigere Systemkosten

Veröffentlicht Geändert
Bild 8: Hardware eines bidirektionalen 20-kW-3-Phasen-Wandlers auf Basis von 1000V/65mΩ-SiC-MOSFETs.
Bild 8: Hardware eines bidirektionalen 20-kW-3-Phasen-Wandlers auf Basis von 1000V/65mΩ-SiC-MOSFETs.

Viele Industrieanwendungen benötigen eine netzgekoppelte Leistungswandlung, egal ob AC/DC- oder DC/AC. Schaltverluste reduzieren, Gewicht einsparen und Bauteilkosten senken sind die vordergründigsten Anforderungen des Anwenders an den Wandler. Der Beitrag beschreibt eine kostengünstige, effiziente Alternative für industrielle Anwendungen zur Blindleistungskompensation (PFC, Power Factor Correction), die auf SiC-Leistungs-MOSFETs basiert und für die Massenproduktion geeignet ist.

Anwendungsbereiche für netzgekoppelte Leistungswandler sind im Bereich regenerativer Energien die Schnittstellen für Solar- und Windkraftanlagen sowie Akkumulatoren. Gerade der steigende Bedarf an Ladestationen für PKWs und LKWs, aber auch alternativ angetriebene Industrieanlagen, vom Aufzug bis zur Dreherei, geben die Marschrichtung vor.

Bild 1: Funktionsschaltbild eines dreiphasigen AC/DC-Systems, wie es beispielsweise in Ladestationen für Elektrofahrzeuge zum Einsatz kommt.
Bild 1: Funktionsschaltbild eines dreiphasigen AC/DC-Systems, wie es beispielsweise in Ladestationen für Elektrofahrzeuge zum Einsatz kommt.Wolfspeed

Gemäß geltenden Richtlinien erfolgt die Auslegung dieser Systeme für ein Source/Sink-Gefälle des AC-Stroms mit einer THD (Total Harmonic Distortion) von unter fünf Prozent. Schnellladestationen für Elektrofahrzeuge sind ein praktisches Beispiel für eine dreiphasige, netzgekoppelte AC/DC-Anwendung. Bild 1 zeigt ein Funktionsschaltbild eines dreiphasigen Schnellladegerätes für Elektrofahrzeuge. Bei bidirektionaler Ausrichtung des Konverters lässt sich auch Leistung vom Fahrzeug ins Netz zurückspeisen. Die bidirektionale Ladung ist auch wichtig, um liegengebliebene Fahrzeuge untereinander zu laden. Diese Grundidee gewinnt auch bei größeren Industrieanlagen auf Akku-Basis immer mehr an Bedeutung.

Eck-Daten

Egal ob im Bereich regenerativer Energien oder bei Ladestationen für Elektrofahrzeuge: viele Anwendungen benötigen eine netzgekoppelte Leistungswandlung. Ausschlaggebend sind hier besonders der benötigte Platz, die Hitzeentwicklung, das Gewicht und die Leistungsaufnahme des Dreiphasen-Wandlers – Anforderungen, die sich oft nur durch den Einsatz von SiC-MOSFETs erfüllen lassen. Im Beitrag beschreibt Wolfspeed eine kostengünstige und effiziente Alternative für industrielle PFC-Anwendungen auf Basis von SiC-Leistungs-MOSFETs.

Bild 2: Zweistufige IGBT- und dreistufige NPC-Gleichrichter-Topologien.
Bild 2: Zweistufige IGBT- und dreistufige NPC-Gleichrichter-Topologien.Wolfspeed

Bei bidirektionalen Systemen verwenden viele Hersteller oft immer noch zweistufige Topologien mit 1200-V-IGBTs. Diese sind einfach im Aufbau, halten zunächst die Halbleiter-Kosten niedrig und und erreichen Leistungen über 20 kW. Allerdings ist hier die Schaltfrequenz auf weniger als 20 kHz begrenzt, was zu Systemen mit geringer Leistungsdichte und Effizienz führt, die kostenintensivere Induktoren benötigen. Es können ferner auch dreistufige Topologien mit Superjunction-FETs oder schnelle 650-V-IGBTs zum Einsatz kommen. Solche mehrstufigen Topologien, zum Beispiel der NPC- Gleichrichter (Neutral Point Clamped), bieten eine höhere Leistungsdichte und Effizienz sowie niedrigere Schaltverluste, führen jedoch ob der hohen Schaltungskomplexität zu Mehrkosten. Bild 2 zeigt die zweistufigen IGBT- und dreistufigen NPC-Gleichrichter-Topologien.

Herausforderungen beim Design

Bild 3: Der zweistufige Gleichrichter auf Basis von SiC-MOSFETs ist deutlich unkomplizierte im Schaltungsdesign und erlaubt höhere Schaltfrequenzen.
Bild 3: Der zweistufige Gleichrichter auf Basis von SiC-MOSFETs ist deutlich unkomplizierter im Schaltungsdesign und erlaubt höhere Schaltfrequenzen.Wolfspeed

Mit SiC-MOSFETs lässt sich eine wesentlich effizientere Schaltung aufbauen. Ihr Einsatz senkt die Schaltverluste gegenüber 1200-V-IGBTs deutlich und erweitert den nutzbaren Schaltfrequenzbereich des zweistufigen 6-Schalter-PFC-Gleichrichters erheblich. Außerdem lässt sich damit gleichzeitig eine höhere Volllast- und Teillasteffizienz erreichen. Ein weiterer Vorteil der Nutzung von SiC-MOSFETs ist, dass sich die Body-Diode als antiparallele Diode nutzen lässt, was die Schaltungskomplexität und die Kosten verringert. Ein Beispiel für einen zweistufigen SiC-MOSFET-Gleichrichter zeigt Bild 3.

Wo der Unterschied von SiC und Si im Detail liegt, beschreibt der Beitrag auf der nächsten Seite.

SiC und Si im Vergleich

Wolfspeed Tabelle 1
Tabelle 1: Spezifikationen für ein PFC-System. Um diese Anforderungen zu erreichen, muss eine exakte Dimensionierung der Halbleiter-Bauelemente erfolgen.Wolfspeed
Bild 4: Schaltverluste abhängig vom Drainstrom bei einem 1000V/65mΩ-SiC-MOSFET von Wolfspeed. Im Vergleich zu einem ähnlichen Si-IGBT fallen die Verluste beim SiC-Bauteil um den Faktor sieben niedriger aus.
Bild 4: Schaltverluste abhängig vom Drainstrom bei einem 1000V/65mΩ-SiC-MOSFET von Wolfspeed. Im Vergleich zu einem ähnlichen Si-IGBT fallen die Verluste beim SiC-Bauteil um den Faktor sieben niedriger aus.Wolfspeed
Wolfspeed Abb.5
Bild 5: RDS(on)-Temperatur-Verhältnis beimWolfspeed

Tabelle 1 zeigt die Spezifikationen für ein PFC-System. Um diese Eigenschaften zu erzielen, muss eine genaue Dimensionierung der Halbleiter-Bauelemente des zweistufigen 6-Schalter-SiC-Systems erfolgen. Dazu lassen sich Standardbemessungs-Gleichungen für dreiphasige, zweistufige Spannungsquellen-Wechselrichter verwenden. Für diese Leistungsstufe wird ein 1000-V-/65-mΩ-SiC-MOSFET verbaut, der sehr niedrige Schaltverluste dank vierpoligem TO-247-Gehäuse mit dediziertem Kelvin-Quellenanschluss bietet. Die optimierte 1000-V-Body-Sperrdioden-Fähigkeit des MOSFETs minimiert die Chipkosten bei gleichzeitiger Unterstützung eines Linkbetriebs von bis zu 800 VDC. Bild 4 zeigt das Schaltverlustverhalten des Bauelementes abhängig vom Drainstrom. Diese PN-Diode besitzt eine wesentlich kleinere Qrr (Reverse Recovery Charge) als parasitäre PN-Dioden auf Si-Basis. Bild 5 zeigt das RDS(on)-Verhalten des Bauelements im Verhältnis zur Temperatur.

Bild 6: Vergleich der Leistungsverluste des SiC-MOSFETs und des Si-IGBTs (Bedingungen: VGRID
Bild 6: Vergleich der Leistungsverluste des SiC-MOSFETs und des Si-IGBTs (Bedingungen: VGRID = 380 V, VLINK = 800 V, POUT = 20 kW bei angenommen konstanten Tj = 110° C).Wolfspeed

Verglichen mit einem ähnlichen 1200-V-/50-A-Si-IGBT (IGW25N120H3), fallen die Schaltverluste bei Verwendung eines SiC-MOSFETs auf Basis der genannten Spezifikationen um den Faktor sieben niedriger aus. Dies liegt in erster Linie an den hohen Ausschalt-Verlusten des IGBTs. Unter Einbeziehung der statischen und dynamischen Eigenschaften des Systems lassen sich die Systemverluste durch eine Simulation berechnen. Bild 6 fasst die bei einer konstanten Sperrschichttemperatur von 110 °C entstehenden Verluste zusammen. Die Simulation erfolgte zunächst sowohl für den SiC-MOSFET also auch für den Si-IGBT bei einer Schaltfrequenz von 48 kHz, bei der die Verluste des IGBTs bei etwa 900 W lagen.

Bild 7: Vergleich der AMCC-50- und AMCC-200-Kerne. Bei einer Schaltfrequenz von 48 kHz ist der kleinere AMCC-50 ausreichend, der nur noch ein Gewicht von 590 g auf die Waage bringt.
Bild 7: Vergleich der AMCC-50- und AMCC-200-Kerne. Bei einer Schaltfrequenz von 48 kHz ist der kleinere AMCC-50 ausreichend, der nur noch ein Gewicht von 590 g auf die Waage bringt.Wolfspeed

Für einen sinnvollen Anwendungsbereich mit akzeptablen Verlusten wurde die Schaltfrequenz für den Si-IGBT auf 16 kHz reduziert. Um eine Gleichspannung mit ähnlicher Restwelligkeit mit einer Schaltfrequenz von 16 kHz zu erzeugen, muss ein 1,2-mH-Induktor zum Einsatz kommen. Bei Nutzung eines amorphen Kerns ist bei einer Frequenz von 48 kHz ein AMCC-50 und für 16 kHz ein AMCC-200 notwendig. Ein Kostenvergleich für beide Konfigurationen ist in Bild 7 dargestellt.

Auf der folgenden Seite beschreibt der Artikel, wie SiC-MOSFETs das Volumen und die Kosten des Systems drastisch sinken lassen.

Volumen und Kosten sinken drastisch

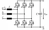
Bild 8: Hardware eines bidirektionalen 20-kW-3-Phasen-Wandlers auf Basis von 1000V/65mΩ-SiC-MOSFETs.
Bild 8: Hardware eines bidirektionalen 20-kW-3-Phasen-Wandlers auf Basis von 1000V/65mΩ-SiC-MOSFETs.Wolfspeed

Die SiC-MOSFETs von Wolfspeed erlauben eine Schaltfrequenz von 48kHz, dank derer wie in Bild 7 ersichtlich, sich die Größe und Kosten des Induktors drastisch reduzieren lassen. Konkret sinkt das Größenvolumen auf ein Drittel und die Bauteilkosten auf 40 Prozent im Vergleich zum Si-IGBT. Ein weiterer Vorteil des hier vorgestellten zweistufigen 6-Schalter-SiC-Systems ist die vereinfachte Kühlung, da es eine Minimalleistung von 230 W aufnimmt, während das System mit Si-IGBTs bei 360 W liegt. Auf Grundlage eines typischen Aluminium-Kühlkörpers wie beispielsweise dem Aavid Thermalloy 82160 mit 400 LFM Luftdurchfluss beträgt das Volumen des SiC-MOSFET-Systems 1,7 dm³ – das Volumen für das System auf Basis von Si-IGBTs beträgt dagegen 3,9 dm³. Daraus resultieren nicht nur deutliche Einsparungen in Sachen Größe und Gewicht, sondern auch spürbare Kostenersparnisse.

Hardware-System mit SiC-MOSFETs

Bild 9: Kurven bei Volllast. VGRID
Bild 9: Kurven bei Volllast. VGRID = 380 V, VLINK = 800V, POUT = 20 kW und FSW = 48 kHz.Wolfspeed

Bild 8 zeigt ein zweistufiges 20-kW-SiC-Hardware-System, dessen Leistungsstufe zwei parallele 1000-V/65-mΩ-SiC-MOSFETs pro Schaltposition besitzt. Die Bauelemente sind auf diskreten TO-247-4L-Bauteilen mit dediziertem Kelvin-Quellenanschluss montiert. Sie bieten eine kostenoptimierte Lösung, da hierbei keine antiparallelen Schottky-Dioden mehr notwendig sind. Hierdurch vereinfachen sich auch das Layout des Leistungs-PCB und die Kühlkörpermontage.

Bild 10: Gemessene Effizienz und THDI abhängig von der Ausgangsleistung bei verschiedenen Eingangsspannungen (FSW
Bild 10: Gemessene Effizienz und THDI abhängig von der Ausgangsleistung bei verschiedenen Eingangsspannungen (FSW = 48 kHz und LPHASE = 400 µH).Wolfspeed

In Bild 9 sind Eingangsspannung und Eingangsstrom für Phase A unter Volllastbedingungen mit einer Schaltfrequenz von 48 kHz gezeigt. Die Messergebnisse unterstreichen die saubere Anordnung von Spannungs- und Stromkennfeldlinien bei minimaler Verzerrung. Der Wandler erreicht damit exakt die gewünschte Korrektur des Leistungsfaktors. Mithilfe eines Leistungsanalysators wurden Systemeffizienz und THDI ermittelt (Bild 10), wobei besonders die hohe Effizienz beziehungsweise die niedrigen Schaltverluste der SiC-MOSFETs hervorstechen.

(na)

Jianwen Shao

Edgar Ayerbe

(na)

Unternehmen