Elektromobilität und Photovoltaik vereint

Integration des EV-Ladesystems in PV-Anlagen mithilfe von SiC-MOSFET-Modulen

Veröffentlicht Geändert
Mit SiC-MOSFETs in kompakten Gehäusen lassen sich PV-Anlage, Energiespeicher und Ladepunkt zusammenführen. Die SiC-MOSFET-Module tragen dazu bei, den Wirkungsgrad der notwendigen Topologien zu erhöhen.
Mit SiC-MOSFETs in kompakten Gehäusen lassen sich PV-Anlage, Energiespeicher und Ladepunkt zusammenführen. Die SiC-MOSFET-Module tragen dazu bei, den Wirkungsgrad der notwendigen Topologien zu erhöhen.

In kompakten Gehäusen unterstützen SiC-MOSFETs die Realisierung eines integrierten Wechselrichterkonzepts mit Photovoltaik und Energiespeicherung. Dieses Konzept ermöglicht die effiziente lokale Energienutzung von Elektrofahrzeugen.

Die Welt steht vor zahlreichen Herausforderungen, die sich aus den Folgen der Nutzung fossiler Energiequellen ergeben. Um diesen Herausforderungen zu begegnen, befindet sich der Energiesektor im Wandel. Der Wandel betrifft nicht nur die Erzeugung von elektrischer Energie mit einem Wechsel zu mehr erneuerbaren Energiequellen, sondern auch die Art und Weise, wie Energie in den verschiedenen Bereichen genutzt wird. Dies und die steigenden Stromkosten für Privathaushalte führen zu einer vermehrten Installation von Photovoltaik-Anlagen (PV). Um den Stromverbrauch von PV-Anlagen zu maximieren kann ein lokaler Energiespeicher (ESS) eingesetzt werden und ein Ladesystem für Elektrofahrzeuge integriert werden. Im Folgenden werden zwei Ansätze zur Ausstattung von PV-Anlagen mit Energiespeichern erläutert und aufgezeigt, welche Vorteile eine integrierte Lösung mit SiC-MOSFETs bietet, insbesondere wenn auch die Technik zum Laden von Elektrofahrzeugen integriert wird.

AC- und DC-gekoppelte Energiespeichersysteme

AC-gekoppelte Energiespeichersysteme können in bestehende PV-Anlagen eingebaut werden, die bereits über einen PV-Wechselrichter ohne integrierte Speicheroption verfügen. Bei dieser Art von System durchläuft die Energie, die für die spätere Nutzung gespeichert wird, vier Umwandlungsstufen während der Speicherphase und erneut zwei Stufen, wenn sie den lokalen Verbrauchern zur Verfügung gestellt wird. Selbst wenn man von einem Wirkungsgrad von 98 Prozent für jede Stufe ausgeht, ergibt dies einen Gesamtwirkungsgrad des Umwandlungspfads von 88,5 Prozent.

Bei Neuinstallationen von PV-Anlagen mit einer Energiespeicheroption wird meist ein PV-Wechselrichter mit integrierter Leistungsstufe verwendet, um den Energiespeicher mit dem Gleichstrombus (DC-Bus) zu verbinden. Dieser Ansatz reduziert die Anzahl der Leistungsumwandlungen zwischen Stromerzeugung, Speicherung und späterem Verbrauch. Hier werden nur zwei Stufen in der Speicherphase und zwei weitere in der Nutzungsphase der gespeicherten Energie aus der Batterie durchlaufen. Die Verringerung der Umwandlungsschritte erhöht den Wirkungsgrad auf 92 Prozent, wobei wiederum ein Wirkungsgrad von 98 Prozent für jede Umwandlungsstufe angenommen wird.

Effizientes Laden von Elektrofahrzeugen

Neben der Energiespeicherung in PV-Anlagen werden in Privathaushalten auch immer mehr Ladestationen für Elektrofahrzeuge (EVs) installiert. Das Home-Charging kann mit AC- oder DC-Ladung realisiert werden. Am weitesten verbreitet ist heute das AC-Laden. Hier wird das Elektrofahrzeug über eine AC-Wallbox mit Wechselstrom versorgt, der dann über den On-Board-Charger (OBC) in Gleichstrom für die Fahrzeugbatterie umgewandelt wird. Alternativ lässt sich eine DC-Wallbox installieren. Diese wandelt den Wechselstrom in Gleichstrom, der dann an das Fahrzeug geliefert wird. Aus Sicht des Energieflusses sind beide Ansätze sehr ähnlich. Dies gilt sowohl für den Fall, dass die PV-Energie direkt zum Laden des Fahrzeugs bereitgestellt wird, als auch für den Fall, dass die gespeicherte Energie aus dem ESS in die xEV-Batterie übertragen wird. Der Hauptunterschied besteht darin, ob die Energieumwandlung für das Laden des Fahrzeugs innerhalb oder außerhalb des Fahrzeugs erfolgt.

Integriertes Wechselrichterkonzept

Als logischer Schritt der Integration und Optimierung kann die Funktion der DC-Wallbox in den PV-Wechselrichter mit (oder ohne) Energiespeicheroption integriert werden. Das daraus resultierende integrierte Wechselrichterkonzept ist in Bild 1 dargestellt. Die Kopplung von ESS und EV-Ladung mit dem PV-Wechselrichter am gemeinsamen DC-Zwischenkreis erlaubt die Energieübertragung von jedem Eingangsanschluss zu jedem Ausgangsanschluss, sofern alle Stufen bi-direktional ausgeführt werden. Dazu sind nur jeweils zwei Umwandlungsstufen notwendig. Die Reduzierung der Umwandlungsstufen erhöht den Wirkungsgrad auf 96 Prozent zwischen den beiden Knotenpunkten, wobei wiederum ein Wirkungsgrad von 98 Prozent für jede Umwandlungsstufe angenommen wird. Wird die von der PV erzeugte Energie zunächst im ESS gespeichert und dann zum Aufladen oder für lokale Lasten verwendet, wird ein Wirkungsgrad von 92 Prozent erwartet. Wenn das Elektrofahrzeug und der isolierte DC/DC-Wandler den bidirektionalen Betrieb unterstützen, kann die Batterie eines angeschlossen Elektrofahrzeugs als zusätzlicher lokaler Speicher Verwendung finden.

Bild 1: Photovoltaik-Wechselrichter mit integriertem ESS und DC-Ladung für Elektrofahrzeuge.
Bild 1: Photovoltaik-Wechselrichter mit integriertem ESS und DC-Ladung für Elektrofahrzeuge.

Neben einem besseren Wirkungsgrad bei der Stromübertragung und den daraus resultierenden Einsparungen im Betrieb senkt das integrierte System auch die Investitionskosten. Der integrierte Wandler enthält eine Umwandlungsstufe weniger als eine Lösung mit einem PV-Wechselrichter inklusive ESS und separater DC-Wallbox. Außerdem wird nur ein Gehäuse benötigt.

Topologien für integrierte Wandler

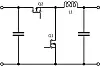
Die Realisierung des integrierten Wandlers erfordert insgesamt vier Leistungswandlerstufen. Mit kleinen Leistungselektronikmodulen, die die neueste Generation von Rohm-SiC-MOSFETs enthalten, lassen sich verschiedene Topologien umsetzen. Die meisten PV-Anlagen für Privathaushalte haben eine Nennleistung von etwa 11 kW. Da ein System in diesem Leistungsbereich mit einem dreiphasigen Anschluss an das Stromnetz angeschlossen ist, beträgt die Zwischenkreisspannung etwa 800 V. Dies erfordert den Einsatz von 1200-V-Halbleitern. In diesem Spannungsbereich bieten SiC-MOSFETs im Vergleich zu Si-IGBTs erhebliche Leistungsvorteile. Für die DC/DC-Stufe, welche die PV-Module mit dem gemeinsamen Zwischenkreis verbindet, ist die einfachste mögliche Lösung ein Standard-Aufwärtswandler (Bild 2).

Bild 2: Für die DC/DC-Stufe, welche die PV-Module mit dem gemeinsamen Zwischenkreis verbindet, ist die einfachste mögliche Lösung ein Standard-Aufwärtswandler.
Bild 2: Für die DC/DC-Stufe, welche die PV-Module mit dem gemeinsamen Zwischenkreis verbindet, ist die einfachste mögliche Lösung ein Standard-Aufwärtswandler.

In dem hier betrachteten typischen Leistungsbereich ist es üblich, mehrere solcher parallel arbeitender Aufwärtswandler einzusetzen, um ein unabhängiges maximales Maximum-Power-Point-Tracking für mehrere PV-Strings zu ermöglichen. Die Schnittstelle zur Hochvoltbatterie kann als bidirektionaler DC/DC-Wandler realisiert werden (Bild 3).

Bild 3: Die Schnittstelle zur Hochvoltbatterie kann als bidirektionaler DC/DC-Wandler realisiert werden.
Bild 3: Die Schnittstelle zur Hochvoltbatterie kann als bidirektionaler DC/DC-Wandler realisiert werden.

SiC: Technologie, Effizienz, Miniaturisierung

Elektronik für die Zukunft - Vor dem Hintergrund der globalen Erwärmung, die künftige Generationen bedroht, steigt die Nachfrage nach energieeffizienten Geräten. Der Einsatz der SiC-Technologie führt zu erheblichen Energieeinsparungen und CO₂-Reduzierung. In diesem Kanal informieren wir Sie über unsere Schlüsseltechnologien, Produktionsprozesse und Dienstleistungen. Außerdem zeigen wir, wie ROHM als Unternehmen dazu beitragen will, die Welt mit unseren Produkten grüner zu machen.

Elektronik für die Zukunft - Vor dem Hintergrund der globalen Erwärmung, die insbesondere künftige Generationen bedroht, steigt die Nachfrage nach energieeffizienten Geräten. Der Einsatz der SiC-Technologie führt zu erheblichen Energieeinsparungen und CO₂-Reduzierung. In diesem Kanal informiert ROHM über Schlüsseltechnologien, Produktionsprozesse und Dienstleistungen.

Die DC/AC-Stufe muss mit einer bidirektionalen Schaltung realisiert werden, um den Stromfluss zum Netz oder zu lokalen Wechselstromverbrauchern zu gestatten. Ebenso muss der Stromfluss von Wechselstrom zu Gleichstrom möglich sein, um das Elektrofahrzeug zu laden, wenn die lokale Speicherbatterie leer ist und keine Energie aus PV zur Verfügung steht. Eine Topologie, die diese Anforderungen mit minimalem Aufwand und – unter Verwendung von SiC-MOSFETs – mit hohem Wirkungsgrad erfüllen kann, ist die in Bild 4 dargestellte dreiphasige Vollbrücke.

Bild 4: Die DC/AC-Stufe muss mit einer bidirektionalen Schaltung realisiert werden, um den Stromfluss zum Netz oder zu lokalen Wechselstromverbrauchern zu gestatten. Erfüllen kann dies eine dreiphasige Vollbrücke.
Bild 4: Die DC/AC-Stufe muss mit einer bidirektionalen Schaltung realisiert werden, um den Stromfluss zum Netz oder zu lokalen Wechselstromverbrauchern zu gestatten. Erfüllen kann dies eine dreiphasige Vollbrücke.

Die DC/DC-Stufe für den EV-Ladeanschluss ist aus Sicherheitsgründen in der Regel als isolierter Wandler ausgeführt. Der gemeinsame DC-Zwischenkreis im integrierten Stromrichter ist auf etwa 800 V festgelegt. Der DC/DC-Wandlerausgang muss einen weiten Spannungsbereich abdecken, um sowohl EVs mit Batteriespannungen um 400 V als auch solche mit Batterien im 800-V-Bereich zu unterstützen. Daher wird die Verwendung einer CLLC-Topologie, wie bei OBCs üblich, hier nicht empfohlen. Sie ist nicht optimal in Situationen, in denen sich das Übertragungsverhältnis von Eingang zu Ausgang über einen breiten Bereich ändert. Stattdessen ist eine Dual-Active-Bridge (DAB) vorzuziehen (Bild 5).

Der DC/DC-Wandlerausgang muss einen weiten Spannungsbereich abdecken, um sowohl EVs mit Batteriespannungen um 400 V als auch solche mit Batterien im 800-V-Bereich zu unterstützen. Daher kommt hier eine Dual-Active-Bridge zum Einsatz.
Der DC/DC-Wandlerausgang muss einen weiten Spannungsbereich abdecken, um sowohl EVs mit Batteriespannungen um 400 V als auch solche mit Batterien im 800-V-Bereich zu unterstützen. Daher kommt hier eine Dual-Active-Bridge zum Einsatz.

Alle hier beschriebenen Topologien können mit 1200-V-SiC-MOSFETs (und SBDs für die Aufwärtsstufe) in diskreten Gehäusen (z. B. TO-247-4L) realisiert werden. Wie in Tabelle 1 dargestellt, sind für eine Realisierung mit ausschließlich diskreten Komponenten insgesamt 24 Leistungshalbleiter erforderlich. Bei einer diskreten Lösung müssen die Kriechstromanforderungen auf Gehäuseebene für jeden Transistorschalter Berücksichtigung finden. Dies führt zu großen Bauteilen, selbst wenn der SiC-Chip im Gehäuse klein ist. Durch die Kombination mehrerer Chips in einem einzigen Gehäuse wird der Gesamtplatzbedarf reduziert – zum Teil aufgrund der Tatsache, dass die Kriechstromanforderungen einmal für eine gesamte Topologie berücksichtigt werden können.

Für eine Realisierung mit ausschließlich diskreten Komponenten sind insgesamt 24 Leistungshalbleiter erforderlich.
Für eine Realisierung mit ausschließlich diskreten Komponenten sind insgesamt 24 Leistungshalbleiter erforderlich.

Das Schaltverlustverhalten des 6-in-1-Moduls mit 36 mW, 1200V SiC-MOSFETs wurde in einer Testplatine bewertet, die eine AC/DC-Stufe für eine OBC-Anwendung realisiert. Die Ergebnisse der Bewertung der Schaltverluste durch Doppelpulstests dieses Moduls gelten auch für den hier betrachteten Fall einer bidirektionalen DC/AC-Stufe. Auf der Grundlage dieser Daten wurde eine Simulation einer bidirektionalen AC/DC-Stufe für ein 11-kW-System durchgeführt. Die in Bild 6 dargestellten Simulationsergebnisse prognostizieren, dass eine 11-kW-AC/DC-Stufe auf der Basis eines 6-in-1-Moduls mit SiC-MOSFETs der vierten Generation (36 mW, 1200 V ) bei einer Schaltfrequenz von 48 kHz und der Verwendung eines Kühlkörpers mit forcierter Luftkühlung einen Wirkungsgrad von etwa 99 Prozent hat. Dabei sind nur die Halbleiterverluste berücksichtigt.

Bild 6: Simulierter Wirkungsgrad AC/DC- und DC/AC-Betrieb (fSW = 48 kHz).
Bild 6: Simulierter Wirkungsgrad AC/DC- und DC/AC-Betrieb (fSW = 48 kHz).

Mit einem kompakten Halbleitermodul wie dem hier gezeigten kann nicht nur die Vollbrücke für die DC/AC-Stufe des integrierten PV-Wechselrichters mit lokalen Speicher- und EV-Lade-Ergänzungen realisiert werden. Auch die verschiedenen DC/DC-Stufen lassen sich mit unterschiedlichen Modultypen aus dem in Tabelle 1 gezeigten Line-up adressieren. Für den Multi-MPPT-Boost werden die drei Halbbrücken eines 6-in-1-Moduls verwendet, und der DAB wird mit zwei 4-in-1-Modulen aufgebaut. Der nicht isolierte DC/DC-Wandler kann auf mehrere Arten ausgelegt werden, entweder mit einem mehrphasigen DC/DC-Ansatz mit Interleaving auf der Grundlage eines 4-in-1- oder 6-in-1-Moduls oder unter Verwendung der Halbbrückenmodule.

Fazit

Das integrierte System leistungselektronischer Wandler auf Basis kompakter und effizienter SiC-MOSFET-Module verbessert nicht nur die Effizienz der Energieübertragung und reduziert damit die Betriebskosten, sondern hilft auch Investitionskosten zu senken. Insgesamt kann der Einsatz von 1200-V-SiC-MOSFETs in diesen Gehäusen die Realisierung effizienter leistungselektronischer Wandlerkonzepte für das Laden von Elektrofahrzeugen in der dargestellten Kombination mit PV und Energiespeichersystemen fördern.

Die SiC-MOSFET-Module können die Industriestandards für Robustheit und Zuverlässigkeit erfüllen und bieten eine optimale Lösung für kompakte Designs von leistungselektronischen Wandlern. Diese Module eignen sich nicht nur für die hier beschriebene Anwendung, sondern können auch wertvolle Bausteine für andere industrielle oder Automobil-Anwendungen sein. (na)

Autoren

C. Felgemacher, M. Jankovic, C. Fuentes, J. Hüskens und A. Thamm,

ROHM Semiconductor Europe

Unternehmen