Stromversorgung über die Isolationsbarriere

Das ist die Situation bei isolierten DC/DC-Bias-Stromversorgungen

Veröffentlicht Geändert
Bias-Anwendungen
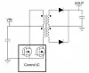
Bild 1: Beispiele für isolierte Bias-Anwendungen.

Die Auswahl an Hilfsmitteln, die Elektronikdesignern von Stromversorgungen zur Verfügung stehen, wird immer umfangreicher. Um das passende Werkzeug zu finden, ist es wichtig, zu wissen welche Tools es gibt und wie diese am besten eingesetzt werden.

Eckdaten

Für die Stromversorgung über eine Isolationsbarriere hinweg bieten sich zahlreiche Optionen an. Entscheidend ist es, über System-Spezifikationen wie Zahl der Ausgänge, Regelungsanforderungen, Ausgangsleistung, Isolationsklasse, Betriebstemperatur und den Eingangsspannungsbereich Bescheid zu wissen. Mit diesen Informationen gerüstet, kann die kostengünstigste Lösung gefunden werden, die die Systemanforderungen erfüllt.

Häufig stehen Designer vor der Herausforderung, Signale und Stromversorgung über eine Isolationsbarriere hinweg zu übertragen. Sicherheitsgründe, Störbeständigkeit oder starke Potenzialdifferenzen zwischen verschiedenen Bereichen eines Systems können eine Isolation erforderlich machen. Zum Beispiel ist das Ladegerät eines Mobiltelefons intern isoliert. Damit soll verhindert werden, dass im Fall eines Kurzschlusses im Steckverbinder die Anwender nicht mit der Netzspannung in Kontakt kommen. In anderen Anwendungen wie etwa Industrierobotern besitzen die empfindlichen Steuerungsschaltungen eine separate Masse und sind damit von den Motoren, die hohe Gleichströme aufnehmen sowie Störungen und Ground-Bounce-Effekte erzeugen, isoliert.

Kommunikation und Sensorik werden üblicherweise über eine Isolationsbarriere hinweg implementiert. Automotive-Anwendungen, in denen die Kommunikation per CAN (Controller Area Network) oder CAN-FD (Flexible Data Rate) erfolgt, können die Signale für dieses Protokoll von den Hochspannungs-Abschnitten des Fahrzeugs isolieren, indem sie einen isolierten CAN-Transceiver benutzen, in den die Isolations- und Transceiver-Funktionen integriert sind. Auch in industriellen Anwendungen lässt sich das CAN-Protokoll nutzen, jedoch kann hier für die serielle Kommunikation über größere Distanzen auch das RS-485-Protokoll genutzt werden. Ähnlich wie bei der Isolation von CAN- und CAN-FD-Signalen können Designer auch im Fall von RS-485 auf isolierte Transceiver zurückgreifen, die genau für dieses Protokoll konzipiert sind. Schutzrelais enthalten isolierte Strom- und Spannungssensoren, um die über das Stromnetz übertragene Leistung zu erfassen. Traktionswechselrichter und Motortreiber nehmen ein pulsweitenmoduliertes Signal von der Motorsteuerung entgegen, übertragen es über einen Isolator und leiten es an den Gate-Treiber weiter, der damit einen IGBT ein- und ausschaltet.

Bias-Anwendung
Bild 1: Beispiele für isolierte Bias-Anwendungen.Texas Instruments

Isolierte Bias-Wandler ermöglichen eine isolierte Kommunikation und Sensorik, indem sie eine Bias-Stromversorgung von einer Seite der Isolationsbarriere an die andere übertragen. Strom- und Spannungssensoren, Digitalisolatoren und Gate-Treiber nehmen typisch weniger als 15 W auf (und einige 10 mW). In Bild 1 sind Beispiele für jede dieser Applikationen zu sehen.

Anforderungen an isolierte DC/DC-Bias-Stromversorgungen

Für die Bereitstellung einer isolierten Bias-Stromversorgung gibt es viele Lösungen – angefangen bei Controllern, die mit externen Leistungsschaltern kombiniert werden, über Wandler, in die der Controller und die Leistungsschalter integriert sind, bis zu Power-Modulen, die Controller, Leistungsschalter und Übertrager in einem Gehäuse zusammenfassen. Angesichts dieser großen Vielfalt nicht nur an Bias-Stromversorgungslösungen sondern auch an Anwendungen, für die sie infrage kommen, ist es überaus wichtig, die von der jeweiligen Applikation gestellten Anforderungen genau zu verstehen, damit diese Spezifikationen zu geringstmöglichen Kosten erfüllt werden können.

Designer sollten zumindest den Eingangsspannungsbereich, die Ausgangsspannung und die erforderliche Ausgangsleistung der Bias-Stromversorgung kennen. Da einige Anwendungen nicht nur eine einzige Bias-Spannung benötigen, kommt es ebenfalls darauf an, die akzeptablen Regeleigenschaften für jeden Ausgang zu definieren. Systemseitige Anforderungen wie die Isolationsklasse, der Umgebungstemperaturbereich, die elektromagnetischen Interferenzen (EMI) und die elektromagnetische Verträglichkeit (EMV) gehen ebenfalls in die Designentscheidungen ein. Für Tabelle 1 wurden vier Beispiele aus der Vielzahl an Spezifikationen für isolierte Bias-Wandler herausgegriffen.

Nachfolgend werden exemplarisch einige Topologien für isolierte Bias-Stromversorgungen untersucht.

Sperrwandler

Spezifikationen Bias-Wandler
Tabelle 1: Beispiele für Spezifikationen isolierter Bias-Wandler.Texas Instruments
Schaubild Sperrwandler
Bild 2: Vereinfachtes Schaubild eines Sperrwandlers.Texas Instruments

Der Sperrwandler (Flyback Converter) ist eine bestens bekannte und seit Jahrzehnten genutzte Topologie, die dank ihrer Flexibilität und ihrer geringen Kosten für ein breites Spektrum von Anwendungen infrage kommt. Fortschritte wie die Integration des Feldeffekt-Transistors (FET) und die primärseitige Regelung machen diese Topologie noch attraktiver.

Im Vergleich zu den von Abwärtswandlern abgeleiteten Topologien (zum Beispiel Durchfluss-, Push-Pull- und Halbbrücken-Wandler) begnügt sich der Sperrwandler mit nur einem primärseitigen Schalter, einem Gleichrichter und einer übertragerähnlichen gekoppelten Induktivität. Bild 2 zeigt das vereinfachte Schaltbild eines Sperrwandlers. Bei eingeschaltetem primärseitigem Schalter liegt die Eingangsspannung an der Primärwicklung, wodurch Energie im Luftspalt des Übertragers gespeichert wird. In diesem Zustand wird der Verbraucher ausschließlich aus dem Ausgangskondensator gespeist. Sobald der primärseitige Schalter abschaltet, wird die im Übertrager gespeicherte Energie an die Sekundärwicklung übertragen und fließt über den Gleichrichter an die Ausgangskondensatoren und den Verbraucher.

Sperrwandler eignen sich aus mehreren Gründen gut als Bias-Stromversorgung. Zum einen sind Regelung und Isolation in einer Wandlerstufe zusammengefasst, und zum anderen eignet sich die Topologie dank ihrer Flexibilität auch zur Bereitstellung mehrerer Ausgangsspannungen. Die Zahl der Ausgangswicklungen lässt sich individuell bestimmen, um den Belangen der jeweiligen Konfiguration gerecht zu werden. Die Spannungen an den einzelnen Ausgangswicklungen sind eine Funktion des Tastverhältnisses und des Windungsverhältnisses zwischen Primär- und Sekundärseite. Es ist sogar möglich, jeden Ausgang auf eine andere Masse zu beziehen, um die Isolationsanforderungen des Systems zu erfüllen. Als weitere Vorteile der Sperrwandler-Architektur sind zum einen die relativ geringen Kosten zu nennen. Zum anderen eignen sie sich für ein großes Verhältnis zwischen Eingangs- und Ausgangsspannung.

Im Interesse optimaler Leistungsfähigkeit kommt es darauf an, den Sperrwandler-Übertrager korrekt zu konstruieren. Neben einer guten Kopplung sollte er eine geringe Streuinduktivität aufweisen, um einen größtmöglichen Wirkungsgrad und optimale Regeleigenschaften zu erzielen – besonders, wenn mehrere Ausgänge vorhanden sind. Darüber hinaus ist es jedoch auch notwendig, die parasitäre Kapazität zwischen Primär- und Sekundärseite zu begrenzen, um zu unterbinden, dass übermäßig viele elektromagnetische Störaussendungen entstehen.

Fly-Buck-Wandler

Schaltbild Fly-Buck-Wandler
Bild 3: Prinzipschaltbild eines Fly-Buck-Wandlers.Texas Instruments

Der Fly-Buck-Wandler ist eine von Texas Instruments entwickelte Topologie zur Realisierung einer isolierten Bias-Versorgung für Eingangsspannungen bis zu 100 V. Ebenso wie beim Sperrwandler, sind auch hier die MOSFETs üblicherweise in den IC integriert, und die primärseitige Regelung gestaltet sich überaus einfach. Die Schaltung eines Fly-Buck-Wandlers lässt sich aus Bild 3 ersehen. Sie besteht aus einem synchronen Abwärtswandler mit einer gekoppelten Induktivität zur Bereitstellung eines oder mehrerer isolierter Ausgänge. Bei eingeschaltetem High-Side-Schalter arbeitet die Primärseite wie ein Abwärtswandler, und der Strom in der Sekundärwicklung ist null. Wenn im Aus-Zustand der Low-Side-Schalter eingeschaltet ist, wird die Sekundärseite aus der in der Primärwicklung gespeicherten Energie versorgt.

Da synchrone Abwärtswandler in großem Umfang verfügbar sind, stellt der Fly-Buck-Wandler eine attraktive Topologie dar. Er benötigt keine zusätzliche Hilfswicklung und keinen Optokoppler für die Regelung, da die Rückkoppelschleife über die primärseitige Ausgangsspannung geschlossen werden kann. Außerdem besteht Flexibilität hinsichtlich der Konstruktion der gekoppelten Induktivität. Das Windungsverhältnis, die Isolationsklasse, die Zahl der Sekundärwicklungen und das PWM-Tastverhältnis lassen sich individuell auf die Anforderungen einer breiten Vielzahl an Anwendungen abstimmen.

Wie schon beim Sperrwandler, muss die gekoppelte Induktivität auch hier sorgfältig konstruiert werden. Es ist wichtig, die Streuinduktivität nicht ausufern zu lassen und gleichzeitig die parasitäre Kapazität zwischen der Primär- und der Sekundärseite zu begrenzen. Für Anwendungen mit mehr als 100 V Eingangsspannung kommen Fly-Buck-Wandler mit externem MOSFET infrage.

Push-Pull-Übertragertreiber

Schaubild Push-Pull-Übertragertreiber
Bild 4: Schema eines Push-Pull-Übertragertreibers.Texas Instruments

Push-Pull-Übertragertreiber werden häufig eingesetzt, wenn rauscharme und wenig Platz beanspruchende isolierte Stromversorgungen benötigt werden. Die Schaltung wird von einer genau geregelten Eingangsspannung gespeist und arbeitet ungeregelt mit einem konstanten Tastverhältnis von 50 Prozent. Da die MOSFETs in den IC integriert sind, ergibt sich eine kompakte Lösung.

In Bild 4 ist die Push-Pull-Topologie zu sehen. Es handelt sich bei ihr um eine doppelte Durchflusswandler-Topologie, wobei beide MOSFETs massebezogen sind, um ohne externe Bootstrap-Schaltungen auszukommen. Ebenso wie bei einem massebezogenen Durchflusswandler, werden die FETs mit dem Doppelten der Eingangsspannung belastet. Die MOSFETs schalten in abwechselnden Halbzyklen mit 50 Prozent Tastverhältnis und steuern die mit einem Mittenabgriff versehene Wicklung des Übertragers an.

Der Push-Pull-Übertragertreiber hat aus mehreren Gründen große Verbreitung als isolierte Bias-Stromversorgung gefunden. Zum einen ist er flexibel und eignet sich für mehrere Ausgänge. Außerdem vereinfacht die ungeregelte Konfiguration das Design, weil keine Rückkoppelschleife benötigt wird. Da der Push-Pull-Übertrager eine geringere Kapazität zwischen Primär- und Sekundärseite aufweist, verringern sich die Gleichtakt-Störungen gegenüber Sperrwandlern und Fly-Buck-Wandlern. Hinzu kommt, dass die Push-Pull-Topologie den Kernmagnetisierungsstrom des Übertragers effizienter nutzt. Verglichen mit Sperr- und Fly-Buck-Wandlern lassen sich dadurch kleinere magnetische Lösung verwenden.

Obwohl der Übertragertreiber eine Vielzahl von Vorteilen aufzuweisen hat, dürfen die Nachteile nicht übersehen werden. Im Unterschied zu Sperr- und Fly-Buck-Wandlern eignet er sich beispielsweise nicht für einen großen Eingangsspannungsbereich, sondern ist auf eine recht genau geregelte Eingangsspannung angewiesen. Außerdem kann die Einhaltung der Anforderungen an die Ausgangsspannungs-Regelung eine Herausforderung darstellen, weil keine Rückkopplung existiert. Möglicherweise wird deshalb ein nachgeschalteter Low-Dropout-Regler (LDO) benötigt.

Power-Module

Schaltbild Power-Modul
Bild 5: Blockschaltbild eines Power-Moduls.Texas Instruments

Schon seit Jahrzehnten werden auf dem Markt Power-Module angeboten, die in großer Vielfalt verfügbar sind und gegenüber diskreten Implementierungen einen hohen Integrationsgrad aufweisen. Power-Module sind in zahllosen Varianten erhältlich, was die Eingangsspannung, die Ausgangsspannung, die Ausgangsleistung, die Zahl der Ausgänge, die Isolationsklasse und die Regelungsoptionen angeht.

Bild 5 zeigt den inneren Aufbau eines Power-Moduls in Form eines Blockschaltbilds. Bestandteil der Topologie ist ein Übertragertreiber, ganz ähnlich wie bei der diskreten Version, und einige Power-Module können zur Regelung auch einen LDO enthalten.

Angesichts der enormen Optionsvielfalt kommen Power-Module für die meisten isolierten Bias-Wandler-Anwendungen in Betracht. Sie machen den Designprozess deutlich einfacher, da das Spezifizieren, Konstruieren oder Auswählen eines Übertragers komplett wegfällt. Stattdessen müssen nur ein Eingangs- und ein Ausgangs-Kondensator spezifiziert werden, um mit dem Design zu beginnen. Weitere Optionen wie die Synchronisation, das Festlegen der Ausgangsspannung, das Enable-Signal oder Fehlersignale stehen ebenfalls zur Verfügung.

Bei der Verwendung von Modulen büßt man allerdings zwangsläufig etwas an Flexibilität ein, speziell, was das Konfigurieren der Zahl der Ausgänge und der Windungsverhältnisse des Übertragers angeht. Die Auswahl an Modulen, die für Umgebungstemperaturen bis 125 °C geeignet sind, ist außerdem geringer als bei jenen für Temperaturen bis 85 oder 55 °C. Ähnlich ist es bei der Isolation: Module mit vollständig verstärkter Isolation sind in geringerer Auswahl verfügbar als solche mit Funktions- oder Basisisolation.

Bias-Stromversorgungslösung der nächsten Generation

Schaubild DC/DC-Bias-Stromversorgung
Bild 6: Die isolierte DC/DC-Bias-Stromversorgung UCC12050.Texas Instruments

Innovationen im Bereich des Übertragerdesigns und der Topologien für höhere Frequenzen haben es IC-Designern ermöglicht, Übertrager und Halbleiter in einer integrierten Schaltung zu vereinen. Der Endanwender erhält damit eine kleine und leichtgewichtige, isolierte DC/DC-Biasversorgung, ohne dass ein Übertrager konstruiert werden muss oder Kompromisse bei der System-Performance einzugehen sind.

In Bild 6 ist das Blockschaltbild des UCC12050 von Texas Instruments zu sehen. Mit seiner integrierten Leistungsstufe und seinem Gleichrichter hat dieser Baustein Ähnlichkeit mit einem Power-Modul, jedoch offenbart ein genauerer Blick auf das Bauteil, dass die Schaltfrequenz hier wesentlich höher ist als bei einem Power-Modul. Gegenüber Alternativen mit niedrigerer Schaltfrequenz lässt dies eine signifikante Höhen- und Gewichtsreduzierung zu. Die interne Topologie arbeitet geregelt ohne LDO oder externe Rückkopplungs-Bauteile.

Topologien Bias-Stromversorgungen
Tabelle 2: Gegenüberstellung von vier Topologien für isolierte Bias-Stromversorgungen.Texas Instruments

Der Baustein hat Vorteile für die Vielzahl an Applikationen für isolierte DC/DC-Bias-Stromversorgungen. Enthalten ist ein EMI-optimierter Übertrager mit einer Primär-Sekundär-Kapazität von 3,5 pF und einem rauscharmen Regelungsschema. Ohne Ergänzungen besteht die Lösung die Tests gemäß CISPR32 Klasse B auf einer zweilagigen Leiterplatte ohne Ferritperlen oder LDOs. Das robuste Design ist für eine verstärkte Isolation von 5 kVrms und 1,2 kV Arbeitsspannung ausgelegt und kann bei Umgebungstemperaturen bis zu 125 °C eingesetzt werden. Zu dieser Bausteinfamilie gehört auch der UCC12040, der für eine Basisisolation (3 kVrms und 800 Vrms Arbeitsspannung) konzipiert ist.

Der UCC12050 zielt auf Anwendungen mit einer Eingangsspannung von 5 V und Ausgangsspannungen von 3,3 bis 5,4 V sowie einem Leistungsbedarf von 500 mW. In Anwendungen, die höhere Ein- oder Ausgangsspannungen benötigen, müssen entsprechende Wandler vor- oder nachgeschaltet werden. Für Designs mit einem Leistungsbedarf, der über der Derating-Kurve dieses Bausteins liegt, sollten dagegen alternative Topologien sondiert werden.

Tabelle 2 vergleicht die soeben beschriebenen Topologien miteinander. Topologien mit externen Übertragern bieten die meiste Flexibilität, während sich Power-Module und der UCC12050 durch die einfachste Anwendung auszeichnen.

(neu)

Ryan Manack

Business Lead, HVC Product Line, High Voltage Power Business Unit, Texas Instruments

(neu)

Unternehmen