Temperaturen exakt erfassen

SMD-NTC-Thermistoren

Veröffentlicht Geändert
Epcos-SMD-NTC-Thermistoren eignen sich für die hochgenaue Temperaturmessung.
Bild 4: Epcos-SMD-NTC-Thermistoren eignen sich für die hochgenaue Temperaturmessung.

Eine möglichst genaue Temperaturmessung wird vor allem in Anwendungen der Industrie- und Automobil-Elektronik immer wichtiger. Epcos-SMD-NTC-Thermistoren sind hierfür zuverlässige Schlüsselbauelemente.

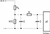
603_Figure-1_tnt04749-e
Bild 1: Prinzipschaltbild einer Ladeüberwachung mit NTC-Thermistoren.TDK

Elektronik-Baugruppen mit hohen Packungsdichten werden oft an ihren thermischen Limits betrieben. Um bei drohender Überhitzung rechtzeitig Gegenmaßnahmen einleiten zu können, ist die exakte Temperaturerfassung unumgänglich. Epcos-SMD-NTC-Thermistoren in miniaturisierten Bauformen ermöglichen die dafür notwendigen hochpräzisen Messungen. Bei NTC-Thermistoren nimmt der Widerstandswert exponentiell mit zunehmender Temperatur ab. Dadurch kann durch eine einfache Widerstandsmessung eine Temperatur sehr genau bestimmt werden. NTC-Thermistoren sind in verschiedenen Ausführungen, Bauelementgrößen, Nennwiderständen und B-Werten erhältlich. Dabei bedeutet ein hoher B-Wert eine steile Kennlinie.

Sensitive SMD-NTC-Thermistoren

Fällt die Entscheidung auf den Einsatz von Bauelementen mit hohem Nennwiderstandswert, reduziert sich die Verlustleistung. TDK bietet geeignete SMD-NTC-Thermistoren in der Baugröße EIA 0603 mit einem Widerstand von 100 kΩ in den Toleranzklassen ± 1%, ± 3% und ± 5%. Die Kennlinie ist mit dem B-Wert von 4480 K besonders steil, was bedeutet, dass diese Thermistoren für eine hochgenaue Temperaturmessung besonders sensitiv reagieren. Dadurch und dank ihrer kurzen Ansprechzeit ermöglichen diese neuen NTC-Thermistoren eine präzise und schnelle Temperaturmessung in einem großen Messbereich. Die Bauelemente eignen sich für Anwendungen bis zu einer Temperatur von +150 °C und können für eine ganze Reihe von Applikationen in der Konsum- und Industrie-Elektronik, aber auch in der Automobilelektronik verwendet werden. Zudem sind noch weitere Produkte mit verschiedenen B-Werten verfügbar.

Die neue Serie ergänzt die bestehende Serie von SMD-NTC-Thermistoren mit einem Nennwiderstand von 10 kΩ. Die Standard-Serie eignet sich für Anwendungen bis +125 °C. Die Bauelemente der Serien B57230V2103*260 (EIA 0402) und B57330V2103*260 (EIA 0603) können für etliche Applikationen in der Konsum- und Industrie-Elektronik verwendet werden. Diese engen Toleranzen werden durch eine neue Fertigungstechnologie sowie eine robuste Glaspassivierung ermöglicht, die zudem für hohe Zuverlässigkeit und Alterungsstabilität sorgt.

Exakte Stromnachregelung dank schneller Temperaturerfassung

Ein typisches Beispiel ist die Ladeüberwachung von Akkus in mobiler Elektronik. Bei moderner Ladetechnik muss nicht nur die maximal zulässige Temperatur der Akku-Zellen überwacht werden, sondern auch der maximal zulässige Ladestrom der einzelnen Zelle bei der höchstzulässigen Zelltemperatur. Erreicht die Zelle durch den Ladestrom ihre Grenztemperatur, muss dieser sehr genau abgeregelt werden, um eine Beschädigung der Zelle zu vermeiden. Je genauer und schneller Temperaturänderungen der Zelle erfasst werden, umso exakter kann der Strom nachgeregelt werden. Dieses Verfahren erlaubt es, in kürzest möglicher Zeit zu laden, ohne das Risiko einer thermischen Überlastung einzugehen. In einigen Applikationen wie bei der Schnellladung ist es sinnvoll, auch die Umgebungstemperatur zu erfassen, um zu große Temperaturunterschiede zwischen den Zellen und der Umgebung zu vermeiden. Dazu kann ein zweiter NTC-Thermistor direkt auf der Platine der Lade-Elektronik integriert werden. Bild 1 zeigt eine solche Schaltung.

Thema der nächsten Seite: Halbleiter vor Überhitzung schützen

Bild 2: Thermische Überwachung von Micro-Controllern.
Bild 2: Thermische Überwachung von Micro-Controllern.TDK

Leistungshalbleiter, Logik-Bauelemente, Micro-Controller und Prozessoren müssen vor zu hohen Temperaturen geschützt werden, um eine sichere Funktion zu gewährleisten. Die neuen SMD-NTC-Thermistoren können dank ihrer geringen Baugröße (zum Beispiel EIA 0402) direkt in der Nähe von Micro-Controllern und anderen Hot Spots auf der Platine verbaut werden. Der gute thermische Kontakt zur Leiterplatte über die Lötverbindungen bei gleichzeitig vernachlässigbarer Selbsterwärmung sorgt für eine sehr präzise thermische Überwachung empfindlicher Halbleiter. Dank der hohen Widerstandsfähigkeit der SMD-NTC-Thermistoren gegen thermischen Schock eignen sie sich nicht nur für Reflow-Lötverfahren, sondern auch für Wellenlöten. Deshalb können Designer die Thermistoren auf der Unterseite der Platine zum Beispiel gegenüber von Micro-Controllern platzieren, was einen sehr guten thermischen Kontakt ergibt – auch bei Controllern mit großen Abmessungen. Bild 2 zeigt eine typische Schutzbeschaltung für Micro-Controller.

LED-Lebensdauer verlängern

Bild 3: Thermische Überwachung von LED-Beleuchtungen.
Bild 3: Thermische Überwachung von LED-Beleuchtungen.TDK

In LED-Beleuchtungssystemen sorgen SMD-NTC-Thermistoren für eine große Lichtausbeute bei gleichzeitig hoher Lebensdauer. Die Effizienz von LED-Leuchten wird maßgeblich durch die Temperatur der Halbleiterübergänge bestimmt. Zu hohe Temperaturen müssen vermieden werden, da diese zu einem frühen Leistungsabfall, zur Reduzierung der Leuchtkraft, Farbänderung sowie einer deutlich verkürzten Lebensdauer, im schlimmsten Fall sogar zur Zerstörung führen. Um eine höchst mögliche Effizienz zu erzielen, muss die Temperatur in dem spezifizierten Optimum gehalten werden. Wird ein SMD-NTC-Thermistor in die LED-Schaltung integriert, führt jede Abweichung von der idealen Temperatur zu einer starken Widerstandsänderung des NTC-Elements. Diese wertet ein Komperator aus, wodurch der Stromfluss durch die LED reduziert wird. Dadurch sinkt die Verlustleistung der LED, was deren Lebensdauer deutlich erhöht. Bild 3 zeigt eine entsprechende Schaltung.

Speziell für Entwickler von LED-Beleuchtungssystemen gibt es ein Sample Kit mit Epcos SMD-NTC-Thermistoren.

Epcos-SMD-NTC-Thermistoren eignen sich für die hochgenaue Temperaturmessung.
Bild 4: Epcos-SMD-NTC-Thermistoren eignen sich für die hochgenaue Temperaturmessung.TDK

Neben der Standard-Serie wurde auch eine Automotive-Serie entwickelt. Sie ist nach AEC-Q200 qualifiziert und für Anwendungen bis +150 °C geeignet. Eingesetzt werden die neuen NTC-Thermistoren in der Automobil-Elektronik etwa in Steuergeräten, Klimaanlagen, in der Temperaturüberwachung von Batterien sowie Ladesystemen.

(AH)

Bettina Renz

Product Marketing Manager Multilayer Marketing Piezo and Protection Devices PPD, TDK
603_Autorin_Bettina Renz

(AH)