Einfaches Bauteil – trotzdem viel zu beachten

Was Komparatoren leisten und wo sie eingesetzt werden

Schaltbild Komperator
Ein Komparator ist ein Vergleicher, der zwei Eingänge besitzt. Ein Eingang ist invertiert und wird mit einem Minuszeichen (-) gekennzeichnet. Der andere Eingang ist nicht invertiert und wird mit einem Pluszeichen (+) gekennzeichnet. Je nachdem, welcher Eingang das höhere Spannungspotential aufweist, wird der Ausgang des Komparators umgeschaltet.

Komparatoren sind unscheinbare, aber entscheidende Bauteile in der Elektronik. Sie ermöglichen präzise Signalverarbeitung und kommen in zahlreichen Anwendungen zum Einsatz – von Sensoren bis zur Industrieelektronik. Ihre Geschwindigkeit und Zuverlässigkeit machen sie unverzichtbar.

Komparatoren sind vielseitige Bauelemente, deren Funktion in unzähligen Geräten oder Systemen benötigt werden. Die Grundfunktion ist der Vergleich einer Spannung mit einer stabilen Referenzspannung oder einfach der Vergleich zweier Spannungen. Verwendet wird diese Funktion als Spannungsumsetzer (Level Shifter), als Fensterdiskriminator, zur Taktrückgewinnung, zur Sinus-Rechteckwandlung, zur Kopfhörererkennung in tragbaren Geräten, als Radsensor in der Kfz-Elektronik im ABS, in Radarsystemen und so weiter. Manch ein Entwickler ist geneigt, einen Operationsverstärker als Komparator zu verwenden. Das ist grundsätzlich möglich, es gibt aber Unterschiede, die zu beachten sind.

Vergleich von OpAmp und Komparator

Bild 1: Vereinfachtes Schaltbild eines Micro- power-Komparators.
Bild 1: Vereinfachtes Schaltbild eines Micro- power-Komparators.Linear Technology

Beide haben von außen gesehen neben den beiden Stromversorgungspins einen invertierenden Eingang, einen nicht-invertierenden Eingang und ein Ausgang. Im Inneren hören aber die Gemeinsamkeiten auf. Zwar sehen die Eingangsstufen beider Bauteile sehr identisch aus, am Ausgang wird es aber komplexer. Einige OpAmps können die Funktion eines Komparators übernehmen, haben sie doch eine sehr hohe Verstärkung und gut balancierte differentielle Eingänge. In der Praxis sind aber bestimmte Spannungskomparatoren schneller als Allzweck OpAmps, außerdem haben Komparatoren zusätzliche Merkmale wie z.B. eine interne präzise Spannungsreferenz, eine einstellbare Hysterese und getaktete Eingänge. Warum man anstelle eines OpAmps besser einen Komparator einsetzt, darauf geht Bob Dobkin, CTO von Linear Technology, am Ende dieses Beitrags ein.

FAQ zum Komperator: Was er ist, wie er funktioniert und mehr

Was ist ein Komparator?

Ein Komparator ist ein Bauelement, das zwei Eingänge besitzt, von denen einer invertiert und einer nicht invertiert ist. Es vergleicht die beiden Eingangsspannungen und schaltet den Ausgang des Komparators entsprechend um.

Was ist die Grundfunktion eines Komparators?

Die Grundfunktion eines Komparators ist der Vergleich einer Spannung mit einer stabilen Referenzspannung oder einfach der Vergleich zweier Spannungen.

Was sind die Verwendungszwecke von Komparatoren?

Komparatoren werden in vielen Geräten und Systemen verwendet, z.B. als Spannungsumsetzer, Fensterdiskriminator, zur Taktrückgewinnung, zur Sinus-Rechteckwandlung, zur Kopfhörererkennung in tragbaren Geräten, als Radsensor in der Kfz-Elektronik im ABS, in Radarsystemen etc.

Was ist der Unterschied zwischen einem OpAmp und einem Komparator?

Beide haben äußerlich gesehen einen invertierenden Eingang, einen nicht-invertierenden Eingang und einen Ausgang. Im Inneren sind die Eingangsstufen sehr ähnlich, aber am Ausgang gibt es Unterschiede. Einige OpAmps können die Funktion eines Komparators übernehmen, aber Komparatoren haben oft spezielle Merkmale wie eine interne präzise Spannungsreferenz, eine einstellbare Hysterese und getaktete Eingänge, die sie schneller machen als Allzweck-OpAmps.

Was ist Jitter bei Komparatoren und welche Typen gibt es?

Jitter bei Komparatoren beschreibt die Zeitfehler eines Systems und wird oft in Anwendungen verwendet, um aus Sinussignalen Rechteck-Taktimpulse zu formieren. Der Jitter des Komparators bestimmt den Taktjitter.

Es gibt zwei Typen von Jitter: Deterministischer Jitter und Random Jitter.

  • Deterministischer Jitter ist ein begrenzter Jitter mit nicht-gausscher Dichte-Verteilung, der durch spezifische Ursachen wie Duty-cycle Distortion, EMI und thermisches Rauschen verursacht wird. Es wird durch den Spitze-zu-Spitze Wert beschrieben.
  • Random Jitter ist ein unbegrenzter Jitter mit Gausscher Dichte-Verteilung, der hauptsächlich durch thermisches Rauschen verursacht wird. Sein Wert wird als Effektivwert angegeben.

Was ist die Bit-Error Rate (BER)?

Die Bit-Error Rate (BER) ist die Summe aus deterministischem und Random Jitter, die durch einen Spitze-zu-Spitze Wert ausgedrückt wird. Es wird berechnet, indem man den Random Jitter Effektivwert in einen Spitze-zu-Spitze Wert konvertiert.

Wie ein Komparator funktioniert

Der Komparator ist ein 1-Bit-Analog-Digital-Wandler. Wie bereits beschrieben hat er einen positiven und einen negativen Eingang. Ist die Spannung am positiven Eingang höher, geht der Ausgang in einen bestimmten Zustand oder gibt ein entsprechendes Signal aus. Je nach Ausgangskonfiguration (open collector oder push-pull) entspricht die Spannung am Ausgangspin dann der Kollektorspannung des Bipolartransistor oder der Drainspannung eines FETs, d.h. der Ausgangs wird niederohmig. Bei einer push-pull Konfiguration d.h. Gegentaktstufe (komplementäre NPN/PNP-Stufe), auch Totem-Pole genannt, geht er in den hochohmigen Zustand.

Komparatorausgänge im Detail

Der Ausgang eines Komparators kennt nur zwei Zustände, er beträgt etwa Null Volt oder ist in der Höhe der Betriebsspannung. Bipolare Rail-to-Rail Komparators haben einen gemeinsamen Emitterausgang mit einem kleinen Spannungsabfall zwischen der Ausgangsspannung und jeder Railspannung, dieser entspricht der Emitter-Kollektorspannung eines Transistors in Sättigung. Bei kleinen Ausgangsströmen ist die Ausgangsspannung eines CMOS Rail-to-Rail Komparator näher an der Railspannung als bei den bipolaren Gegenstücken. Die Masse der Komparatoren bietet generell glichfrei oder glitcharme TTL/CMOS-kompatible-Ausgänge.

Was der Entwickler bei Komperatoren beachten muss

Komparatoren vergleichen Eingangsspannungen und geben am Ausgang ein entsprechendes Signal aus, das dann weiterverarbeitet wird. Dabei sind für den Einsatz in der jeweiligen Applikation die einzelnen Stufen und Parameter des Komparators zu beachten: die verschiedenen Eingangsstufen und Ausgangskonfigurationen, die Verzögerunszeit, das Rauschen und den Jitter. Wir zeigen auch unter welchen Bedingungen ein OpAmp oder ein Komparator die richtige Wahl ist.

Themenreihe: Hidden Champions der Elektronik

Hidden Champions

In unserer Themenreihe Hidden Champions der Elektronik widmen wir uns den Komponenten, die selten im Rampenlicht stehen. Denn die Stars einer Platine können ohne die Hidden Champions an der Peripherie nicht funktionieren. Passive Bauelemente, Kühlkörper, Kabel, Stecker, einfachere Logik-ICs etc. werden immer wieder gern übersehen oder gelten als „langweilig“, sind aber essenziell wichtig. Genau um solche Hidden Champions geht es hier.

Ein Kriterium bei der Auswahl eines Komparator ist die Zeit, die der Ausgang benötigt um seinen Status zu ändern, wenn ein Signal am Eingang angelegt wird. Diese Zeitspanne ist die Verzögerungszeit im Bauteil und schließt die Anstiegs- und Abfallzeit der Ausgangstreiber nicht ein. Ein sehr schneller Komparator wie beispielsweise MAX961 oder MAX9010-MAX9013 von Maxim hat eine Verzögerungszeit von 4,5 ns oder 5 ns und eine Anstiegszeit 2,3 ns und 3 ns. Zu beachten sind auch die verschiedenen Effekte, die die Verzögerungszeit beeinflussen. Diese sind die Temperatur, die Lastkapazität und die Eingangsspannung, die über der Schaltschwelle liegt (input overdrive). Die Verzögerungszeit wird bezeichnet mit tPD- für den invertierenden Eingang und tPD+ für den nichtinvertierenden Eingang.

Die Differenz zwischen tPD+ und tPD- nennt man Skew (Zeitversatz). Ein weiterer Effekt auf die Verzögerungszeit ergibt sich aus der Versorgungsspannung. Schnelle Komparatoren verfügen über mit Latch versehene Ausgänge, die den Ausgangsstatus in einem bekannten Zustand halten, bis die Setup-and-hold Zeit der digitalen Eingänge, die versorgt werden, erfüllt ist. Hat die Digitalschaltung das Komparatorausgangssignal gelesen, kann über den Latchpin die Komparatorfunktion erneut aktiviert werden und dem nächsten Eingangssignal folgen. Schnelle Komparatoren verarbeiten ECL (emittercoupled- logic) Spannungspegel von beispielsweise -5 bis 0 V. PECL (positive-emitter-coupled-logic) Ausgänge bieten den selben Spannungsswing aber bei 0 bis 5 V. Auch gibt es Komparatoren mit RSPECL (reduced-swing- PECL) Ausgängen. Einige schnelle Komparatoren haben LVDS (low voltage- differential-signaling) Ausgänge mit zwei Ausgängen für die symmetrischen Signalübertragung, deren Differenz der Spannungen für den Logikzustand ausschlaggebend ist. Der Spannungshub beträgt 300 mV um die absolute Spannung von 1,2 V (Common-Mode Spannung). Diese Ausgänge können direkt mit LVDS-Eingängen von Digitalschaltungen verbunden werden.

Karriere in der Elektronik: Welche Möglichkeiten es gibt und was sich verdienen lässt

Frau sitzt vor einem Monitor und schaut ein Leiterplatten-Layout. Ein Mann schaut mit ihr zusammen auf den Bildschirm

Entdecke die Welt der Elektronikkarriere! Für Berufsanfänger bieten sich vielfältige Chancen: Unser neuer Schwerpunkt zum Thema Karriere informiert über attraktive Berufsbilder, Bildungsmöglichkeiten, und Aufstiegsmöglichkeiten in der Elektronikbranche. Unsere umfassende Seite gibt wertvolle Einblicke und hilfreiche Ratschläge, um deine Karriere in der Elektronik erfolgreich zu starten. Egal ob du Interesse an der Elektronikentwicklung, der Systemintegration oder der Forschung hast, hier findest du die Informationen, die du benötigst, um in diesem dynamischen und zukunftsorientierten Bereich durchzustarten.

Komparatoreingänge im Detail

Was sind die Vor- und Nachteile der unterschiedlichen Eingangsarten (NPN-Eingang, Rail-to-Rail) im Detail? Hierzu Bob Dobkin, der zusätzlich einige wesentliche Fragen zum Thema Komparatoren beantwortet:

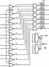
Bild 2: Komparatoren werden als Einfach-, Zweifach- und Mehrfachvarianten angeboten. Der LMV7231 ist ein 6fach Komparator, der sich u.a. so gut in Batteriemanagementsystemen zur Zellenüberwachung einsetzen lässt.
Bild 2: Komparatoren werden als Einfach-, Zweifach- und Mehrfachvarianten angeboten. Der LMV7231 ist ein 6fach Komparator, der sich u.a. so gut in Batteriemanagementsystemen zur Zellenüberwachung einsetzen lässt.National Semiconductor

Die unterschiedlichen Eingänge haben unterschiedliche Limitierungen des Eingangssignals. Die Emitter-basierte Sperrschicht eines NPN bricht zwischen 5 und 7 Volt durch. Dies begrenzt das differenzielle Eingangssignal für den Komparator auf diese Spannungen. Für höhere differenzielle Eingangsspannungen gibt es Strukturen, die PNP-Transistoren verwenden, die bis zu 30 Volt verkraften ohne beschädigt zu werden. CMOS-Eingangsstufen haben die gleichen Einschränkungen wo zu große Spannungen eines differenziellen Eingangs einen Durchbruch des Gateoxids hervorrufen. Viele dieser Bausteine haben einen gewissen Schutz vor Durchbruch an den Eingängen, es ist jedoch besser, das Design innerhalb der Limitierungen des Komparators zu entwickeln. Es wurden auch neue Komparatoren entwickelt, um als Teil eines Niederspannungssystems mit einer 3- oder 5-Volt-Stromversorgung zu arbeiten. Diese Komparatoren sind üblicherweise nicht für große differenzielle Spannungen ausgelegt, da die Emitter-Basis oder der Gateoxid-Durchbruch ausreichend für alles innerhalb der Versorgungsspannung sind.

Ein erweiterter Eingangsbereich wird erzielt, so Bob Dopkin weiter, wenn man Rail-to-Rail-Komparatoren einsetzt. Diese Komparatoren arbeiten von Masse bis zur positiven Versorgungsspannung und können das Schaltungsdesign vereinfachen. Das einzige Problem das auftritt, ist, dass verschiedene Transistoren auf unterschiedlichen Pegeln fühlen. Die Übergangsregion zwischen dem Niederspannungseingang und einem Eingang höherer Spannung schaltet einem Satz von Eingangstransistoren aus und einen zweiten ein, was in einer Änderung des Offsets abhängig vom Eingang des Komparators resultiert. Diese Offset-Änderung ist ein zusätzlicher Fehler, der am Eingang beachtet werden muss, wenn man den Betriebsbereich des Komparators betrachtet.

Und was ist bei Jittersignalen?

Jitter von Komparatoren

Bild 3, oben: Applikation eines Komparators zur Überstromanzeige. Unten: Applikation eines Komparators zur Ladungs/Entladungskontrolle an einem Akku für 3 bis 44 V.
Bild 3, oben: Applikation eines Komparators zur Überstromanzeige. Unten: Applikation eines Komparators zur Ladungs/Entladungskontrolle an einem Akku für 3 bis 44 V.Linear Technology

In einigen Applikationen werden schnelle Komparatoren verwendet, um aus Sinussignalen Rechteck-Taktimpulse zu formen. Da der Ausgangsjitter des Komparators den Taktjitter bestimmt, ist es wichtig, dessen Jitterspezifikationen zu kennen, um den Taktjitter zu berechnen. Generell beschreibt der Jitter die Zeitfehler eines Systems, dabei unterscheidet man zwei Jittertypen: Dem deterministischen Jitter und dem Random Jitter.

Deterministischer Jitter ist definiert als Jitter mit nicht Gausscher Dichte-Verteilung, er ist zeitlich begrenzt und hat spezielle Ursachen: Duty-cycle Distortion (durch Zeitdifferenz zwischen ansteigender und fallender Flanke), EMI, Übersprechen sowie Masseprobleme und solche durch den Einfluss der Spannungsversorgung. Deterministischer Jitter wird durch den Spitze-zu-Spitze Wert beschrieben. Random Jitter ist definiert als Jitter mit Gausscher Dichte-Verteilung, die Amplitude ist zeitlich nicht begrenzt, der Wert wird als Effektivwert angegeben. Hauptquelle für Random Jitter ist thermisches Rauschen (weißes Rauschen) innerhalb von System-Komponenten. In einem Komparator zum Beispiel, hängt die Slewrate vom thermischen Rauschen ab und erzeugt Zeitfehler am Ausgang. Die Summe aus deterministischem und Random Jitter ist der Gesamt-Jitter, der durch einen Spitze-zu-Spitze Wert ausgedrückt wird. Konvertiert man den Random Jitter Effektivwert in einen Spitze-zu-Spitze Wert, kommt man zur Bit-Error Rate (BER).

Auswahlkriterien für Komparatoren

Bei der Auswahl eines geeigneten Komparators für eine bestimmte Anwendung sollten Entwickler verschiedene technische Parameter berücksichtigen. Die wichtigsten Auswahlkriterien sind:

1. Versorgungsspannung und Stromverbrauch

  • Versorgungsspannung (Vcc): Komparatoren sind für verschiedene Spannungsbereiche ausgelegt, von niedrigen 1,8V bis zu höheren 36V. Die Auswahl hängt von der Systemspannung ab.
  • Stromverbrauch (Icc): Für batteriebetriebene Anwendungen sind Low-Power-Komparatoren mit geringem Ruhestrom (<1 µA) entscheidend.

2. Geschwindigkeit und Reaktionszeit

  • Anstiegs- und Abfallzeit: Diese Werte geben an, wie schnell der Komparator auf eine Änderung der Eingangsspannung reagiert.
  • Propagationsverzögerung: Besonders in Hochgeschwindigkeitsanwendungen (z. B. in ADCs oder Hochfrequenz-Schaltungen) ist eine kurze Verzögerung (z. B. <10 ns) entscheidend.

3. Eingangseigenschaften

  • Eingangsoffsetspannung (V_os): Gibt an, wie stark sich die Vergleichsschwelle von 0V unterscheidet. Niedrige Werte (<1 mV) sind für Präzisionsanwendungen wichtig.
  • Gleichtaktbereich: Der Bereich der Eingangsspannung, bei dem der Komparator korrekt arbeitet. Wichtiger Faktor bei Single-Supply-Anwendungen.

4. Ausgangsart

  • Open-Collector/Open-Drain: Ermöglicht den Betrieb mit unterschiedlichen Versorgungsspannungen, benötigt aber einen Pull-up-Widerstand.
  • Push-Pull: Ermöglicht schnelles Schalten zwischen High- und Low-Pegel ohne zusätzlichen Widerstand.

5. Temperaturbereich und Störfestigkeit

  • Temperaturstabilität: In industriellen oder Automotive-Anwendungen sind erweiterte Temperaturbereiche (z. B. -40 °C bis 125 °C) erforderlich.
  • EMV-Störsicherheit: Besonders in sensiblen Umgebungen wichtig, um unerwünschte Schaltvorgänge zu vermeiden.

6. Besondere Funktionen

  • Hysterese: Verhindert ein instabiles Umschalten bei langsamen Eingangssignaländerungen oder Rauschen.
  • Interne Referenzspannung: Einige Komparatoren haben eine integrierte Spannung, was externe Bauteile spart.
  • Schmitt-Trigger-Funktion: Hilft, das Umschaltverhalten bei verrauschten Eingangssignalen zu verbessern.

Die Wahl eines Komparators hängt stark von der jeweiligen Anwendung ab. Während in Hochgeschwindigkeits-Datenwandlern eine geringe Verzögerung und schnelle Umschaltzeiten entscheidend sind, kommt es in batteriebetriebenen Anwendungen eher auf niedrigen Stromverbrauch und geringe Versorgungsspannung an. Durch eine gezielte Auswahl der Parameter kann die Schaltung optimiert und unnötiger Bauteileaufwand vermieden werden.

Neue Komparator-Generation ist schneller, effizienter, intelligenter

Die Technologie im Bereich der Komparatoren entwickelt sich stetig weiter, um den Anforderungen moderner Anwendungen gerecht zu werden. Besonders auffällig ist der Trend zu ultraniedrigem Stromverbrauch, was den Einsatz in IoT-Geräten, Wearables und batteriebetriebenen Sensoren erleichtert. Neue Komparatoren mit Nanopower-Technologie verbrauchen oft weniger als 1 µA und ermöglichen dadurch eine lange Batterielaufzeit oder den Betrieb durch Energy-Harvesting-Systeme. Gleichzeitig wächst die Nachfrage nach Hochgeschwindigkeits-Komparatoren, die für Anwendungen wie 5G, Radar, SerDes-Schaltungen oder Lidar-Sensoren optimiert sind. Hier werden Modelle mit Schaltzeiten im Pikosekunden-Bereich (<1 ns) entwickelt, um extrem schnelle Signalverarbeitung zu ermöglichen.

Ein weiterer wichtiger Trend ist die Integration zusätzlicher Funktionen, um den Schaltungsaufwand zu reduzieren. Moderne Komparatoren enthalten bereits integrierte Hysterese-Schaltungen, Spannungsreferenzen oder Schmitt-Trigger-Funktionen, wodurch externe Bauteile eingespart und die Störanfälligkeit verringert wird. Besonders für Automotive- und Industrieanwendungen werden Komparatoren zunehmend mit einer hohen elektromagnetischen Verträglichkeit (EMV) und erweiterten Temperaturbereichen (-40 °C bis +150 °C) ausgestattet, um auch in rauen Umgebungen zuverlässig zu arbeiten.

Neben diesen Hardware-Verbesserungen halten auch KI-optimierte Designs Einzug in den Bereich der Komparatoren. Fortschritte in der KI-gestützten Schaltungsentwicklung ermöglichen effizientere Designs mit geringerem Energieverbrauch und verbesserten Leistungsparametern. Solche optimierten Komparatoren finden Anwendung in Edge-Computing-Systemen, maschinellem Lernen, autonomen Fahrzeugen und Smart-Cities.

Insgesamt zeigen die aktuellen Entwicklungen eine klare Richtung hin zu energiesparenden, schnelleren und intelligenteren Komparatoren, die sich optimal für die Anforderungen moderner Technologien eignen. Besonders in den Bereichen IoT, 5G, Automotive und Edge Computing sind Innovationen entscheidend, um die Effizienz und Leistungsfähigkeit elektronischer Systeme weiter zu steigern.

Bob Dobkin und Siegfried W. Best

Bob Dobkin ist CTO und Vice President bei Linear Technology und Siegfried W. Best war Chefredakteur der Fachzeitschrift elektronik industrie.

Unternehmen